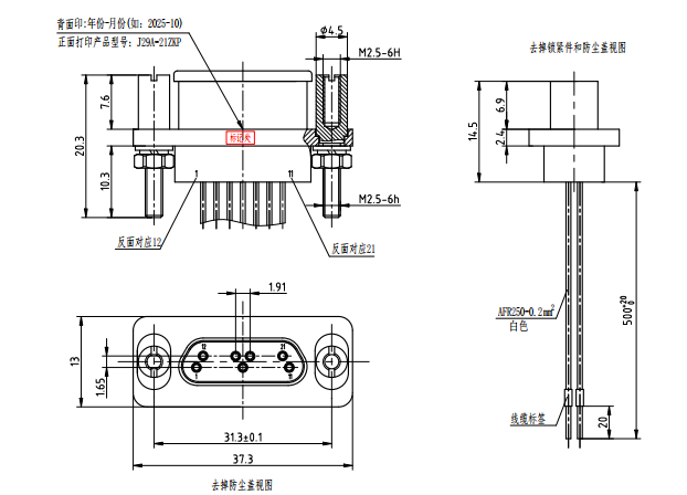
J29A series complies with GJB2446A (equivalent to MIL-DTL-83513). The plug and socket have functions such as threaded locking, guiding, and preventing misinsertion.The terminal connection forms of the product include crimping, direct insertion, bending insertion, welding, etc. Among them, the cross-sectional area of the crimped wire is 0.15mm² - 0.3mm². It adopts precision twisted wire elastic pins (precision twist pins), with a contact piece spacing of well 1.9mm, and the product volume is small. Due to its excellent vibration resistance and resistance to high and low temperatures, the J29A connector core is suitable for scenarios with strict reliability requirements. In the aerospace field, it can be used for the internal circuit interconnection of airborne radars and spaceborne electronic equipment. In the field of electronic computers, it is suitable for the component connection of high-end industrial computers and special control computers. It is also often used in military electronic equipment, precision testing instruments,etc., to achieve stable interconnection of complex circuit systems.
Product Performance Details
| Product model | J29A-15ZKP | Contact resistance | ≤10mΩ |
|---|---|---|---|
| Ambient temperature | -55℃~+125℃ | Insulation resistance |
≥5000MΩ |
| Vibration | 10Hz~2000Hz 196m/s2 | Medium pressure resistance | 1500V DC |
| Random vibration |
Power spectral density is 0.6G2 /Hz and the root mean square value of the total acceleration rate is 28.4G |
Mechanical life |
500 times |
| Impact |
1200m/s2 6ms |
Rated current |
5 A |













FAQ
Q: Are you trading company or manufacturer?
A: Our company is a comprehensive manufacturer with 17 years of r&d, manufacturing and sales of military and commercial RF microwave transmission components.
Q:What are the main products of your company?
A:Main products: RF coaxial connectors and adapters, RF cable assemblies, miniature rectangular electrical connectors and cable assemblies, coaxial waveguide converters and cable assemblies, glass insulator sealed connectors and other microwave products.
Q: Does your company accept customized products?
A: We accept ODM.
Q: Does your company provide free samples?
A: We support free samples with freight paid on delivery.
Q: What is the minimum order quantity of your company's products?
A: 200 pieces. The price is more expensive under 200 piece .
Q: Which logistics company does your company ship through?
A:Our company cooperates with international logistics companies DHL.UPS,FedexTX,TNT all year round to ensure our customers receive their goods quickly with the lowest shipping cost. There are also air and sea logistics.
Q: How long does it usually take to receive the goods?
A: Generally, 3-8 working days for international express, 5-8 working days for air freight.
Q:What payment methods does your company accept?
A: We accept L/C, T/T, Western Union, Trade Assurance (credit card &T/T)
Q: How long is your warranty?
A: The warranty period is three months.