Specifications
Model NO. :
QX
Work Pressure :
Low Pressure (Pn<1.6mpa)
Working Temperature :
Normal Temperature (-40°C
Material of Seal Surface :
EPDM Rubber Seal
Valve Body :
Mould
Standard :
DIN ANSI JIS
Application :
Industrial Usage, Water Industrial Usage, Household Usage
End Connect :
Flange
Handle :
Red, Blue, and Other, Strong Handle
Handle Material :
ABS, PVC with SS316
Test :
100% Test
Material :
Brand New PVC, ABS
Transport Package :
Plastic Bag Inside, Export Carton, Pallets
Specification :
2"-20"
Trademark :
QX
Origin :
China(Mainland)
HS Code :
0000000
Supply Ability :
50000 PCS/Month
Media :
Water
Driving Mode :
Manual
Connection Form :
Flange
Structure :
Butterfly
Seal Form :
Auto Sealed
Valve Stem :
Normal
Samples :
US$ 5/Piece 1 Piece(Min.Order) | Request Sample
Customization :
Available | Customized Request
MOQ :
1pc
Packaging Details :
Customized
Delivery Time :
5-8 days
Payment Terms :
L/C,T/T
Description
China Economic Plastic PVC Gear Butterfly Valve with Geartype

1. Specification:
Economic Plastic PVC Gear Butterfly Valve Customized Request and Structure Butterfly
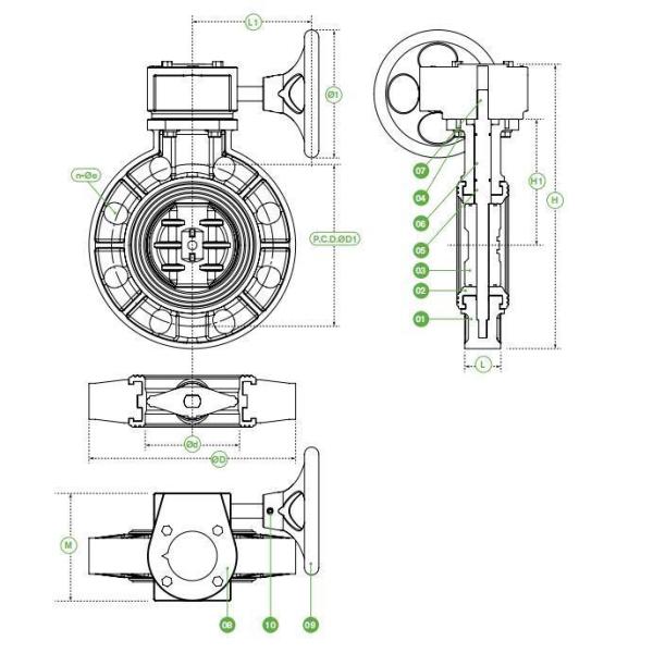
NO PART MATERIAL OTY
1 Body PVC, CPVC, PPG 1
2 Seat seal EPDM, FPM 1
3 DISC PVC, CPVC, PPG 1
4 Bolt SUS304 4
5 Stem STEEL/SUS304/SUS316 1
6 O-ring EPDM,FPM 2
7 Key STEEL 1
8 Gear box IRON 1
9 Handle wheel IRON 1
10 Pin STEEL 1



4" 5" 6" 8" 10" 12" 14" 16" 20"
Size DN 100 125 150 200 250 300 350 400 500
ΦD 228 258 287 344 412 460 500 565 670
D.C.P.ΦD DIN 180 210 240 295 350 400 460
ANSI 191 216 241 298 362 432 476 540
JIS 175 210 240 290 355 400 445 510
Φd 98 122 146 179 255 302 345 395 490
L 54 64 70 88 98 108 88 98 135
Φ1 145 280 280 280 280 280 380 380 280
L1 120 200 200 220 220 280 280
H1 140 168 181 260 280 410 490 520
H 340 385 417 551 595 670 770
M 120 180 180 180 180 250 250 865
N 90 100 100 130 130 220 220
n-Φe DIN 8-Φ19 8-Φ19 8-Φ23 8-Φ23 12-Φ25 12-Φ25 16-Φ25 16-Φ27 20-Φ32
ANSI 8-Φ19 8-Φ19 8-Φ23 8-Φ23 12-Φ25 12-Φ25 12-Φ29 16-Φ29
JIS 8-Φ19 8-Φ19 8-Φ23 8-Φ23 12-Φ25 12-Φ25 16-Φ25 16-Φ25 16-Φ27
PN PSI 150 150 150 150 100 100 60 60 60
Mpa 1 1 1 1 0.6 0.6 0.4 0.4 0.4


2. PVC Materials:

(1). Light weight

(2) .
Poor resistance to high temperature ,waterproof and moisture-proof


(3).
Flame retardant and heat insulation


Economic Plastic PVC Gear Butterfly Valve Customized Request and Structure Butterfly

3. Features

(1) Beautiful, high strength, corrosion resistance.

(2) Long life, replacement is more convenient.

(3) Cast iron gear box, high reduction ratio, accurate opening; saves switching space.

(4) Butterfly rib design ensures the safety of the pipeline system; patented valve body and valve seat are inlaid to ensure low torque.



4. Packages and Handle Display


Economic Plastic PVC Gear Butterfly Valve Customized Request and Structure Butterfly
5. Our Other Related Products
Economic Plastic PVC Gear Butterfly Valve Customized Request and Structure Butterfly
Economic Plastic PVC Gear Butterfly Valve Customized Request and Structure Butterfly






6. About us

Ningbo Qianxiang Huiya International Trade Co., Ltd (Set up in 2012) is a professional supply plastic valve/fitting and irrigation products company!
We can be flexible operation, fast professional services, matching to help customers purchase building materials demand products!
We supply detail like kinds of PVC ball valve, PVC union valve, butterfly valve, PVC fitting, PP fitting, PP saddle clamp, sprinkler, PVC layflat hose, drip pipe and so on other for irrigation use prodcuts.
Our development philosophy is

1, Quality first, customer supreme!
2, Keep innovate and keep going beyond!

3, Unique to stay ahead!

We sincerely invite all domestic and overseas clients to come to advise and cooperation.


Economic Plastic PVC Gear Butterfly Valve Customized Request and Structure Butterfly
7. FAQ

Our Advantages:

(1) High pressure can stand: PN10, PN16, PN35, PN40; 150psi, 235psi etc, as customers' request;

(2) Well and high quality control, within 1% leakage;

(3) Environment friendly, non-toxic, good looking and long service life;

(4) Light weight, easy to handle and transport;

(5) Soft colors and excellent design, suitable for installation either exposed or hidden;

(6) Wonderful ability in chemical corrosion resistance;

(7) Easy and fast installation, making cost minimized;

(8) Widely used in building, irrigation, industry and swimming pool;

(9) Small order acceptable;

(10) Customer's design and logo are welcome.


Why Us?


(1) We provide OEM service and submit Various styles, latest designs to our clients;

(2) We work with big customers in Southeast Asia, Africa, Middle East, North America, South America;

(3) According to the needs of customers in different regions, we match different quality and thickness valves with various styles, so that our customers are very competitive in the market!

(4) Our high quality PVC valve can be consistent with European and American national brand valves!

(5) We have great experience on providing high quality products and most professional service to clients about 10 years more!

(6) Customers choose our products, can mix and match our PVC pipe fittings, PVC butterfly valves, PP Fittings, irrigation products to buy together, so that the customer product line is more abundant, both quality and delivery time are guaranteed.

(7) We can flexible from China any port export! Welcome you inquiry us!

































































Send your message to this supplier
Send Now

Economic Plastic PVC Gear Butterfly Valve Customized Request and Structure Butterfly

Ask Latest Price
Model NO. :
QX
Work Pressure :
Low Pressure (Pn<1.6mpa)
Working Temperature :
Normal Temperature (-40°C
Material of Seal Surface :
EPDM Rubber Seal
Valve Body :
Mould
Standard :
DIN ANSI JIS
Contact Supplier
Economic Plastic PVC Gear Butterfly Valve Customized Request and Structure Butterfly
Economic Plastic PVC Gear Butterfly Valve Customized Request and Structure Butterfly
Economic Plastic PVC Gear Butterfly Valve Customized Request and Structure Butterfly
Economic Plastic PVC Gear Butterfly Valve Customized Request and Structure Butterfly
Economic Plastic PVC Gear Butterfly Valve Customized Request and Structure Butterfly
Economic Plastic PVC Gear Butterfly Valve Customized Request and Structure Butterfly

Ningbo Qianxiang Huiya International Trade Co., Ltd.

Verified Supplier
3 Years
zhejiang, ningbo
Since 2008
Business Type :
Manufacturer
Total Annual :
3000000-5000000
Employee Number :
120~150
Certification Level :
Verified Supplier
Contact Supplier
Submit Requirement