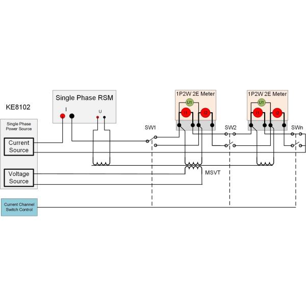
KE8102 has multiple switchable channels for current output, used for testing 2 or 3 elements single phase mechanical and electric meter, Number of meter position : 3-64
| KE8102-64 | |
| Number of meter position | 64 |
| Accuracy | ±0.05% |
| Voltage output | |
| Output range (P-N) | 24V - 300V |
| Output power of voltage | 1500VA |
| Resolution | Better than ± 0.01% |
| Stability | Better than ± 0.02% / 150s |
| Load regulation rate | Better than ± 0.01% |
| Distortion factor | Better than ± 0.3% (linear resistance load) |
| Harmonics output | 2nd -21st free programmable |
| Current output | |
| Output range | 1mA - 120A |
| Output power of current | 3000VA |
| Resolution | Better than ± 0.01% |
| Stability | Better than ± 0.02% / 150s |
| Load regulation rate | Better than ± 0.01% |
| Distortion factor | Better than ± 0.3% (linear resistance load) |
| Harmonics output | 2nd -21st free programmable |
| Phase output | |
| Output range | 0 -- 360° |
| Resolution | ± 0.01° |
| Frequency | |
| Output range | 45Hz - 65Hz |
| Resolution | ± 0.01Hz |
| Operation condition | |
| Power supply | 220V±10%,50/60Hz±2Hz |
| Temperature | -10°C -- +40°C |
| Humidity | 35% -- 85%RH |

