QR DIN 43650A Connector Goyen Type Right Angle Shape Oulet At 90 to Inlet Aluminium Body CA62T 2 1/2 Inch Pulse Valve
Description:
CA Series solenoid pulse jet valve, type: CA20T, CA25T, CA45T, CA50T, CA62T, CA76T.
We have two types right angle type & in line type, with different connection form.
It is 2-way dust collector valve used for pulsing large volumes of air into filter bags for particulate removal.
These series are high-flow fast-opening 2-way valves, pilot valves, pilot valve enclosures and bulkhead fittings that have been specially designed for use in dust collector systems. It can work at least 1 million times without any problem.
Specifications of 2 1/2 Inch Pneumatic Pulse Jet Valve CA62T
1)Type: Right angle (vertical) & in line solenoid pulse valve.
2)Bore: 20, 25, 35, 40, 50, 62, 76, 100mm
3)Port Size; 3/4"~ 3"
4)Connection Form: Normal screw; A: Tubing+thread; S: Double diaphragm; DD: Pipe connecting; J: Threaded(economical type)
5)Working Pressure: 0.3~0.8MPa
6)Ambient Temperature: -5~55° C
7)Humidity < 85%
8)Applied Medium: Pure air
9)Diaphragm life: Above 1 million times
10)Voltage: DC24V, AC110V, AC220V
11)Reference type: CA20T, CA25T, CA45T, CA50T, CA62T, CA76T
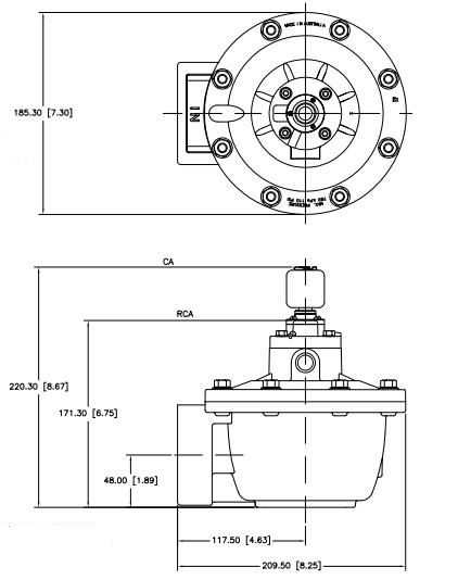
Dimensions of Pulse Jet Valve CA62T:

Goyen Type Pulse Jet Valve 2 1/2" CA62T:

| No | Description | Standard Material |
| 1 | Body, cover | aluminium die cast ca313 |
| 2 | Bleed pin | Turned aluminium |
| 3 | Diaphragm Assembly | Buna N, Buna N Rubber |
| 4 | Spring | ss304 |
| 5 | Screws | ss304 |
| 6 | o-rings | Buna N, Nitrile |
| 7 | Plunger Assembly | 430FR SS |
| 8 | Ferrule, Iron Top Assembly | 305 stainless steel |
| 9 | Coil | 130° rated nylon encapsulaton |
| 10 | Washer | Pressed aluminium |
| 11 | Clip | Mechanical plated steel |
| Coil Voltage | 200/240 vac, 100/120 vac, 24 vac, 24 vdc, 12vdc |
| Coil connection | QR-DIN 43650A connection, QD conduct entry |
Installations of Pulse Valve Goyen Type CA62T:
Application example of CA62T:
