The floating joint can absorb any "off-centering"or "loss of parallel accuracy" between the cylinder and the driven body.
1. To screw the male threads of the rod into the female threads of the socket or the case, make sure that it does not bottom out.
If the floating joint is used with its rod bottom out, the stud will not be able to float, causing damage. For the screw-in depth of the female threads, refer to the dimensions . As a rule, after the rod bottoms out, back off 1 to 2 tums.
2. The dust cover may adhere to the stud. In this case, move the dust cover at the neck of the stud by the finger or twist the stud slightly left or right to break in the dust cover before use. Additionally, when screwing the stud and socket or the case into a driven body, screw in such parts with the dust cover removed. When screwing in such parts without removing the dust cover, this may cause damage to the dust cover.
3. To use a floating joint to connect the cylinder rod to a driven body, secure it in place by applying a torque that is appropriate for the thread size. Also, if there is a risk of loosening during operation, take measures to prevent loosening, such as using a locking pin or thread adhesive.
In the event that the connected portion becomes loose, the driven body might lose control or fall off, leading to equipment damage or injury to personnel.
4.This product is not a rotary joint. So, the product cannot be used for rotational or rotation acting applications.
5. Be sure to use the cushion mechanism of the cylinder or the buffer mechanism, such as the shock absorber so that any impact force is not applied to the floating joint when stopping a driven body. If there is no buffer mechanism, an excessive impact force is generated.
As a result, the tensile compression force of the floating ioint mav exceed its maximum level
HOW TO ORDER:

Order Codes:
| JS10-4-070 | JS40-14-150 |
| JS16-5-080 | JS50-16-150 |
| JS16-6-100 | JS63-18-150 |
| JS20-8-125 | JS80-22-150-X530 |
| JS32-10-125 | JS80-22-150S-X530 |
| JS40-12-125 | JS100-26-150-X530 |
| JS40-14-125 | JS100-26-150S-X530 |
Datasheet:




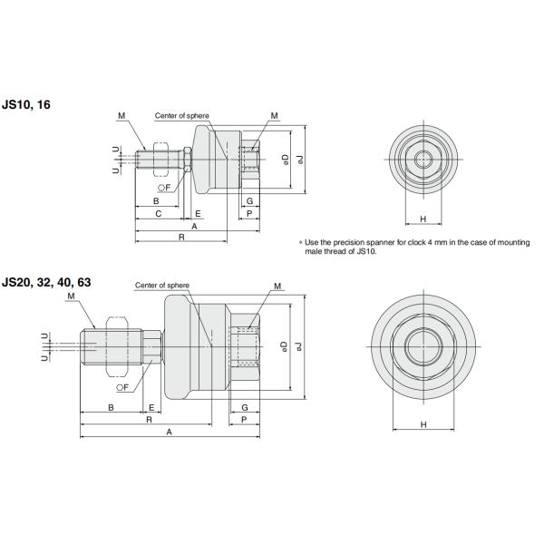
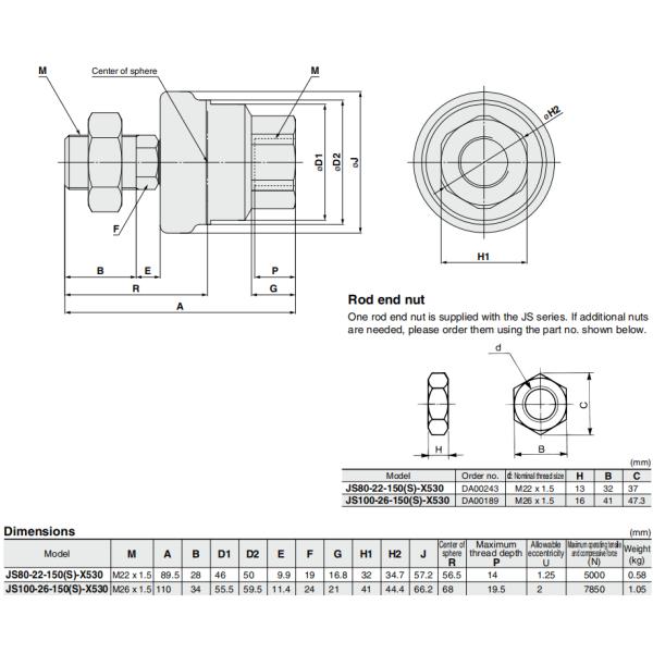
Dimension:


