CAMOZZI Swivel Male Elbow Sprint Nickel-plated Brass1525 6/4-1/8 Series Pneumatic Tube Fittings

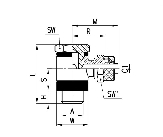
| DIMENSIONS | ||||||||||||
| Mod. | Tube | A | C1 | H | L | S | M | R | W | SW | SW1 | Weight(g) |
| 1525 6/4-1/8 | 6/4 | G1/8 | 3 | 6 | 31 | 12.5 | 24 | 16.5 | Ø14 | 14 | 12 | 35 |
| 1525 6/4-1/4 | 6/4 | G1/4 | 3 | 8 | 33.5 | 12.5 | 26 | 18.5 | Ø18 | 17 | 12 | 48 |
| 1525 6/4-3/8 | 6/4 | G3/8 | 3 | 8 | 34 | 12.5 | 28 | 20.5 | Ø21 | 19 | 12 | 60 |
| 1525 8/6-1/8 | 8/6 | G1/8 | 5 | 6 | 31 | 12.5 | 24 | 16.5 | Ø14 | 14 | 14 | 35 |
| 1525 8/6-1/4 | 8/6 | G1/4 | 5 | 8 | 33.5 | 12.5 | 26 | 18.5 | Ø18 | 17 | 14 | 54 |
| 1525 8/6-3/8 | 8/6 | G3/8 | 5 | 8 | 34 | 12.5 | 28 | 20.5 | Ø21 | 19 | 14 | 64 |
| 1525 10/8-1/8 | 10/8 | G1/8 | 6.5 | 6 | 31 | 12.5 | 25 | 16.5 | Ø14 | 14 | 16 | 38 |
| 1525 10/8-1/4 | 10/8 | G1/4 | 6.5 | 8 | 33.5 | 12.5 | 27 | 18.5 | Ø18 | 17 | 16 | 57 |
| 1525 10/8-3/8 | 10/8 | G3/8 | 6.5 | 8 | 34 | 12.5 | 29.5 | 21 | Ø21 | 19 | 16 | 69 |
| 1525 10/8-1/2 | 10/8 | G1/2 | 6.58 | 9 | 35 | 12.5 | 32 | 23.54 | Ø26 | 27 | 16 | 112 |
| 1525 12/10-3/8 | 12/10 | G3/8 | 8.5 | 8 | 34 | 12.5 | 31.5 | 21.5 | Ø21 | 19 | 19 | 77 |
| 1525 12/10-1/2 | 12/10 | G1/2 | 8 | 9 | 35 | 12.5 | 33.5 | 23.54 | Ø26 | 27 | 19 | 111 |
| 1525 15/12,5-1/2 | 15/12,5 | G1/2 | 11 | 9 | 35 | 12.5 | 36.5 | 25 | Ø26 | 27 | 22 | 120 |

NingboAirwolf Automation was founded in 2006. We have many years experience in producing pneumatic components. Pneumatic components includes pneumatic fittings, pulse valves, water valves, induction coil, solenoid valves, manual valves, air control valves, angle seat valve, air preparation units, cylinders, air gun, air brush, machinery parts, PU/PE pneumatic & hydraulic tubes and pneumatic accessories.
Our factory is in the national tourist resort---Xikou Town, Ningbo, China, adjoins the world-class deep water harbor------Beilun port, 2 hours driving to Shanghai, only 20kms away from Ningbo Lishe International Airport, whereby it enjoys great traffic convenience.
Our products quality is strictly controlled according to ISO quality standard. The perfect producing and testing equipments, advanced quality management system, professional manufacture and sales team guaranteed our forceful before-sale and after-sale service.
We keep the policy “Favorable price, on-time delivery, steady quality, ceaseless development heart-to-heart service and Win-win mode”.

After-sale service
We can provide a series of after-sale service, such as product introduction, mounting, debugging, technical support and so on.

Products shopping guide
For example: you want to purchase a batch of cylinders but you don't know which type you are really want, so you can tell me all your requirement and I'll recommend to you.
Serves time
0:00 - 23:59
From Monday to Sunday