One Way Bearing AS10 TSS10 NSS10 Roller Bearing Freewheel Clutch
Freewheel Bearing TSS/NSS

INTRODUCTION
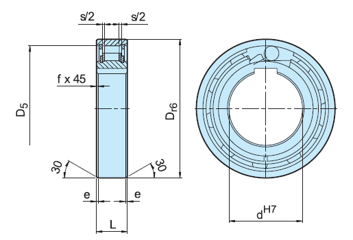
Type NSS/TSS is a roller type freewheel non-bearing supported. Bearings are required to support axial and radial loads. Lubrication and sealing must also be provided by the installation. Nominal outside dimensions are the same as series 62...Ball bearings.
A typical arrangement is to install this type alongside a series 62 bearing within the same location tolerances, as shown on the following page. The inner race is keyed to the shaft (except 6 mm bore).
The outer race has a positive r6 tolerance to give a press fit in a H7 housing. The outer housing must be
strong enough
To not expand after assembly. This design can accept an axial misalignment of inner and outer race of ± S/2.

Type | Size |
| Overrunning speeds |
| Weight | Drag torque | ||||||
AS (TSS) | dH7 | TKN1) | nimax2) | namax3) | Dr6 | D5 | L | s | e | f |
| TR |
[mm] | [Nm] | [min-1] | [min-1] | [mm] | [mm] | [mm] | [mm] | [mm] | [mm] | [kg] | [Ncm] | |
6 | 2.1 | 5000 | 7500 | 19 | 15.8 | 6 | 0.3 | 0.6 | 0.3 | 0.01 | 0.18 | |
8 | 3.8 | 4300 | 6500 | 24 | 20 | 8 | 1.3 | 0.6 | 0.6 | 0.02 | 0.24 | |
10 | 6.8 | 3500 | 5200 | 30 | 25.9 | 9 | 1.3 | 0.6 | 0.6 | 0.03 | 0.36 | |
12 | 13 | 3200 | 4800 | 32 | 28 | 10 | 1.3 | 0.6 | 0.6 | 0.04 | 0.48 | |
15 | 14 | 2800 | 4300 | 35 | 31 | 11 | 1.4 | 0.6 | 0.6 | 0.05 | 0.7 | |
20 | 40 | 2200 | 3300 | 47 | 40 | 14 | 2.4 | 0.8 | 0.8 | 0.12 | 1.4 | |
25 | 56 | 1900 | 2900 | 52 | 45.9 | 15 | 2.4 | 0.8 | 0.8 | 0.14 | 2.4 | |
30 | 90 | 1600 | 2400 | 62 | 55 | 16 | 2.4 | 0.8 | 1 | 0.22 | 7.8 | |
35 | 143 | 1300 | 2000 | 72 | 64 | 17 | 2.5 | 0.8 | 1 | 0.31 | 9 | |
40 | 185 | 1200 | 1800 | 80 | 72 | 18 | 2.5 | 0.8 | 1 | 0.39 | 10 | |
45 | 218 | 1000 | 1600 | 85 | 77 | 19 | 2.5 | 1.2 | 1 | 0.44 | 11 | |
50 | 230 | 950 | 1500 | 90 | 82 | 20 | 2.5 | 1.2 | 1 | 0.49 | 13 | |
55 | 308 | 800 | 1300 | 100 | 90 | 21 | 2.5 | 1.2 | 1 | 0.66 | 14 | |
60 | 508 | 700 | 1100 | 110 | 100 | 22 | 2.5 | 1.2 | 1.5 | 0.81 | 26 | |
80 | 1063 | 600 | 900 | 140 | 128 | 26 | 2.5 | 1.2 | 1.5 | 1.41 | 58 | |
MOUNTING EXAMPLE

![]()




