stainless steel straight Tee,This T-shaped pipe fitting used in the plumbing tee system has one inlet and two outlets arranged at an angle of 90 degrees to the main pipe. This kind of fitting is used to connect the two pipes and make their flow direction as one. If all the three sides of this fitting are same in size, it is called equal tee, otherwise unequal tee.
| Products Name | duplex SS SDSS Butt-Welding Stainless steel seamless and welded Pipe Fitting |
| Types | LR Elbows, SR Elbow, 180deg Returns, Bends, Reducing Eblow, 22.5Ddeg Elbow, 45deg Elbow Straight Tee, Equal Tee, Reducing Tee, Y Tee Con. Reducers, Ecc. redcuers, concentric reducer, Eccentric Reducer caps, Stub Ends |
| Size | 1/2"-72" |
| Wall Thickness | SCH5S,SCH10s,SCH20S,SCH30,STD,SCH40S,SCH60,XS,SCH80S,SCH100,SCH120, SCH160S,XXS, DIN, SGP JIS thickness |
| Standard | ASTMA312, WP403 A234WPB A420, ANSI B16.9/B16.28/B16.25 |
| JIS B2311-1997/2312, JIS B2311/B2312, DIN 2605-1/2617/2615, | |
| GB 12459-99,EN Standard etc. | |
| Material | Stainless Steel304, 304L, 304H, 316, 316L, 316H, 310, SS321, SS321H, 347, 347H, 904L |
| Duplex SS 2507, DSS2205, UNS31803 UNS32750 | |
| 1.4301,1.4306, 1.4401, 1.4435, 1.4406, 1.4404 | |
| Carbon Steel A234 WPB, WP5, WP9,WP11, WP22, A420WPL6, A420WPL8 | |
| ST37.0,ST35.8,ST37.2,ST35.4/8,ST42,ST45,ST52,ST52.4 | |
| STP G38,STP G42,STPT42,STB42,STS42,STPT49,STS49 | |
| Surface | Sandblast , acid pickling, Polished |
Stainless steel is the abbreviation for stainless and acid resistant steel. Steel that is resistant to weak corrosive media such as air, steam, water, or has rust resistance is called stainless steel; And the steel grade that is resistant to chemical corrosion media (such as acid, alkali, salt, etc.) corrosion is called acid resistant steel.
The most common used material is SS304/304L, SS316/316L, DUPLEX SAF2507, SAF2205,
Detail’s specification of the Duplex ss material as below:
SAF2205 (UNS31803)
Chemical Composition%
| C≤ | Si ≤ | Mn≤ | P ≤ | S ≤ | Cr | Ni | Mo | Cu | N |
| 0.03 | 1.0 | 2.0 | 0.03 | 0.02 | 22-23 | 4.5-6.5 | 3.0-3.50 | / | 0.14-0.2 |
Mechanical Performance
| Test Items | Test Temp. | Performance | Standard Data |
| Tensile Strength | Room Temp. | Yield Strength s≥ | 450 Mpa |
| Tensile Strength h ≥ | 620 Mpa | ||
| Elongation % > | 25 | ||
| Reduction of Area=> | / | ||
| Impact Value KV(J) | Room Temp. | Lateral | / |
| Brinell hardness | Room Temp. | ≤ | 290 |
| Rockwell hardness | Room Temp. | ≥ | / |
SAF2507(UNS32750)
Chemical Composition%
| c ≤ | Si≤ | Mn≤ | P≤ | S≤ | Cr | Ni | Mo | Cu≤ | N |
| 0.03 | 0.8 | 1.2 | 0.03 | 0.015 | 24-26 | 6.0-8.0 | 3.0-5.0 | 0.5 | 0.24-0.32 |
Mechanical Performance
| Test Items | Test Temp. | Performance | Standard Data | |
| Tensile | Room Temp. | Yield Strength | Ø≤55 Rm≥ | 550 Mpa |
| Ø >55 Rm≥ | 515 Mpa | |||
| Tensile Strength | Ø≤55 R0.002 ≥ | 800 Mpa | ||
| Ø >55 R0.002≥ | 760 Mpa | |||
| Elongation A%(4D) > | Ø≤55 ≥ | 15 | ||
| Ø >55 ≥ | 15 | |||
| Brinell hardness HB | Room Temp. | Ø≤5 ≤ | 310 | |
| Ø >55 ≤ | 310 | |||
Thickness List for pipefittings ANSI B16.9
Unit: mm
| Norminal Pipe Size DN (in) | Outside Dimeter D | Norminal Wall Thickness | ||||||||||
| Sch5s | Sch10S | Sch40s | STD | Sch40 | Sch80s | XS | Schl20 | Schl40 | Sch160 | XXS | ||
| 1/8 | 10. 3 | —— | 1. 24 | 1. 73 | 1. 73 | 1. 73 | 2. 41 | 2. 41 | —— | —— | —— | —— |
| 1/4 | 13. 7 | — | 1. 65 | 2. 24 | 2. 24 | 2. 24 | 3. 02 | 3. 02 | — | — | — | — |
| 3/8 | 17. 1 | — | 1. 65 | 2. 31 | 2. 31 | 2. 31 | 3. 20 | 3. 20 | — | — | — | — |
| 1/2 | 21. 3 | 1.65 | 2. 11 | 2. 77 | 2. 77 | 2. 77 | 3. 73 | 3. 73 | —— | —— | 4. 78 | 7. 47 |
| 3/4 | 26. 7 | 1.65 | 2. 11 | 2. 87 | 2. 87 | 2. 87 | 3. 91 | 3. 91 | —— | —— | 5. 56 | 7. 82 |
| 1 | 33.4 | 1. 65 | 2. 77 | 3. 38 | 3. 38 | 3. 38 | 4. 55 | 4. 55 | — | — | 6. 35 | 9. 09 |
| 1 1/4 | 42. 2 | 1.65 | 2. 77 | 3. 56 | 3. 56 | 3. 56 | 4. 85 | 4. 85 | — | — | 6. 35 | 9. 70 |
| 1 1/2 | 48. 3 | 1.65 | 2. 77 | 3. 68 | 3. 68 | 3. 68 | 5. 08 | 5. 08 | —— | —— | 7. 14 | 10. 15 |
| 2 | 60. 3 | 1. 65 | 2. 77 | 3. 91 | 3. 91 | 3. 91 | 5. 54 | 5. 54 | —— | —— | 8. 74 | 11. 07 |
| 2 1/2 | 73. 0 | 2. 11 | 3. 05 | 5. 16 | 5. 16 | 5. 16 | 7. 01 | 7. 01 | — | — | 9. 53 | 14. 02 |
| 3 | 88. 9 | 2. 11 | 3. 05 | 5. 49 | 5. 49 | 5. 49 | 7. 62 | 7. 62 | — | — | 11. 13 | 15. 24 |
| 3 1/2 | 101. 6 | 2. 11 | 3. 05 | 5. 74 | 5. 74 | 5. 74 | 8. 08 | 8. 08 | —— | —— | —— | —— |
| 4 | 114. 3 | 2. 11 | 3. 05 | 6. 02 | 6.02 | 6. 02 | 8. 56 | 8. 56 | 11. 13 | —— | 13. 49 | 17. 12 |
| 5 | 141. 3 | 2. 77 | 3. 40 | 6. 55 | 6. 55 | 6. 55 | 9. 53 | 9. 53 | 12. 70 | — | 15. 88 | 19. 05 |
| 6 | 168. 3 | 2. 77 | 3. 40 | 7. 11 | 7. 11 | 7. 11 | 10. 97 | 10. 97 | 14. 27 | — | 18. 26 | 21.95 |
| 8 | 219. 1 | 2. 77 | 3. 76 | 8. 18 | 8. 18 | 8. 18 | 12. 70 | 12. 70 | 18. 26 | 20. 62 | 23. 01 | 22.23 |
| 10 | 273. 1 | 3. 40 | 4. 19 | 9. 27 | 9. 27 | 9.27 | 12. 70 | 12. 70 | 21. 44 | 25. 40 | 28. 58 | 25. 40 |
| 12 | 323.9 | 3. 96 | 4. 57 | 9. 53 | 9. 53 | 10. 31 | 12. 70 | 12. 70 | 25. 40 | 28. 58 | 33. 32 | 25. 40 |
| 14 | 355. 6 | 3. 96 | 4. 78 | — | 9. 53 | 11. 13 | — | 12. 70 | 27. 79 | 31. 75 | 35. 71 | — |
| 16 | 406. 4 | 4. 19 | 4. 78 | —— | 9. 53 | 12. 70 | —— | 12. 70 | 30. 96 | 36. 53 | 40. 49 | —— |
| 18 | 457. 2 | 4. 19 | 4. 78 | —— | 9. 53 | 14. 27 | —— | 12. 70 | 34. 96 | 39. 67 | 45. 24 | —— |
| 20 | 508. 0 | 4. 78 | 5. 54 | — | 9. 53 | 15. 09 | — | 12. 70 | 38. 10 | 44. 45 | 50. 01 | — |
| 22 | 558. 8 | 4. 78 | 5. 54 | — | 9. 53 | — | — | 12. 70 | 41. 28 | 47. 63 | 53. 98 | — |
| 24 | 609. 6 | 5. 54 | 6. 35 | —— | 9. 53 | 17. 48 | —— | 12. 70 | 46. 02 | 52. 37 | 59. 54 | —— |
| 26 | 660.4 | —— | —— | —— | 9. 53 | —— | —— | 12. 70 | —— | —— | —— | —— |
| 28 | 711.2 | — | — | — | 9. 53 | — | — | 12. 70 | — | — | — | — |
| 30 | 762. 0 | 6. 35 | 7. 92 | — | 9. 53 | — | — | 12. 70 | — | — | — | — |
| 32 | 812. 8 | —— | —— | —— | 9. 53 | 17. 48 | —— | 12. 70 | —— | —— | —— | —— |
| 34 | 863. 6 | —— | —— | —— | 9. 53 | 17. 48 | —— | 12. 70 | —— | —— | —— | —— |
| 36 | 914. 4 | — | — | — | 9. 53 | 17. 48 | — | 12. 70 | — | — | — | — |
| 38 | 965.2 | — | — | — | 9. 53 | — | — | 12. 70 | — | — | — | — |
| 40 | 1016. 0 | —— | —— | —— | 9. 53 | —— | —— | 12. 70 | —— | —— | —— | —— |
| 42 | 1066. 8 | —— | —— | —— | 9. 53 | —— | —— | 12. 70 | —— | —— | —— | —— |
| 44 | 1117. 6 | — | — | — | 9. 53 | — | — | 12. 70 | — | — | — | — |
| 46 | 1168.4 | — | — | — | 9. 53 | — | — | 12. 70 | — | — | — | — |
| 48 | 1219. 2 | — | — | — | 9. 53 | — | — | 12. 70 | — | — | — | — |
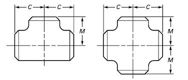
Table 1 Dimensions of staight tee and cross

| Nominal Pipe Size (NPS) | Outside Diameter at Bevel | Center-to-End | |
| Run, C | Outlet, M [Notes (1) and (2)] | ||
| 1/2“ | 21.3 | 25 | 25 |
| 3/4” | 26.7 | 29 | 29 |
| 1 | 33.4 | 38 | 38 |
| 1-1/4“ | 42.2 | 48 | 48 |
| 1-1/2” | 48.3 | 57 | 57 |
| 2 | 60.3 | 64 | 64 |
| 2-1/2“ | 73.0 | 76 | 76 |
| 3 | 88.9 | 86 | 86 |
| 3-1/2” | 101.6 | 95 | 95 |
| 4 | 114.3 | 105 | 105 |
| 5 | 141.3 | 124 | 124 |
| 6 | 168.3 | 143 | 143 |
| 8 | 219.1 | 178 | 178 |
| 10 | 273.0 | 216 | 216 |
| 12 | 323.8 | 254 | 254 |
| 14 | 355.6 | 279 | 279 |
| 16 | 406.4 | 305 | 305 |
| 18 | 457.0 | 343 | 343 |
| 20 | 508.0 | 381 | 381 |
| 22 | 559.0 | 419 | 419 |
| 24 | 610.0 | 432 | 432 |
| 26 | 660.0 | 495 | 495 |
| 28 | 711.0 | 521 | 521 |
| 30 | 762.0 | 559 | 559 |
| 32 | 813.0 | 597 | 597 |
| 34 | 864.0 | 635 | 635 |
| 36 | 914.0 | 673 | 673 |
| 38 | 965.0 | 711 | 711 |
| 40 | 1 016.0 | 749 | 749 |
| 42 | 1 067.0 | 762 | 711 |
| 44 | 1 118.0 | 813 | 762 |
| 46 | 1 168.0 | 851 | 800 |
| 48 | 1 219.0 | 889 | 838 |
Table 2 Dimensions of Reducing Outlet Tees and Reducing Outlet Crosses

| Nominal Pipe Size (NPS) | Outside Diameter at Bevel | Center-to-End | Nominal Pipe Size (NPS) | Outside Diameter at Bevel | Center-to-End | ||||
| Run, C | Outlet, M [Note (1)] | Run, C | Outlet, M [Note (1)] | ||||||
| Run | Outlet | Run | Outlet | ||||||
| 1/2 x1/2 x3/8 | 21.3 | 17.3 | 25 | 25 | 4 x 4 x 3-1/2 | 114.3 | 101.6 | 105 | 102 |
| 1/2 x1/2 x1/4 | 21.3 | 13.7 | 25 | 25 | 4x4x3 | 114.3 | 88.9 | 105 | 98 |
| 3/4 x 3/4 x1/2 | 26.7 | 21.3 | 29 | 29 | 4 X 4 X 2-1/2 | 114.3 | 73.0 | 105 | 95 |
| 3/4 x 3/4 x3/8 | 26.7 | 17.3 | 29 | 29 | 4x4x2 | 114.3 | 60.3 | 105 | 89 |
| 1 X 1 X 3/4 | 33.4 | 26.7 | 38 | 38 | 4 x 4 x 1-1/2 | 114.3 | 48.3 | 105 | 86 |
| 1 x 1 x 1/2 | 33.4 | 21.3 | 38 | 38 | |||||
| 5X5X4 | 141.3 | 114.3 | 124 | 117 | |||||
| 1-1/4 x 1-1/4 x 1 | 42.2 | 33.4 | 48 | 48 | 5 X 5 X 3-1/2 | 141.3 | 101.6 | 124 | 114 |
| 1-1/4 x 1-1/4 x3/4 | 42.2 | 26.7 | 48 | 48 | 5X5X3 | 141.3 | 88.9 | 124 | 111 |
| 1-1/4 x 1-1/4 x1/2 | 42.2 | 21.3 | 48 | 48 | 5 X 5 X 2-1/2 | 141.3 | 73.0 | 124 | 108 |
| 5X5X2 | 141.3 | 60.3 | 124 | 105 | |||||
| 1-1/2 x1-1/2 x 1-1/4 | 48.3 | 42.2 | 57 | 57 | 6X6X5 | 168.3 | 141.3 | 143 | 137 |
| 1-1/2 x1-1/2 x 1 | 48.3 | 33.4 | 57 | 57 | 6x6x4 | 168.3 | 114.3 | 143 | 130 |
| 1-1/2 x1-1/2 x3/4 | 48.3 | 26.7 | 57 | 57 | 6 x 6 x 3-1/2 | 168.3 | 101.6 | 143 | 127 |
| 1-1/2 x1-1/2 x 1/2 | 48.3 | 21.3 | 57 | 57 | 6x6x3 | 168.3 | 88.9 | 143 | 124 |
| 6 x 6 x 2-1/2 | 168.3 | 73.0 | 143 | 121 | |||||
| 2 x 2 x 1-1/2 | 60.3 | 48.3 | 64 | 60 | |||||
| 2 x 2 x 1-1/4 | 60.3 | 42.2 | 64 | 57 | 8x8x6 | 219.1 | 168.3 | 178 | 168 |
| 2 X 2 X 1 | 60.3 | 33.4 | 64 | 51 | 8x8x5 | 219.1 | 141.3 | 178 | 162 |
| 2 x 2 x 3/4 | 60.3 | 26.7 | 64 | 44 | 8X8X4 | 219.1 | 114.3 | 178 | 156 |
| 8 x 8 x 3-1/2 | 219.1 | 101.6 | 178 | 152 | |||||
| 2-1/2 X 2-1/2 X 2 | 73.0 | 60.3 | 76 | 70 | |||||
| 2-1/2 X 2-1/2 X 1-1/2 | 73.0 | 48.3 | 76 | 67 | 10 x 10 x 8 | 273.0 | 219.1 | 216 | 203 |
| 2-1/2 X 2-1/2 X 1-1/4 | 73.0 | 42.2 | 76 | 64 | 10 x 10 x 6 | 273.0 | 168.3 | 216 | 194 |
| 2-1/2 X 2-1/2 X 1 | 73.0 | 33.4 | 76 | 57 | 10 x 10 x 5 | 273.0 | 141.3 | 216 | 191 |
| 10 x 10 x 4 | 273.0 | 114.3 | 216 | 184 | |||||
| 3 X 3 X 2-1/2 | 88.9 | 73.0 | 86 | 83 | 12 x 12 x 10 | 323.8 | 273.0 | 254 | 241 |
| 3x3x2 | 88.9 | 60.3 | 86 | 76 | 12 x 12 x 8 | 323.8 | 219.1 | 254 | 229 |
| 3 x 3 x 1-1/2 | 88.9 | 48.3 | 86 | 73 | 12 X 12 X 6 | 323.8 | 168.3 | 254 | 219 |
| 3 x 3 x 1-1/4 | 88.9 | 42.2 | 86 | 70 | 12 x 12 x 5 | 323.8 | 141.3 | 254 | 216 |
| 3-1/2 x 3-1/2 x 3 | 101.6 | 88.9 | 95 | 92 | 14 X 14 X 12 | 355.6 | 323.8 | 279 | 270 |
| 3-1/2 x 3-1/2 x 2-1/2 | 101.6 | 73.0 | 95 | 89 | 14 X 14 X 10 | 355.6 | 273.0 | 279 | 257 |
| 3-1/2 x 3-1/2 x 2 | 101.6 | 60.3 | 95 | 83 | 14 X 14 X 8 | 355.6 | 219.1 | 279 | 248 |
| 3-1/2 x 3-1/2 x 1-1/2 | 101.6 | 48.3 | 95 | 79 | 14 x 14 x 6 | 355.6 | 168.3 | 279 | 238 |
| Size (NPS) | Outside Diameter at Bevel | Center to Ends | Nominal Pipe Size (NPS) | Outside Diameter at Bevel | Center to Ends | ||||
| Run | Outlet | Run, C | Outlet, M [Note (1)] | Run | Outlet | Run, C | Outlet, M [Note (1)] | ||
| 16 x 14 | 406.4 | 355.6 | 305 | 305 | 28 X 28 X 26 | 711 | 660.0 | 521 | 521 |
| 16 x 12 | 406.4 | 323.8 | 305 | 295 | 28 X 28 X 24 | 711 | 610.0 | 521 | 508 |
| 16 x 10 | 406.4 | 273.0 | 305 | 283 | 28 x 28 x 22 | 711 | 559.0 | 521 | 495 |
| 16 x 8 | 406.4 | 219.1 | 305 | 273 | 28 x 28 x 20 | 711 | 508.0 | 521 | 483 |
| 16 x 6 | 406.4 | 168.3 | 305 | 264 | |||||
| 28 X 28 X 18 | 711 | 457.0 | 521 | 470 | |||||
| 18 x 16 | 457.0 | 406.4 | 343 | 330 | 28 X 28 X 16 | 711 | 406.4 | 521 | 457 |
| 18 x 14 | 457.0 | 355.6 | 343 | 330 | 28 x 28 x 14 | 711 | 355.6 | 521 | 457 |
| 18 X 12 | 457.0 | 323.8 | 343 | 321 | 28 X 28 X 12 | 711 | 323.8 | 521 | 448 |
| 18 x 10 | 457.0 | 273.0 | 343 | 308 | |||||
| 18 X 8 | 457.0 | 219.1 | 343 | 298 | 30 X 30 X 28 | 762 | 711.0 | 559 | 546 |
| 30 x 30 x 26 | 762 | 660.0 | 559 | 546 | |||||
| 20 X 18 | 508.0 | 457.0 | 381 | 368 | 30 x 30 x 24 | 762 | 610.0 | 559 | 533 |
| 20 x 16 | 508.0 | 406.4 | 381 | 356 | 30 x 30 x 22 | 762 | 559.0 | 559 | 521 |
| 20 x 14 | 508.0 | 355.6 | 381 | 356 | 30 x 30 x 20 | 762 | 508.0 | 559 | 508 |
| 20 X 12 | 508.0 | 323.8 | 381 | 346 | |||||
| 20 X 10 | 508.0 | 273.0 | 381 | 333 | 30 x 30 x 18 | 762 | 457.0 | 559 | 495 |
| 20 X 8 | 508.0 | 219.1 | 381 | 324 | 30 x 30 x 16 | 762 | 406.4 | 559 | 483 |
| 30 x 30 x 14 | 762 | 355.6 | 559 | 483 | |||||
| 22 X 20 | 559.0 | 508.0 | 419 | 406 | 30 x 30 x 12 | 762 | 323.8 | 559 | 473 |
| 22 x 18 | 559.0 | 457.0 | 419 | 394 | 30 x 30 x 10 | 762 | 273.0 | 559 | 460 |
| 22 x 16 | 559.0 | 406.4 | 419 | 381 | |||||
| 22 X 14 | 559.0 | 355.6 | 419 | 381 | 32 x 32 x 30 | 813 | 762.0 | 597 | 584 |
| 22 X 12 | 559.0 | 323.8 | 419 | 371 | 32 X 32 X 28 | 813 | 711.0 | 597 | 572 |
| 22 X 10 | 559.0 | 273.0 | 419 | 359 | 32 X 32 X 26 | 813 | 660.0 | 597 | 572 |
| 32 x 32 x 24 | 813 | 610.0 | 597 | 559 | |||||
| 24 X 22 | 610.0 | 559.0 | 432 | 432 | |||||
| 24 X 20 | 610.0 | 508.0 | 432 | 432 | 32 X 32 X 22 | 813 | 559.0 | 597 | 546 |
| 24 X 18 | 610.0 | 457.0 | 432 | 419 | 32 X 32 X 20 | 813 | 508.0 | 597 | 533 |
| 32 X 32 X 18 | 813 | 457.0 | 597 | 521 | |||||
| 24 X 16 | 610.0 | 406.4 | 432 | 406 | 32 x 32 x 16 | 813 | 406.4 | 597 | 508 |
| 24 X 14 | 610.0 | 355.6 | 432 | 406 | 32 X 32 X 14 | 813 | 355.6 | 597 | 508 |
| 24 X 12 | 610.0 | 323.8 | 432 | 397 | |||||
| 24 x 10 | 610.0 | 273.0 | 432 | 384 | 34 x 34 x 32 | 864 | 813.0 | 635 | 622 |
| 34 x 34 x 30 | 864 | 762.0 | 635 | 610 | |||||
| 26 X 24 | 660.0 | 610.0 | 495 | 483 | 34 x 34 x 28 | 864 | 711.0 | 635 | 597 |
| 26 x 22 | 660.0 | 559.0 | 495 | 470 | 34 x 34 x 26 | 864 | 660.0 | 635 | 597 |
| 26 X 20 | 660.0 | 508.0 | 495 | 457 | |||||
| 34 x 34 x 24 | 864 | 610.0 | 635 | 584 | |||||
| 26 x 18 | 660.0 | 457.0 | 495 | 444 | 34 x 34 x 22 | 864 | 559.0 | 635 | 572 |
| 26 X 16 | 660.0 | 406.4 | 495 | 432 | 34 x 34 x 20 | 864 | 508.0 | 635 | 559 |
| 26 x 14 | 660.0 | 355.6 | 495 | 432 | 34 x 34 x 18 | 864 | 457.0 | 635 | 546 |
| 26 X 12 | 660.0 | 323.8 | 495 | 422 | 34 x 34 x 16 | 864 | 406.4 | 635 | 533 |
1. Raw material Receiving and Cutting

2.Material Identification
3. Elbows, Tees ,reducers, Caps, stub ends, kinds of pipefittings shape forming

4. Material wedling process (welded elbows )

5. Heat Treatment for SS pipefittings
6. Shot Blast and cleaning

7. Surface checking

8. After Polished
9. stainless steel Pipefittings Material In Stock

Low and middle pressure fluid pipeline,boiler, petroleum and natural gas industry, drilling,chemical industry, electric industry,shipbuilding,fertilizer equipment and pipeline, structure,petrochemical,pharmaceutical industry,etc.
Fabricated Fittings
Fabricated laterals and other fittings by circumferential or intersection welds are considered pipe fabrication could not apply this standard.
Units under ASME B16.9 shall be stated in both SI (Metric) and U.S. Customary units. Designation for size is NPS.
Reference Standards
It is not considered practical to identify the specific edition of each standard and specification in the individual references. A product made comply with a prior edition of referenced standards and in all other respects conforming to this standard will be considered complied.
ASME B16.5: Pipe Flanges and Flanged Fittings: NPS 1∕2 Through NPS 24 Metric/Inch Standard
ASME B16.25: For Buttwelding Ends
ASME B31: Code for Pressure Piping
ASME B31.3: Process Piping
ASME B36.10M, Welded and Seamless Wrought Steel Pipe
ASME B36.19M, Stainless Steel Pipe
ASME Boiler and Pressure Vessel Code
ASTM A234/A234M-17, Specification for Piping Fittings of Wrought Carbon Steel and Alloy Steel for Moderate and High Temperature Service
ASTM A403/A403M-16, Specification for Wrought Austenitic Stainless Steel Piping Fittings
ASTM A420/A420M-16, Specification for Piping Fittings of Wrought Carbon Steel and Alloy Steel for LowTemperature Service
ASTM A815/A815M-14e1, Specification for Wrought Ferritic, Ferritic/Austenitic and Martensitic Stainless Steel Piping Fittings
ASTM A960/A960M-16a, Specification for Common Requirements for Wrought Steel Piping Fittings
ASTM E29-13, Practice for Using Significant Digits in Test Data to Determine Conformance With Specifications
ASTM B361-16, ASTM B363-14, ASTM B366/B366M-17: For other material metals. (Aluminum, Titanium, Nickel, and alloy).
Q:Customer asked for butt weld fittings in A105:
A: Most common carbon steel buttweld fitting material is A234WPB. It is equivalent to A105 flanges, however there is no such thing as an A105 or A106 butt weld fitting. A106 Gr.B is for pipe grade. The A234WPB fittings are made from A106GR.B pipes. A105 is a material from Bar forged to be High pressure Fittings or Flange
Q: Customer requests “Normalized” butt weld fittings:
A: This is also a misconception since flanges are available in A105 and A105 N, where N stands for normalized.
However, there is no such thing as A234WPBN. Manufactures normalize their butt weld fittings was considered that normalized heat treating process was done, Espeically for the elbows and Tees
Customer needing “normalized” butt weld fittings should request WPL6 fittings which are high yield and are normalized as a standard procedure.
Q: Customer forgets to mention pipe schedule:
A: Buttweld fittings are sold as per pipe size but pipe schedule must be specified to match the ID of the fitting to the ID of the pipe. If no schedule is mentioned, we will assume a standard wall is requested.
Q: Customer forgets to mention welded or seamless butt weld fitting:
A: Butt weld fittings are available in both welded and seamless configuration. A seamless butt weld carbon steel or stainless steel fitting is made of seamless pipe and is generally more expensive.
Seamless pipe fittings are NOT common in sizes bigger than 12”. Welded pipe fittings are made of ERW welded carbon steel or stainless steel pipe. They are available in sizes ½” to 72” and are more affordable than seamless fittings.
Q: What does Short Radius (SR) or Long Radius (LR) means?
A: You will often hear SR45 elbow or LR45 elbow. The 45 or 90 refers to the angle of the bend for buttweld fitting to change the direction of flow.
A long radius elbow (LR 90 Elbow or LR 45 elbow) will have a pipe bend that will be 1.5 times the size of the pipe. So, a 6 inch LR 90 has bending radius that is 1.5 x nominal pipe size.
A short radius elbow (SR45 or SR90) has a pipe bend that is equal to the size of the fitting, so a 6” SR 45 has a bending radius that is 6” nominal pipe size.
Q: What is a 3R or 3D elbow pipe fitting?
A: First, the terms 3R or 3D are used synonymously. A 3R butt weld elbow has a bending radius that is 3 times the nominal pipe size. A 3R elbow is equal to 3D Elbows
1. Tehcnial support
2. Raw Material Quality control.
3. Inspection during the production time.
4. Final Test includes Surface, Dimension, PT Test, RT test, ultrasonic Test
5. Test Report each shipment
4. Flexiable Delivery terms. EXW FOB CIF CFR DDP DDU
5. Fliexable payment Ways: LC. TT. DP
6. Customized Package inlcudes Logo. Cases Dimension .
7. 18 months quality Gurantee time.
9. Free replacement by air if any error founded
10. 24 hours to Feedback your questions