Carbon Steel Blind Flanges 4 Inch BS4504 BLRF Flanges Blind Plate Flanges PN 25 ASTM A105 for Chemical Industry Applications
Introduction of BS4504 Carbon Steel Blind Flanges:
BS4504 carbon steel blind flanges are robust components utilized to seal the termination points of pipe systems or valves. They find extensive use in applications requiring secure closure of pipelines. These flanges are crafted without a central opening, ensuring a dependable termination of piping systems.
BS4504 carbon steel blind flanges excel in high-pressure or high-temperature environments due to the inherent strength and durability of carbon steel. Available in various sizes and pressure ratings, they cater to diverse piping system needs and are often integrated with valves and fittings to establish a secure, sealed endpoint.
Compared to other flange types, BS4504 carbon steel blind flanges boast a straightforward design, necessitating less mechanical machining. Their solid construction typically results in heavier flanges, owing to the absence of a central bore. While typically supplied as blanks for compatibility with slip-on and weld neck flanges, they can be customized with features like center machining for NPT threads or tailored bore sizes to function as slip-on flanges without a hub.
When paired with a suitable gasket, BS4504 carbon steel blind flanges offer a reliable sealing solution for permanently or temporarily closing off piping systems. Their bolted configuration allows easy access for maintenance, inspection, or future expansions, while the gasket effectively seals any gaps between flange surfaces, ensuring leak-free operation.
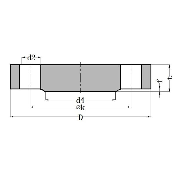
BS4504 Blind Flanges Dimensions:

| BS4504 CODE 105 Blind Flange PN 25 BLRF | |||||||||
| DN | Outside diameter | Diameter of bolt circle | Diameter of bolt hole | Bolting | Flange thickness | Raised Face | Approx weight | ||
| D | K | D2 | Number | Size | t | D4 | f | (Kg) | |
| 10 | 90 | 60 | 14 | 4 | M12 | 16 | 40 | 2 | 0.7 |
| 15 | 95 | 65 | 14 | 4 | M12 | 16 | 45 | 2 | 0.7 |
| 20 | 105 | 75 | 14 | 4 | M12 | 18 | 58 | 2 | 1.1 |
| 25 | 115 | 85 | 14 | 4 | M12 | 18 | 68 | 2 | 1.3 |
| 32 | 140 | 100 | 18 | 4 | M16 | 18 | 78 | 2 | 1.9 |
| 40 | 150 | 110 | 18 | 4 | M16 | 18 | 88 | 3 | 2.1 |
| 50 | 165 | 125 | 18 | 4 | M16 | 20 | 102 | 3 | 2.9 |
| 65 | 185 | 145 | 18 | 8 | M16 | 22 | 122 | 3 | 4.0 |
| 80 | 200 | 160 | 18 | 8 | M16 | 24 | 138 | 3 | 5.2 |
| 100 | 235 | 190 | 22 | 8 | M20 | 24 | 162 | 3 | 7.1 |
| 125 | 270 | 220 | 26 | 8 | M24 | 26 | 188 | 3 | 10.2 |
| 150 | 300 | 250 | 26 | 8 | M24 | 28 | 218 | 3 | 13.9 |
| 200 | 360 | 310 | 26 | 12 | M24 | 30 | 278 | 3 | 21.7 |
| 250 | 425 | 370 | 30 | 12 | M27 | 32 | 335 | 3 | 32.5 |
| 300 | 485 | 430 | 30 | 16 | M27 | 34 | 395 | 4 | 44.7 |
| 350 | 555 | 490 | 33 | 16 | M30 | 38 | 450 | 4 | 66.0 |
| 400 | 620 | 550 | 36 | 16 | M33 | 40 | 505 | 4 | 87.1 |
| 450 | 670 | 600 | 36 | 20 | M33 | 44 | 555 | 4 | 112.0 |
| 500 | 730 | 660 | 36 | 20 | M33 | 45 | 615 | 4 | 137.6 |
| 600 | 845 | 770 | 39 | 20 | M36 | 54 | 720 | 5 | 222.7 |
| 700 | 960 | 875 | 42 | 24 | M39 | - | 820 | 5 | - |
| 800 | 1085 | 990 | 48 | 24 | M45 | - | 930 | 5 | - |
| 900 | 1185 | 1090 | 48 | 28 | M45 | - | 1030 | 5 | - |
| 1000 | 1320 | 1210 | 56 | 28 | M52 | - | 1140 | 5 | - |
| 1200 | 1530 | 1420 | 56 | 32 | M52 | - | 1350 | 5 | - |
| 1400 | 1755 | 1640 | 62 | 36 | M56 | - | 1560 | 5 | - |
| 1600 | 1975 | 1860 | 62 | 40 | M56 | - | 1780 | 5 | - |
| 1800 | 2185 | 2070 | 70 | 44 | M64 | - | 1985 | 5 | - |
| 2000 | 2425 | 2300 | 70 | 48 | M64 | - | 2210 | 5 | - |
1.Dimensions are in millimeters(mm).
2.Dimensions can be specified by different purchasers.
Common Grades of Carbon Steel Blind Flanges:
Carbon steel blind flanges are available in various grades, each with specific properties that make them suitable for different applications:
ASTM A105
Description: This is a standard specification for carbon steel forgings for piping applications.
Characteristics: High strength, good toughness, excellent machinability, and weldability.
Applications: Widely used in the oil and gas industry, chemical processing, and power generation.
ASTM A350 LF2
Description: This specification covers carbon and low-alloy steel forgings requiring notch toughness testing for low-temperature service.
Characteristics: Suitable for low-temperature applications with good impact resistance.
Applications: Used in low-temperature services like cryogenic applications.
ASTM A216 WCB
Description: This specification covers carbon steel castings for valves, flanges, fittings, or other pressure-containing parts for high-temperature service.
Characteristics: Excellent strength and durability under high temperature and pressure conditions.
Applications: Commonly used in high-temperature environments such as refineries and chemical plants.
ASTM A694 F42 to F70
Description: These grades cover carbon and alloy steel forgings for high-pressure transmission service.
Characteristics: High yield strength and excellent toughness.
Applications: Ideal for high-pressure pipelines, including oil and gas transmission lines.
ASTM A234 WPB
Description: This specification covers wrought carbon steel and alloy steel fittings of seamless and welded construction.
Characteristics: Suitable for moderate and high-temperature services with good mechanical properties.
Applications: Used in the manufacturing of pipe fittings and flanges.
Advantages of BS4504 Carbon Steel Blind Flanges:
Strength and Durability: Carbon steel's robust nature ensures BS4504 blind flanges withstand high pressures and temperatures effectively, providing a secure seal in challenging operational environments.
Versatility: Available in various sizes and pressure ratings, BS4504 carbon steel blind flanges cater to diverse pipe diameters and system requirements. This versatility allows for precise selection to match specific application needs, ensuring optimal performance.
Ease of Installation and Removal: Simple installation and removal processes make BS4504 carbon steel blind flanges straightforward to manage. This ease facilitates efficient maintenance, repairs, or temporary closures of pipelines without requiring intricate assembly procedures.
Cost-Effectiveness: Offering a cost-effective solution, BS4504 carbon steel blind flanges contribute to reduced labor and installation expenses. Their durable construction minimizes the frequency of replacements, leading to long-term cost savings.
Customization Options: Machining capabilities allow for customization of BS4504 carbon steel blind flanges to meet unique requirements. Options such as center machining for NPT threads or tailored bore sizes enhance adaptability to specific system configurations.
Enhanced Safety: Reliable sealing capabilities ensure BS4504 carbon steel blind flanges enhance the safety of piping systems. By preventing leaks, spills, and potential hazards associated with fluid or gas flow, they contribute significantly to creating a safer working environment.
Applications of BS4504 Carbon Steel Blind Flanges:
BS4504 Carbon Steel Blind Flanges find wide application across various industries and scenarios where reliable sealing and termination of piping systems are essential.
Oil and Gas Industry: Used in pipelines for oil and gas transportation, BS4504 blind flanges effectively seal off pipe ends and valves, ensuring secure containment of fluids under high-pressure conditions.
Petrochemical Plants: Essential in petrochemical facilities for sealing process lines and equipment where chemical substances are handled at elevated temperatures and pressures.
Power Generation: Deployed in power plants to seal steam and water lines, BS4504 blind flanges provide a dependable closure for pipes and valves within boiler systems and steam turbines.
Water Treatment: Used in water treatment plants to seal off pipes and valves in water distribution and treatment systems, ensuring efficient and leak-free operation.
Process Industries: Widely utilized across various process industries (chemical, pharmaceutical, food processing, etc.) where maintaining a sealed environment is crucial for operational safety and efficiency.
General Manufacturing: Utilized in various manufacturing processes where sealing of pipes and valves is necessary to maintain operational integrity and safety.