4 Inch Carbon Steel Weld Neck Flanges BS4504 Weld Neck Raised Face WNRF Flanges PN 25 Code 111 for Oil and Gas Industry
Description of BS4504 Weld Neck Flanges:
BS4504 Weld Neck Flanges are widely regarded as the most popular type of flange due to their distinctive design, which features a neck extension ending in a weld bevel. These flanges are engineered to be butt-welded directly to pipes, ensuring a superior and seamless connection. In larger sizes and higher pressure classes, the weld neck flange is predominantly chosen as the preferred flange connection.
If there were only one type of flange available for modern applications, the BS4504 weld neck flange would undoubtedly be the top choice. Its design and functionality make it highly desirable across a wide range of industrial applications. The weld neck flange is renowned for providing a reliable, leak-free, and durable connection between pipes, a feature that is unmatched.


The weld bevel and neck extension of the BS4504 weld neck flange facilitate a smooth and natural transition from the pipe to the flange. This seamless connection minimizes turbulence and pressure drop within the piping system, making it ideal for applications where efficiency and flow performance are critical.
Moreover, the design of the weld neck flange offers excellent structural integrity and helps distribute mechanical stresses evenly, making it suitable for high-pressure and high-temperature environments. The robust construction of the BS4504 weld neck flange ensures long-lasting performance and reduces the risk of leakage or failure.
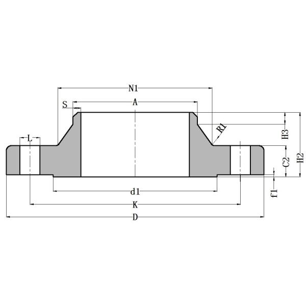
BS4504 Weld Neck Flanges Dimensions:

| BS 4504 CODE 111 FLANGES PN 25 WNRF | ||||||||||||||
| DN | Outside diameter | Diameter of bolt circle | Diameter of bolt hole | Bolting | Outside diameter of neck | Flange thickness | Length | Neck diameters | Corner radii | Wall thickness | Raised face | Approx weight | ||
| D | K | L | Number | A | C2 | H2 | H3 | N1 | R1 | S | d1 | f1 | KG | |
| 10 | 90 | 60 | 16 | 4 | 17.2 | 14 | 35 | 6 | 28 | 3 | 1.8 | 40 | 2 | 0.7 |
| 15 | 95 | 65 | 16 | 4 | 21.3 | 14 | 38 | 6 | 32 | 3 | 2 | 45 | 2 | 0.8 |
| 20 | 105 | 75 | 18 | 4 | 26.9 | 14 | 40 | 6 | 40 | 4 | 2.3 | 58 | 2 | 1.1 |
| 25 | 115 | 85 | 18 | 4 | 33.7 | 14 | 40 | 6 | 46 | 4 | 2.6 | 68 | 2 | 1.3 |
| 32 | 140 | 100 | 18 | 4 | 42.4 | 18 | 42 | 6 | 56 | 5 | 2.6 | 78 | 2 | 1.9 |
| 40 | 150 | 110 | 18 | 4 | 48.3 | 18 | 45 | 7 | 64 | 5 | 2.6 | 88 | 3 | 2.1 |
| 50 | 165 | 125 | 20 | 4 | 60.3 | 18 | 48 | 8 | 74 | 5 | 2.9 | 102 | 3 | 2.8 |
| 65 | 185 | 145 | 22 | 8 | 76.1 | 18 | 52 | 10 | 92 | 6 | 2.9 | 122 | 3 | 3.7 |
| 80 | 200 | 160 | 24 | 8 | 88.9 | 18 | 58 | 12 | 110 | 6 | 3.2 | 138 | 3 | 4.8 |
| 100 | 235 | 190 | 24 | 8 | 114.3 | 22 | 65 | 12 | 134 | 6 | 3.6 | 162 | 3 | 6.4 |
| 125 | 270 | 220 | 26 | 8 | 139.7 | 26 | 68 | 12 | 162 | 6 | 4.0 | 188 | 3 | 8.9 |
| 150 | 300 | 250 | 28 | 8 | 168.3 | 26 | 75 | 12 | 190 | 8 | 4.5 | 218 | 3 | 11.5 |
| 200 | 360 | 310 | 30 | 12 | 219.1 | 26 | 80 | 16 | 244 | 8 | 6.3 | 278 | 3 | 17.2 |
| 250 | 425 | 370 | 32 | 12 | 273 | 30 | 88 | 18 | 296 | 10 | 7.1 | 335 | 3 | 24.1 |
| 300 | 485 | 430 | 34 | 16 | 323.9 | 30 | 92 | 18 | 350 | 10 | 8 | 395 | 4 | 31.5 |
| 350 | 555 | 490 | 38 | 16 | 355.6 | 33 | 100 | 20 | 398 | 10 | 8 | 450 | 4 | 49.1 |
| 400 | 620 | 550 | 40 | 16 | 406.4 | 36 | 110 | 20 | 452 | 10 | 8.8 | 505 | 4 | 64.0 |
| 450 | 670 | 600 | 42 | 20 | 457 | 36 | 110 | 20 | 500 | 12 | 8.8 | 555 | 4 | 71.8 |
| 500 | 730 | 660 | 44 | 20 | 508 | 36 | 125 | 20 | 558 | 12 | 10 | 615 | 4 | 92.8 |
| 600 | 845 | 770 | 46 | 20 | 610 | 39 | 125 | 20 | 660 | 12 | 11 | 720 | 5 | 118.8 |
| 700 | 960 | 875 | 46 | 24 | 711 | 42 | 125 | 20 | 760 | 12 | 12.5 | 820 | 5 | 143.9 |
| 800 | 1085 | 990 | 50 | 24 | 813 | 48 | 135 | 22 | 864 | 12 | 14.2 | 930 | 5 | 194.2 |
| 900 | 1185 | 1090 | 54 | 28 | 914 | 48 | 145 | 24 | 968 | 12 | 16 | 1030 | 5 | 239.0 |
| 1000 | 1320 | 1210 | 58 | 28 | 1016 | 56 | 155 | 24 | 1070 | 12 | 17.5 | 1140 | 5 | 311.9 |
| 1200 | 1530 | 1420 | - | 32 | 1220 | 56 | - | - | - | 12 | 12.5 | 1350 | 5 | - |
| 1400 | 1755 | 1640 | - | 36 | 1420 | 62 | - | - | - | 12 | 14.2 | 1560 | 5 | - |
| 1600 | 1975 | 1860 | - | 40 | 1620 | 62 | - | - | - | 12 | 16 | 1780 | 5 | - |
| 1800 | 2185 | 2070 | - | 44 | 1820 | 70 | - | - | - | 15 | 17.5 | 1985 | 5 | - |
| 2000 | 2425 | 2300 | - | 48 | 2020 | 70 | - | - | - | 15 | 20 | 2210 | 5 | - |
1.Dimensions are in millimeters(mm).
2.Dimensions can be specified by different purchasers.
Common Grades of Carbon Steel Weld Neck Flanges:
Carbon steel weld neck flanges are available in various grades, each with specific properties that make them suitable for different applications:
ASTM A105
Description: This is a standard specification for carbon steel forgings for piping applications.
Characteristics: High strength, good toughness, excellent machinability, and weldability.
Applications: Widely used in the oil and gas industry, chemical processing, and power generation.
ASTM A350 LF2
Description: This specification covers carbon and low-alloy steel forgings requiring notch toughness testing for low-temperature service.
Characteristics: Suitable for low-temperature applications with good impact resistance.
Applications: Used in low-temperature services like cryogenic applications.
ASTM A216 WCB
Description: This specification covers carbon steel castings for valves, flanges, fittings, or other pressure-containing parts for high-temperature service.
Characteristics: Excellent strength and durability under high temperature and pressure conditions.
Applications: Commonly used in high-temperature environments such as refineries and chemical plants.
ASTM A694 F42 to F70
Description: These grades cover carbon and alloy steel forgings for high-pressure transmission service.
Characteristics: High yield strength and excellent toughness.
Applications: Ideal for high-pressure pipelines, including oil and gas transmission lines.
ASTM A234 WPB
Description: This specification covers wrought carbon steel and alloy steel fittings of seamless and welded construction.
Characteristics: Suitable for moderate and high-temperature services with good mechanical properties.
Applications: Used in the manufacturing of pipe fittings and flanges.
Carbon Steel Weld Neck Flanges Will Be Used in the Following Situations:
High-Pressure Applications: Weld neck flanges are ideal for applications involving high pressure. The welded connection between the flange and the pipe provides a strong and leak-resistant joint that can withstand the forces exerted by high-pressure fluids or gases.
High-Vibration Environments: Weld neck flanges excel in applications with high vibration or mechanical stress. The welded connection offers added stability, reducing the risk of loosening or failure due to vibration-induced fatigue. This makes them suitable for piping systems in industries such as oil and gas, petrochemicals, and power generation.
Critical Systems: When a strong and reliable connection is crucial, such as in critical systems where safety and performance are paramount, weld neck flanges are the preferred choice. Their design and welding connection provide enhanced structural integrity, minimizing the risk of leaks or failures.
Extreme Temperatures: Weld neck flanges are capable of withstanding high temperatures. They are commonly used in applications where extreme temperature conditions are present, such as in power plants, refineries, or industrial processes involving heat transfer.
Demanding Environments: In environments where corrosion, chemical exposure, or abrasive substances are prevalent, weld neck flanges offer excellent resistance. By choosing the appropriate material, such as stainless steel or specialized alloys, they can withstand the harsh conditions and maintain their integrity over time.
Applications of BS4504 Weld Neck Flanges:
Oil and Gas Industry: Used in pipelines, processing plants, and offshore platforms where high pressure and temperature conditions are common.
Petrochemical Industry: Employed in refineries and chemical processing plants where corrosive materials are handled.
Power Generation: Used in power plants, particularly in high-pressure steam lines and other critical systems.
Shipbuilding: Applied in marine piping systems where high pressure and high vibration conditions are present.
Pharmaceutical Industry: Utilized in sanitary piping systems that require high levels of cleanliness and resistance to corrosion.
Cryogenic Applications: Used in systems handling liquefied gases and other cryogenic fluids due to their ability to perform well at extremely low temperatures.
Water Treatment Plants: Used in systems that manage water flow and treatment processes, particularly where high pressure is involved.