DIN 2638 Carbon Steel and Stainless Steel Weld Neck Flanges WNRF PN160 for Industrial Purposes
Introduction:
We are Shaanxi Peter International Trade Co., Ltd., a reputable and well-established company of rich experience in the industry. As your reliable supplier, we have been providing high-quality DIN WELD NECK FLANGES for more than 20 years in the industry.
DIN weld neck flanges are a type of pipe flange that is designed to be butt-welded to the end of a pipe. They have a long tapered hub that gradually merges with the pipe, providing reinforcement and reducing stress concentrations. The flange is then bolted to another weld neck flange or a compatible flange using bolts or studs.
DIN standards are widely used in Europe, particularly in Germany, and DIN weld neck flanges conform to the specific dimensional and technical requirements set by DIN standards. These flanges are available in various materials such as carbon steel, stainless steel, and alloy steel, allowing them to be used in a wide range of applications in industries such as oil and gas, petrochemical, power generation, and more.
Description of DIN Weld Neck Flanges:
The DIN weld neck flange is widely recognized and favored for its exceptional features and benefits in various applications. It provides a superior and seamless connection by directly butt welding to pipes, ensuring reliability even in high-pressure environments. The extended neck design adds strength and durability, while the weld connection guarantees a secure and leak-proof joint.
The tapered neck design of the weld neck flange plays a crucial role in evenly distributing stress, mitigating the risk of localized stress concentration and potential failures. Additionally, the smooth transition from the flange's neck to the pipe's bore improves flow characteristics, minimizing turbulence and pressure drop within the system.
Apart from its performance advantages, the extended neck of the weld neck flange facilitates convenient inspection and maintenance activities, making it practical and easily accessible for necessary checks, cleaning, and repairs.
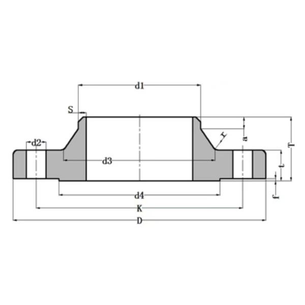
DIN 2638 Weld Neck Flange Dimensions:

| DIN2638 Welding Neck Flange PN160 | |||||||||||||||
| DN | d1 | D | t | k | T | d3 | S | r | a | d4 | f | No. of holes | d2 | Weight (KG) | |
| ISO | DIN | ||||||||||||||
| 10 | - | 14 | 100 | 20 | 70 | 45 | 28 | 2.0 | 4 | 6 | 40 | 2 | 4 | 14 | 1.1 |
| 17.2 | - | 100 | 20 | 70 | 45 | 32 | 2.0 | 4 | 6 | 40 | 2 | 4 | 14 | 1.1 | |
| 15 | - | 20 | 105 | 20 | 75 | 45 | 32 | 2.0 | 4 | 6 | 45 | 2 | 4 | 14 | 1.2 |
| 21.3 | - | 105 | 20 | 75 | 45 | 34 | 2.0 | 4 | 6 | 45 | 2 | 4 | 14 | 1.2 | |
| 25 | - | 30 | 140 | 24 | 100 | 58 | 48 | 2.9 | 4 | 8 | 68 | 2 | 4 | 18 | 2.6 |
| 33.7 | - | 140 | 24 | 100 | 58 | 52 | 2.9 | 4 | 8 | 68 | 2 | 4 | 18 | 2.6 | |
| 40 | - | 44.5 | 170 | 28 | 125 | 64 | 65 | 3.6 | 6 | 10 | 88 | 3 | 4 | 22 | 4.4 |
| 48.3 | - | 170 | 28 | 125 | 64 | 70 | 3.6 | 6 | 10 | 88 | 3 | 4 | 22 | 4.3 | |
| 50 | - | 57 | 195 | 30 | 145 | 75 | 86 | 4.0 | 6 | 10 | 102 | 3 | 4 | 26 | 6.3 |
| 60.3 | - | 195 | 30 | 145 | 75 | 90 | 4.0 | 6 | 10 | 102 | 3 | 4 | 26 | 6.3 | |
| 65 | 76.1 | - | 220 | 34 | 170 | 82 | 108 | 5.0 | 6 | 12 | 122 | 3 | 8 | 26 | 8.6 |
| 80 | 88.9 | - | 230 | 36 | 180 | 86 | 120 | 6.3 | 8 | 12 | 138 | 3 | 8 | 26 | 10.1 |
| 100 | - | 108 | 265 | 40 | 210 | 100 | 145 | 8.0 | 8 | 12 | 162 | 3 | 8 | 30 | 15.3 |
| 114.3 | - | 265 | 40 | 210 | 100 | 150 | 8.0 | 8 | 12 | 162 | 3 | 8 | 30 | 15.1 | |
| 125 | - | 133 | 315 | 44 | 250 | 115 | 180 | 10.0 | 8 | 14 | 188 | 3 | 8 | 33 | 24.7 |
| 139.7 | - | 315 | 44 | 250 | 115 | 180 | 10.0 | 8 | 14 | 188 | 3 | 8 | 33 | 24.1 | |
| 150 | - | 159 | 355 | 50 | 290 | 128 | 210 | 12.5 | 10 | 14 | 218 | 3 | 12 | 33 | 35.1 |
| 168.3 | - | 355 | 50 | 290 | 128 | 210 | 12.5 | 10 | 14 | 218 | 3 | 12 | 33 | 34.0 | |
| 175 | 193.7 | - | 390 | 54 | 320 | 138 | 245 | 14.2 | 10 | 16 | 260 | 3 | 12 | 36 | 44.9 |
| 200 | 219.1 | - | 490 | 60 | 360 | 140 | 278 | 16.0 | 10 | 16 | 285 | 3 | 12 | 36 | 60.0 |
| 250 | - | 267 | 515 | 68 | 430 | 155 | 340 | 20.0 | 12 | 18 | 345 | 3 | 12 | 42 | 98.1 |
| 273 | - | 515 | 68 | 430 | 155 | 340 | 20.0 | 12 | 18 | 345 | 3 | 12 | 42 | 96.5 | |
| 300 | 323.9 | - | 585 | 76 | 500 | 175 | 400 | 22.2 | 12 | 18 | 410 | 4 | 16 | 42 | 138.8 |
1.Dimensions are in millimeters(mm).
2.Dimensions can be specified by different purchasers.
Materials of DIN Weld Neck Flanges:
DIN weld neck flanges are available in various materials to suit different applications and operating conditions. The material selection for DIN weld neck flanges depends on factors such as temperature, pressure, corrosion resistance, and compatibility with the conveyed fluid or gas.
Grades of Carbon Steel:
ASTM A105: This is a common grade of carbon steel used for weld neck flanges. It is a forged carbon steel specifically designed for high-temperature service and offers excellent weldability and toughness.
ASTM A350 LF2: LF2 is a low-temperature carbon steel grade commonly used for weld neck flanges in applications where low-temperature toughness is required.
ASTM A694 F52/F60/F65/F70: These grades are high-yield carbon steel materials used for weld neck flanges in applications requiring high strength and impact resistance.
Grades of Stainless Steel:
ASTM A182 F304/F304L: These grades of stainless steel are austenitic and commonly used for weld neck flanges. They offer good corrosion resistance, excellent weldability, and are suitable for a wide range of applications.
ASTM A182 F316/F316L: Similar to F304/F304L, these grades are also austenitic stainless steels with improved corrosion resistance, particularly in chloride environments.
ASTM A182 F321: F321 is an austenitic stainless steel grade containing titanium, which provides enhanced resistance to intergranular corrosion. It is often used for weld neck flanges in high-temperature applications.
ASTM A182 F347: F347 is a stabilized stainless steel grade with the addition of niobium, which improves its resistance to intergranular corrosion. It is commonly used for weld neck flanges in applications involving elevated temperatures.
How to ensure the longevity and optimal performance of weld neck flanges:
To ensure the longevity and optimal performance of weld neck flanges, regular maintenance activities should be performed. Here are some specific maintenance tasks recommended for weld neck flanges:
Visual Inspection: Regular visual inspections should be conducted to check for any signs of damage, corrosion, or wear. Inspect the weld joint, flange surface, and the area where the flange connects to the pipe. Look for cracks, leaks, pitting, or any other abnormalities. If any issues are detected, appropriate actions should be taken promptly.
Bolting and Gasket Inspection: Check the condition of the bolts and gaskets used in the flange connection. Ensure that the bolts are properly tightened and in good condition. Inspect the gasket for signs of deterioration, such as leaks or deformation. Replace worn-out or damaged bolts and gaskets as needed.
Corrosion Protection: Weld neck flanges may be susceptible to corrosion, particularly in corrosive environments. Apply suitable corrosion protection measures, such as protective coatings or cathodic protection, to prevent corrosion and extend the lifespan of the flange. Regularly inspect the coating for any signs of damage or degradation.
Cleaning: Keep the weld neck flange and the surrounding area clean from debris, dirt, or other contaminants. Clean the flange surface and the pipe bore to ensure an optimal seal. Use appropriate cleaning methods and avoid harsh chemicals that could damage the flange material.
Repairs and Replacements: If any defects or damages are identified during inspections, take appropriate actions for repairs or replacements. This may involve welding repairs, replacing damaged components, or even replacing the entire flange if necessary. Ensure that repairs are performed by qualified personnel following industry standards and guidelines.
Documentation and Record-Keeping: Maintain proper documentation of maintenance activities, including inspection results, repairs, and replacements. This helps track the history of the weld neck flange and enables better planning for future maintenance requirements.
Advantages of DIN Weld Neck Flanges:
DIN weld neck flanges are widely recognized for their superior connection and are commonly utilized in larger sizes and higher pressure classes. Their unique design, with a neck extension and weld bevel, allows for a strong and reliable connection to pipes through butt welding.
The weld neck flange's extended neck provides several advantages, including:
Strength and Durability: The welded neck extension provides additional strength to the flange, making it suitable for high-pressure applications. The weld connection ensures a secure and leak-free joint, enhancing the overall durability of the flange.
Stress Distribution: The tapered neck design of the weld neck flange helps in distributing the stress evenly across the flange and pipe, reducing the risk of localized stress concentration and potential failure.
Enhanced Flow Characteristics: The smooth transition from the flange's neck to the pipe's bore minimizes turbulence and pressure drop, allowing for improved flow characteristics in the system.
Easy Inspection and Maintenance: The extended neck of the weld neck flange allows for easier visual inspection and access for maintenance activities such as cleaning, inspection, and repairs.
Applications of DIN 2638 Weld Neck Flanges:
DIN 2638 is a standard specification for weld neck flanges with extended necks and a larger bore size compared to standard flanges. These flanges are designed for specific applications that require a larger opening or increased flow capacity. Here are some common applications where DIN 2638 weld neck flanges are used:
High-Flow Systems: DIN 2638 weld neck flanges are commonly employed in systems that involve high flow rates and larger pipe sizes. They are suitable for applications where there is a need for increased fluid flow capacity, such as in water treatment plants, sewage systems, or large-scale industrial piping networks.
Petrochemical Industry: The petrochemical industry often utilizes DIN 2638 weld neck flanges in processes involving the transportation and processing of various chemicals, gases, and petroleum products. These flanges can handle the high pressures and temperatures associated with petrochemical operations, ensuring a secure and reliable connection.
Oil and Gas Pipelines: DIN 2638 weld neck flanges are used in oil and gas pipelines, both onshore and offshore, where larger pipe sizes and increased flow rates are required. These flanges provide a robust and leak-resistant connection in critical pipeline applications, including transmission lines, distribution networks, and pumping stations.
Power Generation: Weld neck flanges, including DIN 2638, find applications in power generation facilities, such as thermal power plants or nuclear power plants. They are used in steam systems, condensers, and other high-pressure and high-temperature components, where their strong and reliable connection capabilities are essential.
Chemical Processing: DIN 2638 weld neck flanges are suitable for various chemical processing applications, including reactors, distillation columns, and storage tanks. They can handle corrosive chemicals and high-temperature fluids, making them dependable choices in the chemical industry.