ASME B16.5 Carbon Steel Socket Weld Flanges SWRF Class 400 for Industrial Applications
Introduction:
Shaanxi Peter International Trade Co., Ltd. is a reputable manufacturer of high-quality ASME industrial Socket weld flanges in China. We provide prompt delivery programs for standard-sized carbon steel socket weld flanges. Additionally, we can supply socket weld flanges made from special carbon steel grades. Our Socket weld flange dimensions adhere to ASME B16.5 standards, which encompass sizes ranging from NPS ½" to 24".
At Shaanxi Peter International Trade Co., Ltd., we prioritize customer satisfaction and strive to provide exceptional products and services. Our dedicated team is committed to meeting the diverse needs of our clients by offering reliable and durable socket weld flanges that consistently meet industry standards.
Description of ASME B16.5 Socket Weld Flanges:
The Socket weld flange shares a similar outline with the slip on flange, but it has a counter-bored bore to accommodate the pipe. Socket weld pipe flanges are commonly used for smaller-sized high-pressure pipes. ASME B16.5 Socket weld flanges find extensive application in high-pressure systems like hydraulic equipment and steam lines. The socket weld flange is connected by inserting the pipe into the socket end and then applying a fillet weld around the flange's hub. This design ensures a smooth bore, allowing for improved fluid or gas flow within the pipe. In high-stress situations, an optional internal weld can be employed.
We manufacture Raised Face socket weld flanges and Flat Face Socket weld Flanges at our facility, catering to companies from diverse industries including power generation, petrochemical plants, pharmaceutical plants, shipbuilding, oil refineries, wastewater treatment plants, paper mills, and turnkey projects, among others.
The socket weld flange is connected to a pipe through a fillet weld that joins the outer surface of the pipe and the hub of the flange in a roughly triangular cross-section weld. Initially, the pipe is inserted into the flange socket, and alignment is straightforward due to the easy fit. Prior to welding, a 1/16″ (2.0 mm) gap must be maintained between the pipe end and the bottom of the flange socket to account for differential thermal expansion. Failure to maintain this gap may result in weld cracking due to the thermal expansion difference between the pipe and the socket welding flange when temperatures rise. Additional strength can be achieved through an internal weld, which is then ground smooth to minimize turbulence and flow restriction.
Socket weld flanges that adhere to ASME B16.5 standards are permissible under the B31 series of Pressure Piping Codes and ASME Boiler and Pressure Vessel Codes. While they are available in sizes up to 3", they are most commonly utilized in sizes of 2" and smaller, making them suitable for small diameter high-pressure piping systems. However, a notable drawback of socket welding is its susceptibility to crevice corrosion. Corrosive solutions from the process fluid may accumulate in the gaps and crevices between the pipe's outer surface and the socket surface of the flange, leading to potential crevice corrosion. As a result, socket welding flanges are typically avoided in corrosive applications.
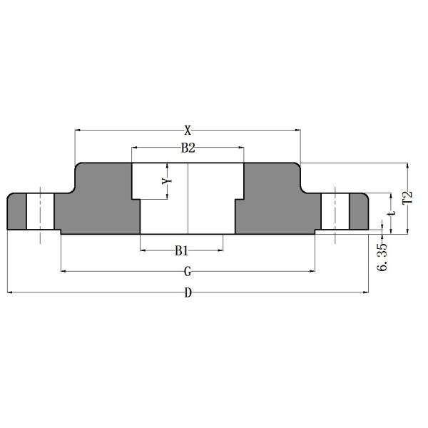
ASME B16.5 Carbon Steel Socket Weld Flange Dimensions:

| ANSI/ASME B16.5 Class 400 SOCKET WELD FLANGES SWRF | ||||||||||||
| Nominal Pipe size | Outside Dia | O.D.of Raised Face | Dia at Base of Hub | Thickness | Bore | Length | Depth of Socket | Drilling | Approximate Weight(lb) | |||
| D | G | X | t | B1 | B2 | T2 | Y | Bolt circle diam | Number of holes | Diam of Bolt | ||
| 1/2'' | 95 | 35.1 | 38.1 | 14.2 | 22.4 | 22.4 | 9.7 | 66.5 | 4 | 15.7 | 2 | |
| 3/4'' | 117 | 42.9 | 47.8 | 15.7 | 27.7 | 25.4 | 11.2 | 82.6 | 4 | 19.1 | 3 | |
| 1'' | 124 | 50.8 | 53.8 | 17.5 | 34.5 | 26.9 | 12.7 | 88.9 | 4 | 19.1 | 3.5 | |
| 1.1/4'' | 133 | 63.5 | 63.5 | 20.6 | 43.2 | 28.4 | 14.2 | 98.6 | 4 | 19.1 | 4.5 | |
| 1.1/2'' | 155 | 73.2 | 69.9 | 22.4 | 49.5 | 31.8 | 15.7 | 114.3 | 4 | 22.4 | 6.5 | |
| 2'' | 165 | 91.9 | 84.1 | 25.4 | 62 | 36.6 | 17.5 | 127 | 8 | 19.1 | 8 | |
| 2.1/2'' | 191 | 104.6 | 100.1 | 28.4 | 74.7 | 41.1 | 19.1 | 149.4 | 8 | 22.4 | 12 | |
| 3'' | 210 | 127 | 117.3 | 31.8 | 90.7 | 46 | 20.6 | 168.1 | 8 | 22.4 | 15 | |
| 3.1/2'' | 229 | 139.7 | 133.4 | 35.1 | 103.4 | 49.3 | - | 184.2 | 8 | 25.4 | 21 | |
| 4'' | 254 | 157.2 | 146.1 | 35.1 | 116.1 | 50.8 | - | 200.2 | 8 | 25.4 | 26 | |
| 5'' | 279 | 185.7 | 177.8 | 38.1 | 143.8 | 53.8 | - | 235 | 8 | 25.4 | 31 | |
| 6'' | 318 | 215.9 | 206.2 | 41.3 | 170.7 | 57.2 | - | 269.7 | 12 | 25.4 | 44 | |
| 8'' | 381 | 269.7 | 260.4 | 47.7 | 221.5 | 68.3 | - | 330.2 | 12 | 28.4 | 67 | |
| 10'' | 445 | 323.9 | 320.5 | 54.0 | 276.4 | 73.2 | - | 387.4 | 16 | 31.8 | 91 | |
| 12'' | 521 | 381 | 374.7 | 57.2 | 327.2 | 79.3 | - | 450.9 | 16 | 35.1 | 130 | |
| 14'' | 584 | 412.8 | 425.5 | 60.4 | 359.2 | 84.1 | - | 514.4 | 20 | 35.1 | 191 | |
| 16'' | 648 | 469.9 | 482.6 | 63.5 | 410.5 | 93.7 | - | 571.5 | 20 | 38.1 | 253 | |
| 18'' | 711 | 533.4 | 533.4 | 66.7 | 461.8 | 98.6 | - | 628.7 | 24 | 38.1 | 310 | |
| 20'' | 775 | 584.2 | 587.2 | 69.9 | 513.1 | 101.6 | - | 685.8 | 24 | 41.1 | 378 | |
| 22’’ | 838 | 641.4 | 641.4 | 73.2 | 564.4 | 108 | - | 743.0 | 24 | 44.5 | 405 | |
| 24'' | 914 | 692.2 | 701.5 | 76.2 | 616 | 114.3 | - | 812.8 | 24 | 47.8 | 539 | |
1.Dimensions are in millimeters(mm).
2.B1 can be specified by different purchasers.
3.ASME B16.5 Class 400 Socket Weld Flanges are only available for sizes 1/2’’-3’’.
Advantages of ASME B16.5 Carbon Steel Socket Weld Flanges:
Compact and Secure Connection: Socket weld flanges provide a compact and secure connection between pipes or fittings. The socket weld design ensures a tight and leak-free joint, making it suitable for high-pressure and high-temperature applications.
Strong and Durable: Socket weld flanges are designed to withstand high-stress conditions. The socket weld joint provides increased strength and rigidity to the connection, making it less susceptible to leakage or failure compared to other types of flanges.
Easy Alignment: Socket weld flanges allow for easy alignment during installation. The socket design provides a clear visual indication of alignment, making it relatively simple to position the pipe correctly before welding.
Space-Saving Design: Socket weld flanges have a compact design, which helps save space in piping systems. This feature is particularly beneficial in applications where space is limited or when the pipeline needs to be installed in tight areas.
Suitable for Small Bore Piping: Socket weld flanges are commonly used in small bore piping systems. Their design makes them well-suited for pipes with a smaller diameter, typically ranging from 1/2 inch to 3 inches.
Lower Installation Costs: Socket weld flanges often require fewer welding passes compared to other flange types, resulting in reduced welding time and lower installation costs. The simplified installation process can help save labor and material expenses.
Enhanced Flow Characteristics: Socket weld flanges provide smooth internal transitions, minimizing turbulence within the piping system. This feature helps maintain a consistent flow rate and reduces pressure drop, making them advantageous in applications that require efficient fluid or gas flow.
Suitable for High-Pressure Applications: Socket weld flanges are capable of withstanding high-pressure conditions, making them suitable for applications that involve elevated pressures, such as in oil and gas, petrochemical, and power generation industries.
Compatibility: ASME B16.5 Socket Weld Flanges conform to industry-standard dimensions and specifications, ensuring compatibility with other mating components and facilitating easy integration into existing piping systems.
Applications of ASME B16.5 Carbon Steel Socket Weld Flanges:
ASME B16.5 Carbon Steel Socket Weld Flanges find applications in various industries and piping systems where carbon steel is the preferred material choice. Some common applications include:
Oil and Gas Industry: Socket weld flanges are widely used in the oil and gas industry for applications such as pipelines, refineries, offshore platforms, and petrochemical plants. These flanges provide a secure and reliable connection for transporting oil, gas, and other hydrocarbon fluids.
Power Generation: Carbon steel socket weld flanges are commonly used in power plants, including thermal power plants and nuclear power plants. They are employed in applications such as steam lines, boiler connections, and other high-temperature and high-pressure systems.
Chemical and Petrochemical Industry: Socket weld flanges are suitable for various chemical and petrochemical processes that involve corrosive fluids or high-pressure conditions. They are used in pipelines, reactors, heat exchangers, and other equipment where chemical compatibility and reliable sealing are essential.
Water and Wastewater Treatment: Carbon steel socket weld flanges are employed in water treatment plants, wastewater treatment facilities, and desalination plants. They are suitable for connecting pipes in water supply systems, sewage systems, and other fluid handling applications.
HVAC (Heating, Ventilation, and Air Conditioning): Socket weld flanges are utilized in HVAC systems, particularly in industrial or commercial buildings. They provide a secure connection for pipes carrying heating or cooling fluids, ensuring efficient and reliable operation of the HVAC system.
Pharmaceutical and Food Processing: In industries with stringent hygiene and cleanliness requirements, such as pharmaceutical and food processing, carbon steel socket weld flanges are used. They are employed in pipelines carrying pharmaceutical ingredients, food products, and other sanitary fluids.
Construction and Infrastructure: Carbon steel socket weld flanges are utilized in construction projects and infrastructure systems, including water supply networks, building plumbing systems, and industrial infrastructure installations.