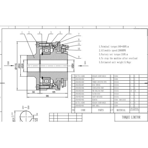
Torque Limitor for Butterfly Valve Wormgearbox


Torque limitor is widely used on butterfly valve,gate valve's gearbox and electric/pneumatic actuators,to protect the actuator damage.
We have various type of the torque limitor,also can customized as per your request.
Wait for your contact.