Split Slip Ring
Panlink understands that down time is extremely expensive. Consequently, we have developed split slip rings practice to significantly reduce the lead time on repairs, allowing for a rapid return.
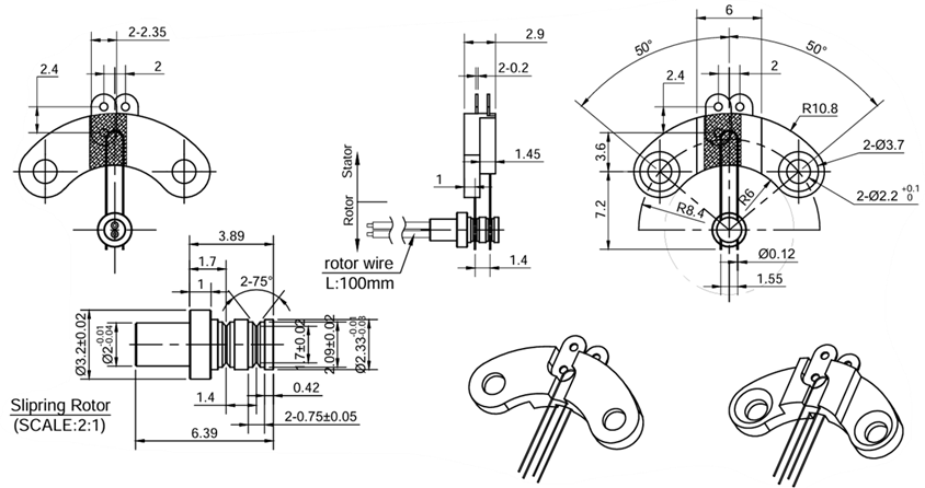
Split Slip Ring is a type of slip ring with an openable housing for maintenance. Its stator and brush holder assembly features a detachable split housing structure, enabling flexible installation and rapid component replacement. This design is specifically engineered for: Large continuously operating equipment with high downtime costs, Long-shaft/enclosed structures where conventional slip rings cannot be installed and Critical infrastructure requiring short maintenance time.
| Applications | |
| • Wind Turbines (Pitch/Yaw Systems) | • Medical CT Rotating Gantries |
| • Industrial Mixers | • Radar Antennas |
| • Large-scale Centrifuges | • Mining Machinery |
| • Marine Propulsion Shafts |
| Features |
| • Easy Mounting |
| • Rapid Maintenance |
| • Low-Cost Upkeep |

| Specification | |
| Model | OPEN2SR |
| Circuit | 2 |
| Voltage | 24VDC |
| Current | 1 A / ring |
| Insulation Resistance | 100 MΩ @ 500 VDC |
| Electrical Noise | ≤30MΩ |
| Dielectric Strength | 200VAC@50Hz, 60s |
| Operating Speed | 30rpm |
| Lifetime | 10 million revolutions |
| Contact Material | Precious Metal |
| Lead Wire | AWG30#Teflon Wires |
| Working Temperature | -55℃~+70℃ |
| Humidity | 60%RH |
| Protection Level | IP00 |