Separate Slip Ring
Panlink provides standard and custom slip ring designs to operate in high temperature environment. These designs are available in compact capsule, miniature through hole, large bore or cylindrical shapes to meet various applications’ technical and mounting need. Higher voltage, speed or pressure are possible. Unique design, critical material selection and high standard tests ensure these high temperature slip ring units’ high quality and reliability.
| Main Application | Feature |
| • Instrumentation | • Separate rotor ( copper ring) and stator (brush block) |
| • Test and measurement equipment | • Support power and signal / data transfer |
| • Avionics | • Easy for mounting |
| • Medical equipment | • Low wear and low electrical noise |
| • Custom machinery | • Maintenance-free and long lifetime |
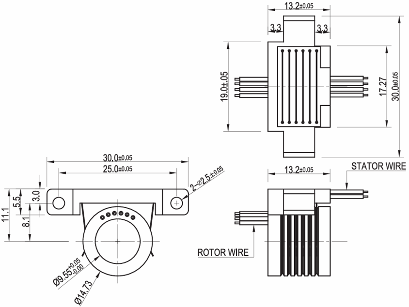
| Model | Rings | Current Rating (amps) | Voltage Rating (VAC) | Size (mm) | Bore (mm) | Speed (rpm) | |
| OD | L | ||||||
| PSR-F9-6 | 6 | 2 | 380 | 14.73 | 13.2 | 9.55 | 100 |
| Remark: Customization is available for current, voltage, speed, power and data combinations. | |||||||
| Model | PSR-F9-6 |
| Voltage Rating | 380VAC |
| Current Rating | Power module: 4 rings 2A USB module: 2 rings 2A |
| Insulation Resistance | 200MΩ @ 500VDC |
| Electrical Noise | 20mΩ max |
| Dielectric Strength | 1000VAC/ 50Hz/ 60s |
| Rotating Speed, Max | 100rpm |
| Torque During Rotation, Max | 0.01N*M @ room temperature |
| Life Time, Min | 10 million revolutions |
| Contact Material | Precious Metal |
| Lead Wires | 300mm AWG#28 Teflon Wires |
| Working Temperature | -20℃ to +60℃ |
| Storage Temperature | -25℃ to +65℃ |
| Relative Humidity | 60% |
PSR- F9-6 Dimensions
