Welcome to Hanjiu Hydraulic's shop
We specialize in orbital hydraulic motors. Customers use our hydraulic motors as high-quality direct replacements for Danofss, Eaton Char-lynn, White, M+S, Parker
We are glad that more and more customers choose Hanjiu hydraulic motors
We will continue to serve more customers with higher quality, lower prices, and faster delivery
BME2-100-H4S-K BME2 Series Hydraulic Motor 100ml/r 4-bolt flange with 25.4mm Key shaft
This series is the BME2 series hydraulic motor
Model: BME2-100-H4S-K
Displacement: 100 ml/r
Flange: 4-bolt
Rotation :Standard
Here is it's technical details:
| Type | BME2 | BME2 | BME2 | BME2 | BME2 | BME2 | BME2 | BME2 | BME2 | BME2 | BME2 | |
| 65 | 80 | 100 | 125 | 160 | 200 | 230 | 250 | 295 | 315 | 375 | ||
| Geometric displacement (cm3 /rev.) | 66.8 | 81.3 | 101.6 | 127 | 157.2 | 193.6 | 226 | 257 | 287.8 | 314.5 | 370 | |
| Max. speed (rpm) | cont. | 667 | 543 | 439 | 350 | 283 | 229 | 247 | 216 | 196 | 178 | 152 |
| int. | 842 | 689 | 553 | 441 | 355 | 289 | 328 | 287 | 254 | 235 | 199 | |
| Max. torque (N•m) | cont. | 126 | 157 | 191 | 245 | 307 | 382 | 378 | 381 | 393 | 448 | 439 |
| int. | 176 | 215 | 268 | 335 | 422 | 520 | 528 | 543 | 547 | 587 | 613 | |
| Max. output (kW) | cont. | 8.3 | 8.8 | 7.9 | 8.9 | 8.9 | 9 | 9.9 | 9.3 | 8.7 | 8 | 7.6 |
| int. | 13.9 | 14.4 | 13.5 | 14.1 | 15.6 | 15.7 | 17.9 | 16.5 | 15.6 | 14.3 | 14 | |
| Max. pressure drop (MPa) | cont. | 14 | 14 | 14 | 14 | 14 | 14 | 12 | 11 | 10 | 10 | 9 |
| int. | 19 | 19 | 19 | 19 | 19 | 19 | 165 | 15.5 | 14.5 | 13.5 | 12.5 | |
| peak | 20 | 20 | 20 | 20 | 20 | 20 | 18 | 18 | 17 | 16 | 16 | |
| Max. flow (L/min) | cont. | 45 | 45 | 45 | 45 | 45 | 45 | 57 | 57 | 57 | 57 | 57 |
| int. | 57 | 57 | 57 | 57 | 57 | 57 | 75 | 75 | 75 | 75 | 75 | |

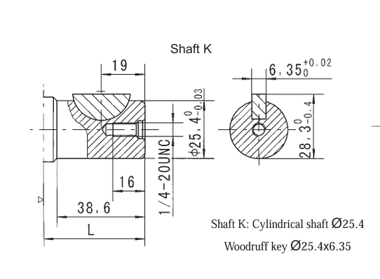
Drawing:


More drawing for BME2 series hydraulic motors:





Hanjiu BME2 series Gerotor Motors include ligh duty motors to replace Parker Light Duty Motor TB Series, TJ Series, TC Series, TS Series, TE Series. Also have more other series Gerotor Motors include medium duty motors to replace Parker Medium Duty Motor TF Series, TG Series, TH Series. They are rugged Low Speed High Torque (LSHT) orbital motors featuring robust construction with continuous oil flow across splines for longer life, superior side load capacity, and smooth extra low speed operation. A high pressure shaft seal is standard. Dependability is based on high quality design and manufacturing.