Charlynn H Series Medium Motor 1 in. Straight w/.40 Dia. Crosshole SAE 4 flange high torque high rpm motor
Product details:
| type | BMPH |
| displacement | 315cc |
| flange: | 4-3/8-16 Square-flange , pilot Ø 44.4 2.8 |
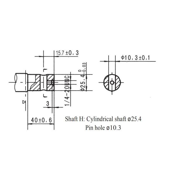
| shaft | Shaft Ø25.4, cylindrical shaft with pin holeφ10.3/0.406" |
| oil port | 1/2-14 NPTF, 7/16-20UNF |
A hydraulic motor is essentially a hydraulic pump in reverse. It has one or more pistons that move in a cylinder, with valves and timing, rather like an internal combustion engine powered by compressed air.
Main advantages are that the "motor" itself is quite small, and generates little heat compared to an electric motor. Also, this is a high torque but low speed shaft, so there's no need for a gearbox in situations where an electric motor would need a gearbox.




| • Agricultural augers, harvesters, seeders |
| • Car wash brushes |
| • Food processing |
| • Railroad maintenance equipment |
| • Machine tools |
| • Conveyors |
| • Industrial sweepers and floor polishers |
| • Saw mill works |
| • Turf equipment |
| • Concrete and asphalt equipment |
| • Skid steer attachments |
| • Many more |
We are professional manufacturer produce Hydraulic Orbital Motors,our motors match and Char Lynn and M+S and Brevini motor series,we have the most completely range of hydraulic motors from China
Please contact me for more details.
Tracy whatsapp/wechat :+8618132660311
