Features
Up to 10km reach for G.652 SMF Cooled 4x25Gb/s LAN WDM DML TOSA with optical MUX
4x25G Electrical Interface Single +3.3V power supply DDM function implemented
2 Wire Serial Interface for modulemanagement
Maximum power dissipation<4.5W Operating temperature range: 0℃ ~ 70℃
Compliant with RoHS6
Applications
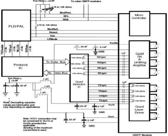
Typical Application Circuit

Optical Characteristics (Tc=0 oC to 70 oC and Vcc= 3.14 to 3.46)
| Parameter | Symbol | Unit | Min | Typ | Max | Notes |
| Transmitter(per Lane) | ||||||
| Signaling Speed per Lane | GBd | 25.78125 ± 100 ppm | ||||
| Lane Wavelength (range): | 1294.53 – 1296.59 1299.02 – 1301.09 1303.54 – 1305.63 1308.09 – 1310.19 | |||||
| L0 | ||||||
| L1 | nm | |||||
| L2 | ||||||
| L3 | ||||||
| Total Average Launch Power | Pout | dBm | 10.5 | |||
| Transmit OMA per Lane | TxOMA | dBm | -5 | 5 | ||
| Average Launch Power per Lane | TXPx | dBm | -4.3 | 4.5 | ||
| Optical Extinction Ratio | ER | dB | 3.5 | |||
| Side-Mode Suppression Ratio (SMSR) | SMSR | dB | 30 | |||
| Average launch power of OFF transmitter, per lane | dBm | -30 | ||||
| Relative Intensity Noise | RIN | dB/Hz | -128 | |||
| Optical Return Loss Tolerance | dB | 20 | ||||
| Transmitter Reflectance | dB | -12 | ||||
| Transmitter Eye mask definition {X1,X2,X3, Y1,Y2,Y3} |
{0.25,0.4,0.45,0.25,0.28,0.4} | |||||
| Receiver(per Lane) | ||||||
| Signaling Speed per Lane | GBd | 25.78125 ± 100 ppm | ||||
| Lane Wavelength (range): | 1294.53 – 1296.59 1299.02 – 1301.09 1303.54 – 1305.63 1308.09 – 1310 19 | |||||
| L0 | ||||||
| L1 | nm | |||||
| L2 | ||||||
| L3 | ||||||
| Average Receiver Sensitivity per Lane | Rxsens | dBm | -8.6 | dBm | ||
| Average Received Power per Lane | RXPx | dBm | -11 | 3.4 | ||
| Damage Threshold Per Lane | Pmax | dBm | 3.4 | |||
| Return Loss | RL | -26 | ||||
| Vertical eye closure penalty, per lane | dB | 1.9 | ||||
| Receiver electrical 3dB upper cutoff frequency,per lane | GHz | 31 | ||||
| LOS De-Assert | LOSD | dBm | -13 | |||
| LOS Assert | LOSA | dBm | -30 | |||
| LOS Hysteresis | dB | 0.5 | 1.5 | 5 | ||
Real Picture



Package & Shipping
International Express: DHL, FedEx,EMS,TNT, UPS and so on. It takes 3-7 days.
Our Service
OEM/ODM order is available
We promise all the advertised optical modules are brand new and absolutely never use old and refurbished materials. All the optical modules have been through functional test and aging test. We provide 3 years warranty for all the optical transceivers from the date of shipment.