FLEXIBLE SSMS SPUNBOND AND MELT-BLOWN COMPOSITE NON WOVEN FABRIC PRODUCTION LINE

4000 SMMS Model
| Effective Width | 4000mm |
| Weight Range | 9 - 100 g / ㎡ |
| Out put daily | 17 - 30 ton |
| Machine speed | ≦ 450 m / min |
| Transformer | ≈ 2200 KVA |
| Power Consumption | 1700º - 1900 º / Ton |
| Machine Size | 55 *28* 12 M |
HHM SMMS Product application
| Material | PP chip | Weight range | 10-150 g/m2 |
| Model | HHM-1.6SMMS/HHM-2.4SMMS HHM-3.2SMMS/HHM-4.0SMMS/HHM-4.8SMMS | Fabric usage | Medical applicant,shopping bag , packing Operation suit,face mask, baby diaper.etc |
HHM SMMS Non woven fabric making catalog
| Effective width(mm) | 1600 | 2400 | 3200 | 4000 | 4800 |
| Output(ton/year) | 4000T | 6200T | 5400T | 10500T | 12700T |
| GMS Range(g/㎡) | 9-100 | 9-100 | 9-100 | 9-100 | 9-100 |
| Max.speed(m/min) | 450 | 450 | 450 | 450 | 450 |
SMS Model
| Effective width(mm) | 1600 | 2400 | 3200 | 4000 | 4800 |
| Output(ton/year) | 3200T | 5100T | 7000T | 8700T | 10500T |
| GMS Range(g/㎡) | 9-100 | 9-100 | 9-100 | 9-100 | 9-100 |
| Max.speed(m/min) | 350 | 350 | 350 | 350 | 350 |
| Model | Effective width | Daily capacity | Speed | Spinning system | GSM Range | Machine dimension Length*Width*Height | |
| HH-1600M | 1600MM | 2000Kg | 70M/Min | Meltblown | 15-300 | 18*10*10 meter | |
| HH-2400M | 2400MM | 3000Kg | 18*11*10 meter | ||||
| HH-3200M | 3200MM | 4500Kg | 18*13*10 meter | ||||
| HH-1600S | 1600MM | 5000Kg | 150M/Min | Spunbond (S) | 9-250 | 18*8*12 meter | |
| HH-2400S | 2400MM | 7000Kg | 18*10*12 meter | ||||
| HH-3200S | 3200MM | 10000Kg | 18*15*12 meter | ||||
| HH-1600SS | 1600MM | 9000Kg | 350M/Min | Spunbond (SS) | 8-150 | 45*15*12 meter | |
| HH-2400SS | 2400MM | 13000Kg | 45*18*12 meter | ||||
| HH-3200SS | 3200MM | 16000Kg | 45*20*12 meter | ||||
| HH-1600SSS | 1600MM | 12000Kg | 550M/Min | Spunbond (SSS) | 9-120 | 50*15*12 meter | |
| HH-2400SSS | 2400MM | 16000Kg | 50*18*12 meter | ||||
| HH-3200SSS | 3200MM | 24000Kg | 50*20*12 meter | ||||
| HH-1600SMS | 1600MM | 10000Kg | 350M/Min | Spunbond/ Meltblown/ Spunbond/ | 9-100 | 45*20*12 meter | |
| HH-2400SMS | 2400MM | 14000Kg | 45*23*12 meter | ||||
| HH-3200SMS | 3200MM | 18000Kg | 45*25*12 meter | ||||
| HH-1600SMMS | 1600MM | 12000Kg | 450M/Min | Spunbond Meltblown Meltblown Spunbond | 9-100 | 55*20*12 meter | |
| HH-2400SMMS | 2400MM | 17000Kg | 55*23*12 meter | ||||
| HH-3200SMMS | 3200MM | 23000Kg | 55*25*12 meter |
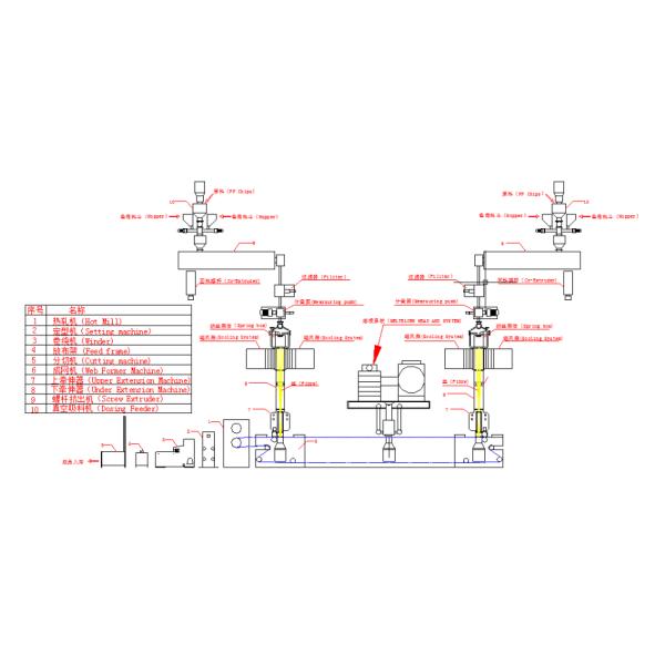
Parts of spunbonded nonwoven fabric production line:
Recycle extrude→Main extruder→Filter→Metering pump→Monomer suction device→spinning box( Changzhou/ENKA/KASEN spinneret )→Quenching air chamber→stretching device→Web former→Calender→Winder→Slitter
Spunbonded process and technical flow chart:
Additive(Recycling off-cut fabric)→Raw material→Melting→Filtering→Measuring→Spinning→Cooling→Stretching→Web forming→Calendering→Winding→Cutting→Final product
Parts of Melt blown nonwoven fabric production line:
Main extruder→filter→Metering pump→Air heating system→Melt blown sprayer (ENKA sprayer)→Web former→Winder→Slitter
Melt blown process and technical flow chart:
Raw material →Melting→Filtering→Measureing→Air heating→Spraying→Web forming→Winding→Cutting→Final product
working process chart


Main parts of SMMS non woven fabric making line

Melting Filter Also known as a quantitative pump or proportional pump, it is a reciprocating pump that can adjust the flow rate, and its flow can be adjusted stepless in the range of 0-100%. The characteristic is that the discharge pressure can be kept constant when the flow is adjusted. A device used to measure the amount of PP melts.
Spinning beam One of the main components of the melt spinning machine is a polymer melt through the filter into the spinning box and spinning through the melt distribution and heat preservation. A rectangular metal box with a box for outsourced insulation. It contains the melt distribution

Upper Stretching Device Make the tow tensioned."
Lower Stretching Device Make the tow even more uniform before entering the netting mach
the electric control cabinet to electric power distribution and control equipment power."

Vacuum calcinator
The latest chemical fiber component, filter core cleaning equipment. It is suitable for the ordinary spinneret used for polyester, polyamide and polypropylene fiber."

Two cooling blower for each other pressure gauges, pressure switches, air channel transfer baffles, air oil and water filter separators, cooling fan control cabinet and so on. Two cooling fans share a control cabinet to automatically control the start and stop of the two typhoon machines. The cooling wind can be taken directly from the air or from the outlet of the fan.
Suction blower is used to pump, exhaust gas, and to compress the gas, and convert the energy input into the kinetic energy and potential energy of the gas in order to increase the unit energy of the gas.
High - precision CNC tools make sure machining part beyond customer request


Exihibition Show with customer


packing and delivery
| Loading Details | |
| Container | 4-12 Pcs of 40HQ Container |
| Port | Nanjing or Shanghai Port |
|
Packing Details | The normal package is wooden Cases.
Some of huge equipment will load with wooden case;.
Each container weight 20-25 Tons. |



FAQ
1.Q:I already have one factory but there is a little difference in the size,for example the height can't meet 13m,only 12m?
A:Don't be worry. Your machine could be customized.
2.Q:How to make sure your machine's quality?how about the service?
A:Each machine gets ISO9001:2008,CE, SGS. And warranty is one year. you can enjoy the service within production lifetime.
3.Q:How can I get right machine for myself, if I have no ideal about it?
A:Tell me what kind of fabric that you want, how much you want to produce and your factory szie etc. We will design for you.