Original P Channel Transistor / High Voltage Transistor 50P06D TO-252
P Channel Transistor DESCRIPTION
The 50P06D uses advanced trench
technology to provide excellent R DS(ON)
and low gate charge .This device is
suitable for use as a load switch or in
PWM applications
P Channel Transistor GENERAL FEATURES
V DS =- 60V,I D =-50A
R DS(ON) < 25mΩ @ V GS =-10V
R DS(ON) < 30mΩ @ V GS =-4.5V
High Power and current handing capability
Lead free product is acquired
Surface Mount Package
P Channel Transistor Application
PWM applications
Load switch
Power management

Package Marking and Ordering Information

ABSOLUTE MAXIMUM RATINGS(TA=25℃unless otherwise noted)

ELECTRICAL CHARACTERISTICS (TA=25℃unless otherwise noted)

NOTES:
1. Repetitive Rating: Pulse width limited by maximum junction temperature.
2. Surface Mounted on 1in 2 FR4 Board, t ≤ 10 sec.
3. Pulse Test: Pulse Width ≤ 300μs, Duty Cycle ≤ 2%. 4. Guaranteed by design, not subject to production testing.
TYPICAL ELECTRICAL AND THERMAL CHARACTERISTICS


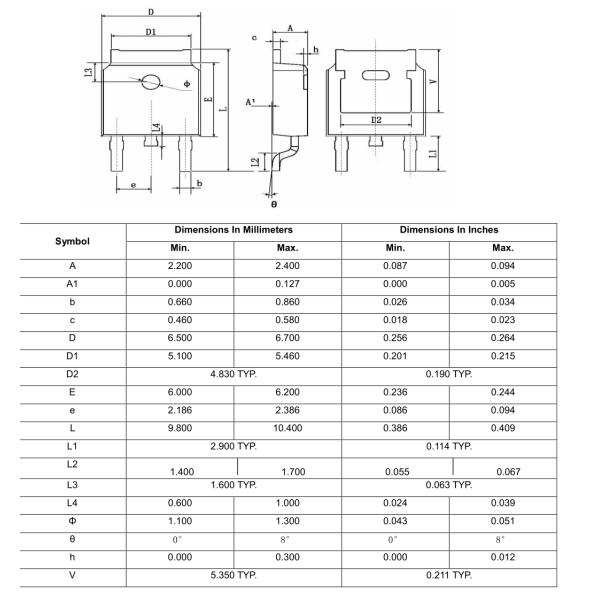
DFN5X6-8 Package Information
