This high-speed long-life slip ring ensures consistent electrical performance even during rapid rotation. It is commonly used in dynamic data acquisition systems, rotating sensor platforms, and high-speed monitoring equipment.
Technical parameters
|
Electrical specifications |
|
|
Design loop |
20 |
|
Insulation resistance |
200MΩ/250V/DC |
|
Rated voltage/current |
250VDC/3A |
|
Dielectric strength |
≥250VAC/50Hz/60s |
|
Dynamic resistance change value |
≤10mΩ |
|
Wire length |
Standard 300 ± 20mm (optional) |
|
Mechanical specifications |
|
|
Rated speed |
0~3000 rpm |
|
Working life |
10 million~100 million circle |
|
Operating temperature |
-45℃ ~ 60℃ |
|
Contact material |
Gold-gold |
|
Shell material |
Alluminum alloy/304 stainless steel/316L stainless steel |
|
Maximum starting torque |
3.5N.cm |
|
IP grade |
IP51 |
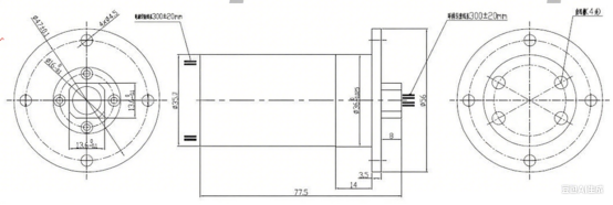
Outline Drawing

Technical advantages:
ü Slipring's core technology - friction pair technology: gold metal contact technology, ensuring an ultra long service life.
ü Integrated casting process: Ensure the concentricity between the ring groove and the bearing is ≤ 0.01mm.
ü Mirror processing technology: Ensure that the smoothness of the slip ring contact surface can reach Ra0.02, making the contact more reliable.
ü Precision component manufacturing process: dimensional tolerance<0.01mm, axial displacement<0.01mm, high precision, and more stable performance.
ü Advanced brush wire modulation technology: Nearly zero pressure brush design and debugging process, extending the life of the slip ring by 1/3.
ü High speed, this slip ring can reach a maximum speed of 8000 revolutions per minute (with cooling system).
ü Long lifespan, with a maximum lifespan of up to 100 million revolutions per minute.