Small size M1.7 lead screw permanent magnet 8mm 18° step angle linear stepper motor
Description:
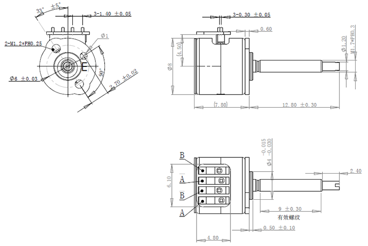
This is our VSM08284 8mm permanent magnet motor with M1.7*P0.3
The lead screw is designed for a specific projected, and it’s not standard lead screw shaft.
We are able to customize it into M2*P0.4 standard lead screw if you want.
Not only lead screw type, also coil resistance and lead screw length, cable length and connector type is also customizable.
Motor parameters:
| Motor type | PM stepper motor with lead screw |
| Model No. | VSM08284 |
| Lead screw | M1.7*P0.3(adjustable) |
| Rated voltage | 5V DC |
| Coil resistance | 16Ω±10% |
| Step angle | 18 degrees |
| Max starting frequency | 800 PPS min. (at 5V DC) |
| Max response frequency | 2000 PPS min (at 5V DC) |
Design drawing:

Product display:

Application of stepper motors:
Stepper motors are used for precise control, widely used on medical equipment, 3D printer, industrial precise control, automation equipment, etc.
Stepper motors can be used in any mechanisms requirement precise conrtol and rotational/linear movement.
Advantage of stepper motors:
Stepper motor can reach precise control even without close-loop encoders / without feed back system, also they do not have electrical brushed. Thus there is no electromagnetic interference and electrical sparks issues. In some cases, they can replace DC brushed motors/ brushless motors.
Stepper motors are easy to control with drivers, and this feature establish its important position in the field of precise control.
1. Precise control achievable, programmable
2. Without electromagnetic interference & electrical sparks
3. Small size
4. Reasonable price
5. Low noise
6. Long service life
Our company information:
Changzhou Vic-tech Co., Ltd is founded in 2011. It has been specializing in producing micro motors and accessories , with over 20 years of R&D experience in motor industry.
After ten years of continuous innovation and development, we started to expand international business, with exports to Europe, South America, Canada, USA, Asia, and Australia.
We offer OEM/ODM service, and ensure timely response, personal test, safe packaging, on time delivery. One of the biggest reasons behind this success is our efficient after-sale service, ensure timely and professional assistance for clients.
Our service:
FAQ:
1. Are you a manufacturer or a trader?
We are a manufacturer. We produce motors ourselves.
2. Where is your factory? Can we visit your factory?
Our factory is located in Changzhou city. Feel free to visit us if you want.
3. Do you provide customized samples/ free samples?
We are able to do customization on samples, and it cost extra customization cost.
No, we don’t send free samples.
4. What’s the lead time on samples?
For samples in stock, lead time is within 3 days.
For samples not in stock, lead time is about 15 days.
For customized samples, lead time is about 25 to 30 days.
5. What customization service do you provide?
We have a developing team for over 20 years experience.
We provide customization service on all sorts of motor’s components.
From motor’s slider, lead screw, gearboxes design.
To cable length, connector type, and FPC design.