12W DALI DT8 Dimmable LED Driver 100ma to 500ma NFC programmable led driver
1. Description
-Flicker-free for the whole dimming range
-Stand-by power below 0.5W
-NFC technology for wireless programming
-Built-in DALI interface DT8
-CLO compensation
-Centrally-supplied DC emergency operation DT19
-Primary dimming with push button; with memory function
-Protection: short circuit / over temperature/ over voltage
-Derating the current for high ambient temperature
-Quick wiring, convenient, and time-saving
-5-year warranty
2. Parameters
| Input | Operating Voltage | 198-264Vac 50Hz/60Hz | ||||||
| Rated Input Voltage | 220-240Vac 50Hz/60Hz | |||||||
| DC Input Voltage range | 200-240Vdc | |||||||
| Input Current | 0.13A Max. | |||||||
| Input Inrush Current | <15A (Half current pulse width100μs) @230Vac | |||||||
| Power factor(@230V100% load) | ≥ 0.9C | |||||||
| Total harmonic distortion | Typical:15% (@230Vac, 100% load) | |||||||
| Stand-by power | ≤0.5W (@230Vac when DALI turns off) | |||||||
| Efficiency(@230Vac,100% load) | 82% | |||||||
| Wiring Method | 0.75-1.5mm2 | |||||||
| Automatic circuit breaker (Calculate current in the wire) | type | B10 | B13 | B16 | B20 | B25 | / | |
| Number | 30 | 40 | 55 | 70 | 80 | / | ||
| type | C10 | C13 | C16 | C20 | C25 | C32 | ||
| Number | 65 | 80 | 95 | 125 | 150 | 190 | ||
| Output | Operating mode | Constant Current | ||||||
| Load type | LED | |||||||
| Ripple requirement (Flickering or Flickering-Free) | Flicker value: less than 5% for the whole dimming range | |||||||
| Start-up time | <1s (@230Vac); <0.5s (@200Vdc) | |||||||
| No-load output voltage | 48V DC Max. | |||||||
| Load output voltage range | 9-42V DC | |||||||
| Full load output power | 12W | |||||||
| Load output current | 100-500mA | |||||||
| Constant current/voltage Precision | Constant Current Precision ±5% | |||||||
| Wiring method | Push terminal, wire cross section:0.5-1.5mm2 | |||||||
| Control Method | DALI Dimming | DALI dimming (Max.lead length: 300M) | ||||||
| Dimming range | Primary PUSH & DALI dimming: 0%-100% | |||||||
| Exception Protection Requirements | Output over temperature protection | Yes, without a self-recovery function (Can be inquired) | ||||||
| Output short circuit protection | Yes, without a self-recovery function (Can be inquired) | |||||||
| Operating Environment | Operating temperature/ humidity | -25℃~60℃ Humidity: 85% (Non-condensing) | ||||||
| Storage temperature/ humidity | -40℃~80℃, Humidity: 85% (Non-condensing) | |||||||
| Max. case temp(Tc) | 85℃ | |||||||
| Safety& EMC | EMC standard | EN55015 EN61547 EN61000-3-2 EN61000-3-3 | ||||||
| DALI protocol standard | IEC62386-101 / 102 / 207 DT6 / 209 DT8 / 251 / 252 / 253 | |||||||
| Safety standard | EN61347-1 EN61347-2-13 | |||||||
| Certification | CE | |||||||
| Withstand voltage | 3750Vac, 5mA, 60s (Input “L N”- Output “SEC”) | |||||||
| Others | Degrees of protection | IP20 | ||||||
| Type of protection | Class II | |||||||
| Installation type | Independent installation | |||||||
| Dimension | 130*35*21mm | |||||||
| Blackout memory function | Yes, PUSH blackout memory | |||||||
| PUSH dimming synchronization | Parallel: 15 units Max. Series: 25 units Max. | |||||||
| Packaging requirement | PE bag + kraft box + manual + partition + outer box (K=A) | |||||||
| Weight | 75±5g | |||||||
| Life | 5 year @Ta full load | |||||||
| Note: All parameters are tested at the input voltage of 230VAC and 25-degree environment unless specified. | ||||||||
3. Dimension (Unit: mm)

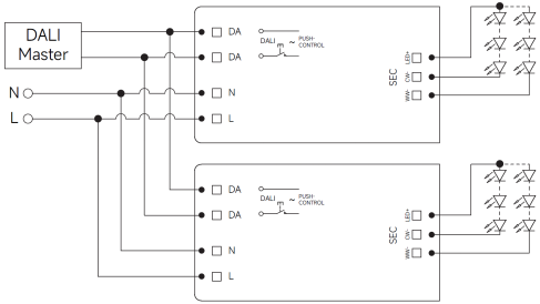
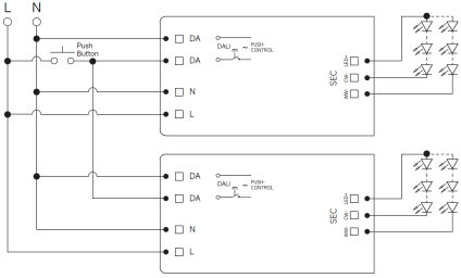
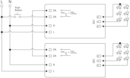
4. Wiring Diagram

Fig A DALI Dimming


Fig B PUSH Dimming
5. Derating

6. Dimming curve


7. Current gear setting
| KL12CC-PDiiN | |||
| Current(mA) | Pomax(W) | Uout(V) | |
| 100 | 4.2 | 9~ | 42 |
| 150 | 6.3 | 9~ | 42 |
| 200 | 8.4 | 9~ | 42 |
| 250 | 10.5 | 9~ | 42 |
| 300 | 12.0 | 9~ | 40 |
| 350 | 11.9 | 9~ | 34 |
| 400 | 12.0 | 9~ | 30 |
| 450 | 12.2 | 9~ | 27 |
| 500 | 12.0 | 9~ | 24 |
The typical current data sets are for reference when selecting LED fixture models. More current levels can be set by NFC using a mobile APP adjustable in 1mA steps.

Scan the code to download Merrytek NFC
8. ON/OFF & Description of Dimming Operation
A. Short-press the PUSH switch (short press time 0.1s-1s), the LED driver will turn on or off.
B. Dimming: Press and hold the PUSH switch (1s-8s), the LED driver can achieve dimming, brightening, or dimming, the dimming range is 2-100%.
C. Color temperature adj:
Step 1, PUSH turns off the lights; Step 2, press and hold PUSH to adjust the color temperature starting from the current brightness; Release PUSH, press and hold PUSH again, and adjust the color temperature in the opposite direction; No operation for 5 seconds, exit color adjustment mode.
D. Memory: PUSH dimming has a dimming memory function.
E. Dimming synchronization: The power connected to the same PUSH switch can be synchronized by pressing and holding the PUSH switch for longer than 15s
F. DALI dimming mode: Connect the power supply to the DALI system, and it can be dimmed by the DALI host. The dimming range is 0-100%.
9. Matters needing Attention
1) The LED string must be connected to the load before turning on the input power, otherwise the LED string may be damaged.
2) After the LED drive input is powered off, there will be a residual voltage at the output, which can be maintained for about 3 minutes.
3) Before setting the parameters by NFC, please make sure the driver is powered off.