Tuya Zigbee 24GHz Wireless Presence sensor with detecting angle adjustable for the hotel room
1. Feature
1) Patented 24GHz Presence Detection Technology
2) Accurate Presence/Absence Output regardless of deep-sleep
3) Tuya Zigbee communication available
4) Detection antenna flippable from -30°to 30°
5) 24Ghz ISM Band Millimeter Wave Radar technology
6) Sensor parameter adjustable and group assignment by Tuya app
2. Parameters
| Input/Output | Input voltage | 100-240Vac 50Hz/60Hz |
| Rated voltage | 220V AC | |
| Working Current | 12mA max | |
| Working Power | ≤1W 220V AC | |
| Wireless module | Communication module frequency | 2.4GHz-2.484GHz ZIGBEE Transmitting Frequency: 10dB Receiving Sensitivity: -101±2dBm |
| Sensor Parameter | Radar frequency | 24GHz-24.25GHz ISM band |
| Transmitting Power | 5mW Max. | |
| Detection Area | APP setting :1 level-12 level | |
| Hold Time | APP setting:30s /1min / 2min/3min /5min /10min /20min/30min | |
| Daylight measure range | 0-1200Lux | |
| Radius detection range(based on QS1 mode 100% sensitivity) | Motion/Presence(3m height):2.5-4m | |
| Mounting Height | Available | |
| Remote control | 2.5-4.0m | |
| 3db Beam Angle | 100°(horizontal) | |
| 100°(vertical) | ||
| Application Environment | Drill hole | Φ70mm |
| Working Temperature | 0℃...+50℃ | |
| Storage Temperature | -25℃~+80℃ | |
| Certificate Standard | Certificate | FCC/RED |
| Environmental Requirement | Compliant to RoHS | |
| IP Rating | IP20 | |
| Note: "N/A" means not available. | ||
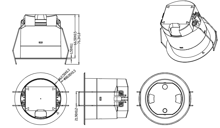
3. Dimension ( mm)


4. Wiring

5. Initialization
When powered on, the sensor indicator will turn off after flashing for 20s and will not detect a moving signal during this time. After 20S, you can use the Tuya app to adjust the detection area, hold time, daylight sensor, etc
6. Detection area

7. Angle adjustable example


8. Factory Setting
Detection Area:12 level; Hold Time : 1min; Indicator light: open