1. Features:
2. Parameters:
| Input | Rated Input Voltage | 120/277/347Vac |
| Stand-by Power | ≤1.0W | |
| Wiring Method | Wiring connection Wire diameter:18AWG | |
| Output | Operating Mode | ON/OFF 1-10V |
| Load Power | 800W Inductive 1200W Resistive @347VAC 1200W Inductive 1600W Resistive @480VAC | |
| 1-10V Dimming | < 50mA (Non constant current source) | |
| Wiring Method | Wiring connection Wire diameter:18AWG | |
| Sensor Parameters | HF Operating frequency | 5.8 GHz ±75 MHz,ISM wave band |
| HF Radiated power | 0.5mW Max. | |
| Detection Area | 100%/50%(Remote control:100%/50%) | |
| Hold time | 5S/30S/1min/3min/20min/30min(Remote control:5S/30S/1min/3min/5min/10min/20min/30min) | |
| Stand-by Level | 0s/1min/3min/10min/30min/Disable(Remote control:0s/10S/1min/3min/5min/10min/30min/Disable) | |
| Daylight Sensor | 5lux/15Lux/30Lux/50Lux/100lux/150lux/Disable(Remote control:5lux/15Lux/30Lux/50Lux/100lux/150lux/Disable) | |
| Stand-by Dim Level | 10%/20%/30%/50%(Remote control:10%/20%/30%/50%) | |
| Mounting Height | Max. Mounting height:12m Max. | |
| Detection Angel | 150°(wall mounting), 360°(ceiling mounting) | |
| Operating Environment | Operating temperature | -35℃~+55℃ |
| Storage temperature | -40℃~+80℃ | |
| Safety & EMC | Isolation pressurization | N/A |
| EMC | N/A | |
| Others | Certificate requirement | UL |
| IP rating | IP65 | |
| Protection Class | N/A | |
| Installation requirement | Independent Installation | |
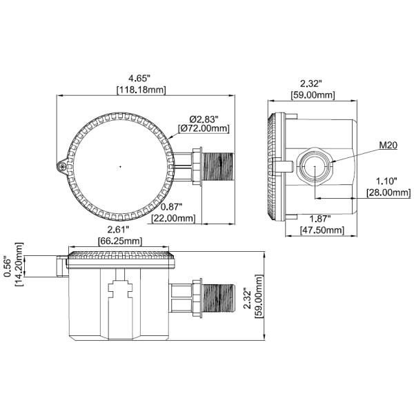
| Installation size | ¢72*59mm | |
| Packaging requirement | Bubble bag + Clapboard +Outer Carton (K=A) | |
| Life | 50000h |

4. Wiring Diagram


5. Function

6. Settings
| 1 | |
| 100% | ON |
| 50% | - |
| 2 | 3 | 4 | |
| 5s | ON | ON | ON |
| 30s | - | ON | ON |
| 90s | ON | - | ON |
| 3min | - | - | ON |
| 20min | ON | ON | - |
| 30min | - | - | - |
| 1 | 2 | 3 | |
| 5s | - | - | - |
| 5min | ON | ON | - |
| 10min | - | - | ON |
| 30min | ON | - | ON |
| 1h | - | ON | ON |
| +∞ | ON | ON | ON |
| Brightness % | Constant Voltage Output | 4 | 5 |
| 5-10% | 1.5±0.2V | ON | ON |
| 15-20% | 2V±0.2V | ON | - |
| 25-30% | 3V±0.2V | - | ON |
| 45-50% | 5V±0.2V | | - |
| 6 | 7 | 8 | 9 | |
| 5Lux | ON | ON | ON | ON |
| 15Lux | - | ON | ON | ON |
| 30Lux | ON | - | ON | ON |
| 50lux | - | - | ON | ON |
| 100lux | ON | ON | - | ON |
| 150lux | ON | ON | ON | - |
| Disable | - | - | - | - |