Nitric Oxide Medical Gas Valve Box Prevent Leakage Medical Gas Equipment
Features
- Includes shut-off valve and check valve with NIST connection, easy to operate and maintain.
- Diaphragm-sensed regulator provides a consistent outlet flow.
- Pressure gauges included to provide accurate reading of pressure.
- HTM 02-01 compliant.
- Gas service: Oxygen, Nitrogen, Air, Vacuum, and other medical gas.
- Maximum operating pressure:
- Pressure: 200 psi; Vacuum: -8.7 psi
- Design Pressure:
- Pressure line: 232 psi; Vacuum line : -14.5 psi
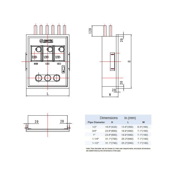
- Configuration (3 valve):
- Both inlet pipe and outlet pipe face upward (vertical)
Specifications
| Main material | Stainless steel |
| Gas type | Vacuum, air, O2, N2, CO2, N2O |
| Gas pipeline quantity | One or customized |
| Copper pipeline diameter | DN15, DN25, DN50 or customized |
