
1. Product Overview and Uses:
DZLG series spiral vacuum dryer is a highly efficient and multi-functional fully enclosed vertical vacuum drying equipment integrating drying, crushing and powder mixing. Its drying efficiency is 3-5 times that of the "double cone rotary vacuum dryer" of the same specification. It is mainly used for powder drying in the pharmaceutical, chemical, pesticide, food and other industries. It can realize the closed and continuous operation of the whole process. It is the preferred equipment for drying in the above industries.
2. Equipment process characteristics:
Drying and mixing of powder is an important link in the production of APIs, so the selected dry mixing equipment is the guarantee of the quality of its final product, and it is also the key to determine the production and operation costs. The "DZLG series single cone spiral vacuum dryer" newly developed by our company leads the drying technology of the domestic chemical and pharmaceutical industry with its unique structure and absolute advantages.
(1) The selection of the dryer needs to meet the specific requirements and characteristics of various products and processes. Its content is mainly the following aspects:
1. Most of the raw materials processed in the production process are thermally sensitive, so agglomeration of materials often occurs during the drying process, which requires shortening the drying time as much as possible and improving the drying efficiency.
2. In the production of materials, the purity of the circulating gas used in the drying process will greatly affect the quality of the materials. The equipment uses a unique gas supply technology to minimize the impact of gas on the drying process. From the point of view of operating economy, it is hoped that all process pipelines can be fixedly installed, thereby saving the slewing space required by the double cone dryer.
3. In order to make the whole process continuous and reduce the leakage of materials at the same time, the solid discharge flow of the dryer is controllable. This can reduce the workload of manual operation and loading and unloading in the cleaning area, and prevent the phenomenon of external flushing of materials.

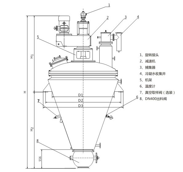
(2) Structure and characteristics of DZLG series single cone vacuum ribbon dryer:
1. The working process of DZLG series single-cone vacuum screw belt dryer is intermittent batch operation. After the wet material enters the silo, heat is supplied through the barrel wall jacket and the inside of the propeller, so that the heating area reaches 140% of the entire container area. Drying at elevated temperature. And choose the corresponding cone type dry mixer model (working volume) to achieve the ideal drying effect. The mixing dryer adopting the upper drive type structure has the characteristics of efficient drying and mixing ability, at the same time, it has plenty of space and is more convenient for users to carry out maintenance and repair.
2. Stable operation and protection of crystal form:
DZLG series spiral vacuum drying does not use any auxiliary tools during the drying and mixing process, only using the revolution and rotation of the cone-shaped stirring screw, which makes the material in addition to the lifting from the stirring screw and is continuously sheared and dispersed, ensuring the material All the materials in the silo can get full movement, and can make the materials not be squeezed by any other external force except the lifting from the propeller, avoiding the invalid friction between the powder and the equipment and powder grains. Ineffective friction is often the main factor leading to the destruction of the crystal form of the material. This is also the fundamental reason why LZG series spiral vacuum drying can keep the crystal form of the material intact during the operation.
3. The top drive eliminates the possibility of pollution caused by the shaft seal to the product:
Using top drive, relative to the bottom drive, the device can avoid the following disadvantages:
The stirring paddle must be disassembled using special equipment for cleaning and maintenance
Mixing paddle shaft seals are difficult to achieve true sealing without pollution, lack of quality assurance