Stainless Steel Mooring Components / Marine Mooring Pipe With Sandblasting Surface
Specifications:
Available in steel/steel stainless/aluminum
Surface before painting: sandblasting
Painting: Epoxy zinc rich primer coating treatment
Customize available
Can be welded to the deck or to the bulwark.
OEM service and Special requirement is available
Quick Details:
china supplier marine mooring pipe/cable chock/marine port hawse pipe
(1)can be made by stainless steel, steel, or as requested.
(2)short manufacturing term and prompt delivery.
(3)good quality and competitive price.
(4)machining facilities: CNC center, CNC lathes, ultrasonic wave cleaning, etc.
(5)Certification:CCS/BV/LR/ABS
(6)Assure you best quality, prompt delivery, and first-class service.






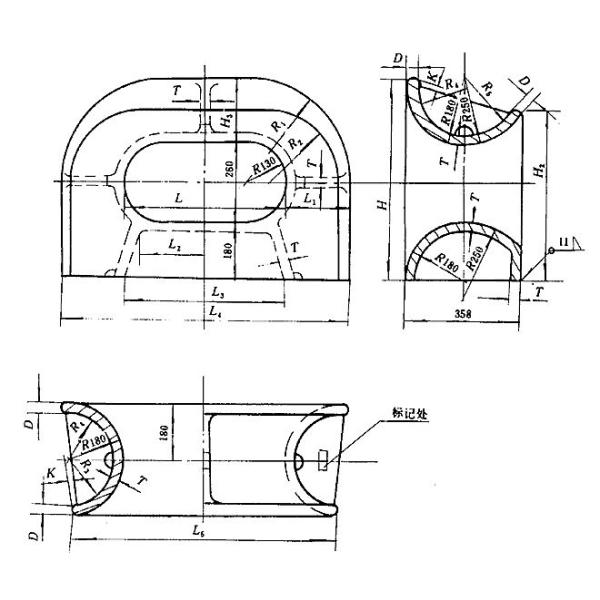
| Details for Marine Mooring Chock | ZHIYOU MARINE |
| www.marineoutfittings.com |
| Roller diameter | Rope diameter | Diameter | Weight | ||||||||
| Synthesis of cellulose | Gastrodin | Cable tensile strength | D1 | d0 | d7 | H | s | t | K | ||
| 150 | 32 | 45 | 17/15 | 240 | 90 | 79 | 154 | 5 | 12 | 9 | 24.8 |
| 200 | 40 | 55 | 22.5/19.5 | 310 | 115 | 99 | 186 | 5 | 14 | 10 | 49.3 |
| 250 | 45 | 65 | 24/24 | 380 | 135 | 119 | 230 | 6 | 14 | 10 | 92 |
| 300 | 50 | 70 | 30/28 | 440 | 155 | 129 | 255 | 7 | 16 | 12 | 127 |
| 350 | 55 | 75 | 37.5/34.5 | 500 | 175 | 149 | 271 | 7 | 18 | 13 | 168 |
| 400 | 65 | 85 | 41/39 | 560 | 185 | 159 | 307 | 7 | 20 | 14 | 252.5 |
| 450 | 80 | - | 44.5/43 | 630 | 210 | 179 | 316 | 7 | 20 | 14 | 310 |
| Package & Delivery& Payment terms | ZHIYOU MARINE |
| www.marineoutfittings.com |
| Our Service | ZHIYOU MARINE |
| www.marineoutfittings.com |
Zhiyou has been doing OEM jobs for many reputable companies for many years, which makes the best guaranty for Zhiyou's technical advantages with precise design. Zhiyou Marine& Offshore is designed
according to ABS CCS BV LR DNV NK KR etc standard.In line with the responsibility spirit for customers,
we try to satisfy the standards and the customers’ requirement in the process of designing and
manufacturing process, as well as fully consider the basic cost. The products we providing will guarantee
the quality and reasonable price, which ensure our cooperated customers can get the maximum value
and minimum cost.
1) Punctual delivery:
• We put your order into our tight production schedule, keep our client informed about the production process, ensure your punctual delivery time.
• Shipping notice/ insurance to you as soon as your order is shipped.
| Quality Guarantee | ZHIYOU MARINE |
| www.marineoutfittings.com |
| Our Related Products | ZHIYOU MARINE |
| www.marineoutfittings.com |
OUR PRODUCT RANGE
| 1 | Marine door | Watertight | Fireproof | Quick action | Weathertight | Airtight&Sound-reduction | Hydraulic Watertight | Hollow Cabin Door |
| 2 | Marine windows | Fixed | Skylight | Porthole | Sliding | Watertight | Fireproof | Louver& Cabin Shutters |
| 3 | Hatch cover& manhole | Sliding | Watertight Manhole Cover | Bolted watertight | Suez Canal Light | Quick action | Type A B C D | Rotating Oil tight |
| 4 | Mooring component | Marine bollards | Fairlead | Mooring roller | Mooring chock |
|
|
|
| 5 | Marine steel product | Seamless Steel Pipe | Seam steel pipe | Marine crane | Marine Stern Roller | Marine fender rubber cylinder | Steel structure | API pipe |
| 6 | Marine propeller& shaft | Rudder System | propeller | Rudder shaft sealing component | Rudder blade | Rudder carrier bearing | Rudder stock/pintle sealing apparatus | Fin stabilizer |
| 7 | Marine deck equipment | Mooring winch | Crane | Windlass | Capstan | Rope Guider | Cable lifter |
|
| 8 | Rubber elements | Rubber fenders | Pneumatic fender | Ship launching airbag | Rubber sealing strip | Quay fenders | Drain airbag |
|
| 9 | Pressure vessel tank | Anti- Corrosion pressure | Fermentation tank | Low-temperature pressure | Compressor air tank | Oil& LPG tank | Vacuum tank | Foam buffer tank |
| 10 | Marine boarding ladder& gangplank | Boarding ladder | Draft ladder | Lifesaving ladder | Vertical access ladders | Embarkation ladder | Accommodation ladder | Gangplank |
| 11 | Welding material | E 6013 | E 7018 | E 7024 | E 7018-1 | E 308L-16 | E 347L-16 | E 309L-16 |
| 12 | Metal Processing Machinery Parts | Machinery Parts or fittings can be designed as your drawings or detailed requirements, and processed by lathes, milling machines, planning machines, drills. | ||||||
NOTES:
1. The content of this table doesn't cover all categories, providing that the item you are looking for is not included hereof, please feel free to contact us.
2. All the products shall be customized accordingly, OEM&ODM available.