European standard ev charging plug portable electric car 16A type 2 charger
EV Charging cable for your electric vehicle. Charge from public charging stations or a dedicated charge point you have installed at home or commercial premises. We supply high specification electric vehicle charging cables for all vehicle types including electric motorbikes.
Electric car charging lead and plug compatible with the following vehicles: Smart, Smart 2
Impact Resistant 'Run Over' Proof
10,000 Mating Cycles
EV Cable Strain Relief Feature Insulated Terminal Design
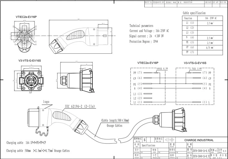
16amp Charger Cable 16A 3P+N+PE+PP+CP; 3x2.5mm² + 2 x 0.5mm²
High Viz Orange Or Black Cable
Custom Options on Cable Length and Colour
CE & TUV Approved
2 YEAR WARRANTY
Electrical Parameters
| Rated current | 16A |
| Operating voltage | 250V |
| Mechanical life | No-load plug in/pull out>10000times |
| Coupled insertion force | >45N<80N |
| Impat of external force | can afford 1m drop and 2t vehicle run over pressure |
| Insulation resistance | >1000mΩ Max |
| Terminal temperature rise | <50K |
| Withstand voltage | 2000V |
| Contact resistance | 0.5mΩ Max |
| Contact bush | Copper alloy, sliver plating |
| Operating temperature | -30℃~+50℃ |
| Cable specification | |
| 32A 3*6mm²+2*0.5mm² | |
| Cable color | wite |
| black | |
| Charging standard | IEC62196-2 |
Details Images

Insert arrangements and functional definition
| Terminal name | Functional definition |
| L1 | Live wire |
| L2/N | Neutral wire |
| Equipment Ground | PE |
| Control Pilot | Control Pilot |
| Proximity Detection | Proximity Detection |
Advantages
1. Professional equipments to make the excellet products with quality controland saving cost in foreign trade.
2. You inquiry related to our product & price will be replied with in 24 hours.
3. Well-trained & experienced staff are to answer all your inquires in Engliash or other language.
4. Working time: 8:00 am - 10:00pm, Monday to Saturday (UTC+8).
5. Your business relationship with us will be confidential to any third party.
6. Good after-sale service offered. Please feel free to contact us if any more information needed.
About Deligreen
Changsha Deligreen Power Co.ltd,founded in 2010, is a "Green Energy Solution Service Provider".
Newest technology, new idea,hard-working and honest people,
Focus on lithium rechargeable battery, BMS,Balancer,charger and relative products.
Main application: electric bicycle, scooter,motorhome, AGV,solar/wind system, Energy storage system,truck and so on.
Four Promises:
We promise "Real" lithium capacity
We promise u100%n refund for any quality problem We promise11100%" replacement for any shipping damage
We promise lifetime fast technical support Customers, satisfaction is our endless pursuing.
Package & Delivery

1. China Post Registered Air Mail: about 15-60 working days.(http://www.17track.net)
2. CDEK Delivery Company:about 15-60 working days.(www.cdek.ru)
3. PostNL Delivery Company: About 15-30 working days.(http://www.17track.net)
4. Seller Shipping Method: about 25-60 working days.
About Payment
Payment Methods:
We offers variety of payment options for your convenience.
Such as Paypal, T/T, etc...
Trade Assurance:
Especially, we support Trade Assurance Services of Alibaba, your orders will be guaranteed by Alibaba, this marks that you can get full compensate from Alibaba if any questions happened, protect your profit and no any loss.
Want to know more about Trade Assurance, please contact us for further info or you can check the brief introduction as following.
RAQ
Q: Do you offer free samples?
A: We don't provide free sample, but the sample cost can return to you when you place bulk orders .
Q: What is your terms of payment?
A: We accepted most of payment terms, like T/T,L/C at sight, PayPal, Western Union, Cash etc.
Q: What is a minimum number (pieces) of order for this product?
A: Our MOQ is 1 piece, the more the quantity, the more preferential it is.
Q: How many time you need for production of one sample?
A: If customized according to customer requirements, production time needs 10-15 working days, if it’s our standardized products most of the time we can supply from stock .