IEC 60947-6-1 WATSN Compliant 100-630A Weatherproof Distribution Box electromagnetic field Level 3
Schneider Wingoal Made

Class PC
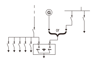
• Transfer switch equipment based on mechanical switching devices, that do not need electrical power to hold the main contacts open or closed and capable of making, carrying, and breaking currents under normal circuit conditions including operating overload conditions, and making and withstanding short-circuit currents.
WATSN automatic transfer switch is specially designed in accordance with the standard requirements for power transfer. It does not provide protection but has a great withstanding and connectivity capacity. In other words, it can guarantee the safety of switch itself, and will not be damaged due to failure such as overload or short circuit, thus keeping a reliable connectivity of circuits.

General features
Codes and standard
l IEC 60947-1 General rules
l IEC 60947-6-1 Transfer switching equipment
l GB 14048.1 General rules
l GB/T 14048.11 Transfer switching equipment
Codes and certifications and declarations
l CCC certification
l CE certification
l CB certification
l RoHS 2.0 certification
l REACH declarations
Operating conditions
l WATSN series Class PC transfer switch can operate in an ambient temperature of -25°C ~ +70°C
l The altitude of the installation site shall not exceed 2000 m
l When the highest temperature is +55 °C, the relative humidity in air shall not exceed 95%
l Storage temperature: -35°C ~ +85°C
Electromagnetic compatibility (EMC)
WATSN series Class PC automatic transfer switch can withstand:
l Electrostatic discharge Level 3
l Radiation immunity in a RF electromagnetic field Level 3
l Electrical fast transient burst Level 3
l Power surge Level 3
l Conducted immunity in a RF electromagnetic field Level 3
l Radiation level Level B
Pollution degree
l WATSN series Class PC transfer switch can operate in an environment with the pollution degree 3
Switch Class
l Based on the definitions specified in the transfer switch standard, WATSN includes the Class PC
Utilization category
l AC-33B
Functions and characteristics
Notes: ■ Standard □ Optional
(1) default 230V/400V