RA-9 Rocker Switch Contract resistance <20mΩ Ambient temperature T85/T105
RA Series Specification
Safely approval: UL, CUL, VDE, ENEN, CQC, KC
Electrical rating: 6A/10A 250V AC, 10A/15A 125V AC
Mechanical life endurance: 30,000 cycles
Electrical life endurance: 10,000 cycles
Contract resistance: <20mΩ
Insulation resistance: >1000MΩ
Ambient temperature: T85/T105
Fire rating: UL 94V-2. UL 94V-0. Glow-wire, needle flame test.
Material of housing: PA66
Material of contacts: Silver alloy
Material of terminal: Copper silver plated
Solder ability of terminal: Max 350℃ 3S, do not apply pressure to the terminal when welding by hand.
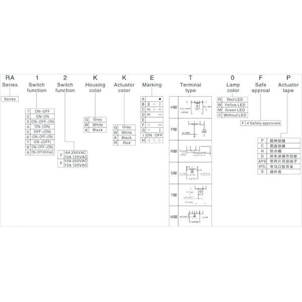
Part number cording rule: Choices of switch function, Housing color, Actuator color and tape, Marking, Terminal type, Lamp color can be found here.

Dimension

Switch function option.
| Item No | Poles& Throws | Rocker position | ||
| Left | Center | Right | ||
| RA1 | SPST | ON | None | OFF |
| RA2 | SPDT | ON | None | ON |
| RA3 | SPDT | ON | OFF | ON |
| RA4 | SPDT | ON | None | (ON) |
| RA5 | SPST | (ON) | None | OFF |
| RA6 | SPDT | (ON) | OFF | (ON) |
| RA7 | SPST | ON | None | (OFF) |
| RA8 | SPDT | ON | OFF | (ON) |
| RA9 | SPST with LED | ON | None | OFF |
Panel cut out.

Circuits for switch with LED.

Terminal type.
