KOF Series Oil Filter
19489/18489/19493 crosland heating oil particulate filters
General purpose filters suitable for biofuel up to B50, kerosene and fuel oil.
Features
Filtration: 10 micron
Aliminum body, easy for installation
3.4 bar working pressure
New design of seal structure for overcoming the leakage
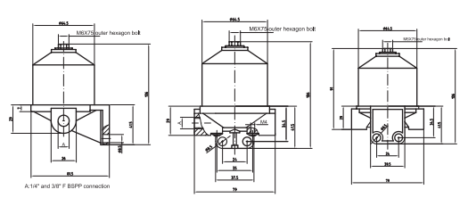
1/4'' and 3/8'' F BSPP connection
Max Flow from 15/25 L/hr
Technical Specifications

Dimension (mm)
