BALL VALVE SCREWED END BLOW OUT PROOF NPT
Specifications:
- Full port, 1/2"~10" (DN15~DN250)
- W. P.: CLASS 150/300
- W. T.:-20℃ ~200℃ (-4℉~392℉)
- Investment casting
- Blow-out proof stem
- Anti-static device (option)
- Locking device
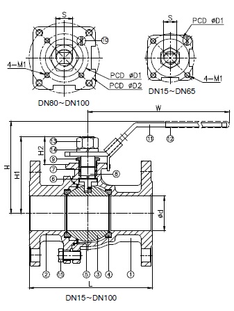
- ISO 5211 Mounting pad
- Flange dimension : ASME B16.5
- Face to face: ASME B16.10
| ITEM | PARTS | MATERIAL |
| 1 | BODY | ASTM A351-CF8M | ASTM A216-WCB |
| 2 | CAP |
| 3 | SOLID BALL | ASTM A351-CF8M |
| HOLLOW BALL | ASTM A240-316 |
| 4 | SEAT | PTFE / RTFE |
| 5 | SEAL | PTFE |
| 6 | THRUST WASHER |
| 7 | PACKING |
| 8 | STEM | ASTM A276-316 |
| 9 | GLAND | AISI 304 |
| 10 | STOP PIN |
| 11 | HANDLE | STAINLESS STEEL |
| 12 | HANDLE SLEEVE | PVC |
| 13 | STEM NUT | AISI 304 |
| 14 | SPRING WASHER |
| 15 | BOLT |
| 16 | BOLT |
| 17 | CIRCLIPS FOR SHAFT |
| 18 | STEEL TUBE |
| 19 | WRENCH BLOCK |

Select us :
- Design team: With professional design staff, Sample order is always welcomed
- Professional factory: Specializing in manufacturing valves for many years, competitive price with good quality, the deadline usually is 30-45 days
- Sample: We can offer sample in 3 days, but the shipment charge is usually beared by customerside, the fee will be deducted from agreed offical order.
- Quick response to your needs: We will answer within 24 hours, Welcome to contact with us if you have any problems, We are looking forward to cooperating with you.