

1. Product Brief Introduction:
2. Product Features:
High precision measurement, wide range temperature compensation unaffected by foaming, deposition, and electrical characteristics of the measured medium;
Solid state structure, no moving parts, high reliability, long service life, can be processed from water, oil to viscous paste;
Good stability, high precision, and can work in high temperature environments;
Directly put into the tested medium, installation and use are quite convenient.
Measurement range: 0.3~100m (optional by the user)
Accuracy: 0.2, 0.5, 1.0 levels
Working temperature: -20 ℃~200 ℃
● Output signal: 2-wire 4-20mADC
Power supply voltage: standard 24VDC (12~36VDC)
● Non sensitive area: ≤± 1.0% FS
● Load capacity: 0~600 Ω
Relative temperature: ≤ 85%
● Protection level: IP68
Explosion proof mark: Exia II CT4-6
3. Technical Specifications:
HQ-3051:
Liquid-wetting material |
Standard configuration: 316L stainless steel; Typical configuration: titanium alloy, tantalum diaphragm. |
power supply |
12~36VDC 24VDC is recommended (power consumption ≈ 30mA). |
Output |
4~20mA (standard configuration) 2-channel relay output (optional for display type) |
Temperature drift |
≤±0.05%FS/℃ (Temperature range -20~85℃) |
Dial |
Typical value: ≤±0.02%/℃ Maximum value: ≤±0.04%/℃ |
Full |
Typical value: ≤±0.02%/℃; Maximum value: ≤±0.04%/℃ |
Zero drift |
≤0.3% of full scale |
Thermal hysteresis |
≤±0.5% of full scale |
accuracy |
≤±0.5% of full scale |
medium temperature |
-25℃ ~ +85 / +150 / +200℃ |
Storage temperature |
-35℃~+85℃ |
Display range |
-1999~9999 |
roughness |
Ra<0.8 |
Mechanical shock |
100g/1ms |
Mechanical vibration |
max.20g:15-2000Hz |
Electromagnetic compatibility |
≤±0.5% of full scale |
Filling fluid |
1: Silicone oil 2: Synthetic oil or sanitary oil |
Response time |
Current output max. 2ms Voltage output max. 10ms |
Protection level |
Standard configuration: IP65 Custom configuration: IP67 |
Installation location |
(Verification position: transmitter vertical, liquid contact diaphragm facing upwards) |
HQ-2088:
★Measuring Range: 0~1KPa~2MPa
★Accuracy Class: 0.1, 0.2, 0.5
★Explosion-proof Class: Exia II CT4~CT6 (Intrinsically Safe)
★Operating Voltage: 12.5~36VDC
★Output Signal: 4~20mA/1~5V
★Range Shift: Standard range 10:1 shift sensor available
★Material: 96% Aluminum Oxide Ceramic
★Sensor Protection Class: IP68
★Signal Cable Hole: PG16
★Sealing Material: Fluoropolymer Rubber, PTFE (Polytetrafluoroethylene)
★Process Connection Cable: External Thread G2, Flange DN50, DN80, DN100, PN4.0MPa, GB96116.7-88
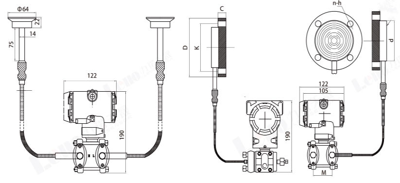
4. Overall dimension:
T351RD Clamp type & T351RD Flange type (HQ-3051)

Size of HQ-2088 series immersion liquid level transmitter

5. Selection:
| HQ3051- | Flange Type Liquid Level Transmitter | |||||||||
| Type | LT- | Single flange liquid level transmitter | ||||||||
| LT-C- | Single plug flange liquid level transmitter | |||||||||
| LT-Y- | Remote transmission single flange liquid level transmitter | |||||||||
| DPYC- | Double flange liquid level transmitter | |||||||||
| DPXC- | Double plug flange liquid level transmitter | |||||||||
| GP | Single plug double flange liquid level transmitter | |||||||||
| Specification | 0 | 0-1.6~10MPa | ||||||||
| 3 | 0-1.3~7.5KPa | |||||||||
| 4 | 0-4~40KPa | |||||||||
| 5 | 0-40~200KPa | |||||||||
| 6 | 0-0.16KPa~1.0MPa | |||||||||
| 7 | 0-345~2068KPa | |||||||||
| 8 | 0-117KPa~1MPa | |||||||||
| 9 | 0-0.4~2.5MPa | |||||||||
| Output signal | E | Non intelligent type (4-20mA Output) | ||||||||
| S | Intelligent type(HART protocol+4-20mA) | |||||||||
| Insertion method | A0 | 平 | ||||||||
| A2 | 50 | |||||||||
| A4 | 100 | |||||||||
| A6 | 150 | |||||||||
| Wetted material | B0 | 316LSST | ||||||||
| B2 | HartzC-276 | |||||||||
| B4 | Tantalum | |||||||||
| Install flange | □ | Flange Specification | ||||||||
| Structural material | A1 | Flange joint/exhaust/drain valve/isolation diaphragm | ||||||||
| 22 | 316 stainless steel/316 stainless steel/316 stainless steel | |||||||||
| 23 | 316 stainless steel/316 stainless steel/Hastelloy C | |||||||||
| 24 | 316 stainless steel/316 stainless steel/Monel | |||||||||
| 25 | 316 stainless steel/316 stainless steel/Tantalum | |||||||||
| 33 | Hastelloy C/Hastelloy C/Hastelloy C | |||||||||
| 35 | Hastelloy C/Hastelloy C/Tantalum | |||||||||
| 44 | Monel/Monel/Monel | |||||||||
| Additional features | Z | 1/2NPT taper pipe threaded joint | ||||||||
| D | Flameproof type EXd II CT6 | |||||||||
| B1 | Pipe bending bracket | |||||||||
| B2 | Board mounted bending bracket | |||||||||
| B3 | Pipe mounted flat bracket | |||||||||
| C0 | 1/2-14NPT cone tube internal thread joint | |||||||||
| C1 | 1/2-14NPT welding pressure pipe at the rear of the pressure jointφ14 | |||||||||
| C2 | T-shaped threaded joint M20×1.5,equipped with rear weldingФ14 spherical cone connector of pressure pipe | |||||||||
| D | Flameproof type EXd II CT6 | |||||||||
| D1 | The side relief valve is located at the upper part of the pressure chamber | |||||||||
| D2 | The side relief valve is located at the lower part of the pressure chamber | |||||||||
| M1 | 0~100% linear indicator table | |||||||||
| M2 | LED digital display | |||||||||
| M3 | LCD digital display | |||||||||
| S1 | A remote transmission device | |||||||||
| S2 | Two remote transmission devices | |||||||||
| PD | Paired flanges, gaskets, and screws | |||||||||
| Measurement accuracy | 1 | 0.08% | ||||||||
| 2 | 0.20% | |||||||||
| 3 | 0.50% | |||||||||
| 4 | 1.00% | |||||||||
| HQ2088- | Submersible level transmitter | ||||||||
| Product Type | C | Cable-type submersible level transmitter | |||||||
| F | Corrosion-resistant submersible level transmitter | ||||||||
| D | Rod-type submersible level transmitter (high temperature type) | ||||||||
| E | Gas-conducting level transmitter (high-temperature armored type) | ||||||||
| Connection type | T | bracket installation | |||||||
| R | External Thread G1 | ||||||||
| P | ThreadG3/4 | ||||||||
| N32 | Flange DN32 | ||||||||
| N40 | Flange DN40 | ||||||||
| N50 | Flange DN50 | ||||||||
| N65 | Flange DN65 | ||||||||
| N80 | Flange DN80 | ||||||||
| N100 | Flange DN100 | ||||||||
| Liquid-wetting material | -1 | 304(pole type) | |||||||
| -2 | 316(pole type) | ||||||||
| -3 | 316L(pole type) | ||||||||
| -4 | Nitrile rubber and polyvinyl chloride composite | ||||||||
| -5 | Polytetrafluoroethylene (PTFE) (polypropylene flange) | ||||||||
| Display method | O | Without live display | |||||||
| Z | Digital tube display | ||||||||
| X | With LCD digital display | ||||||||
| Output signal | Z | Analog signal 1-5V 3-wire | |||||||
| O | Analog signal 4-20mA 2-line | ||||||||
| X | Special requirements of the agreement | ||||||||
| Power supply method | T | Photovoltaic power supply | |||||||
| D | Battery-powered | ||||||||
| DC | DC 24V | ||||||||
| Explosion-proof | N | No explosion-proof requirements | |||||||
| D | Explosion-proof EXd II CT6 | ||||||||
| Accuracy level | 1 | 0.1% | |||||||
| 2 | 0.25% | ||||||||
| 3 | 0.5% | ||||||||
6. Installation:
HQ-3051:
The flange installation standards are 3 "and 4" according to ANSI, and the flange grades are divided into 150LB (2.5MPa) and 300LB (5.0MPa). The flange installation dimensions are shown in the following chart. If the user adopts the GB9116-88 standard, please specify DN=80, 100, PN=2MPa. The materials for the liquid receiving membrane include 316L, Hastelloy C-276, Monel, tantalum, etc. If not specified by the user, 3 "150LB flange and liquid receiving membrane material 31 shall be supplied.

HQ-2088:



