
• HQ-UR Series Float Level Gauge: This level transmitter utilizes a ring-shaped magnetic float that rises or falls with the liquid level, causing a reed
switch within the sensor to engage and convert the liquid level into a corresponding resistance output.
• HQ-UB Series Float Level Gauge: This level transmitter is based on the HQ-UR series level transmitter. By adding an integrated transmitter circuit
module within the junction box, it converts the resistance signal into a two-wire 4~20mA DC standard signal output. This signal can be easily used
with electric type II instruments or industrial control computers for remote detection, alarm, and control. It can also be used with our HQ-ZGX-200
series digital display meters.
The insert-type magnetic level transmitter is suitable for industries such as chemical, power, papermaking, food, environmental protection, and urban
construction. It is used for measuring the liquid level of media in open and closed containers, and is particularly ideal for measuring the liquid level in
underground storage tanks, pools, and high-rise water tanks.
The float level gauge is made of corrosion-resistant materials such as stainless steel and has explosion-proof properties, making it suitable for use in
corrosive, flammable, and explosive environments.
HQ-UHZ-59/S-UR/UB Series Float Level Gauge Structure and Principle: The sensor's detection tube contains a set of reed switches and a precision
resistor. When the magnetic float outside the tube changes with the liquid level, the reed switches located at the liquid surface inside the detection
tube sequentially activate, causing a change in the sensor's resistance value. The conversion circuit module in the junction box converts this resistance
value into a current output.
※ The structure and form of the HQ-UHZ-59/S-UR/UB series float level gauges

※ Working principle of the HQ-UHZ-59/S-UR/UB series float level gauge sensor

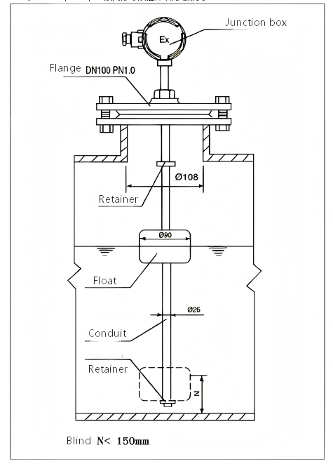
※ The external structure of the HQ-UHZ-59/S-UR/UB series float level gauge instrument

※HQ-UHZ-59/S-UR/UB Series Float Level Gauge Main Technical Parameters
• Measurement Range: 300~12000mm
• Accuracy: ±1.5% (H≥1000mm), ±2.5% (H<1000mm)
• Transmitter Power Supply: 24VDC, 4~20mADC two-wire system (24VDC power supply can be provided by our factory's digital display meter)
• Transmitter Power Consumption: ≤720mW
• Medium Temperature: -10~120℃
• Medium Density: ≥0.45g/cm³
• Working Pressure: <1.6MPa
• Connection Flange Size: DN100, PN1.0
DN80, PN1.0
DN50, PN1.0
• Explosion-proof Marking: Flameproof type: Exd II BT4-6
Intrinsically safe type: Exia II CT4-6
• Explosion-proof Certificate Number: Flameproof type: GYB00333
Intrinsically safe type: GYB00334
• Protection Class: IP65
※HQ-UHZ-59/S-UR/UB Series Float Level Gauge Features
• Simple structure, easy installation, reliable operation, easy maintenance, and low cost.
• Wide range of applications, suitable for liquid level measurement of various media.
• The instrument can not only output a 4~20mA two-wire current signal, but also has optional LCD display or pointer indication for easy instrument debugging and on-site inspection.
• The sensor part of this level gauge uses American HAMLIN reed switches, which solves the problem of magnetization and inaccurate liquid level detection that occurs in similar products after long-term use.
※ Model designation for the HQ-UHZ-59/S-UR/UB series float level gauges
| Model | Medium densityg/cm3 | Range/m | Measurement method | Medium pressure/Mpa | |
| UQZ-1-0001 | ≥0.7 | 1 | Full | ≤1.6 | Float |
| UQZ-1-0002 | 1.5 | Ø126 | |||
| UQZ-1-0003 | 2 | ||||
| UQZ-1-0004 | 2.5 | ||||
| UQZ-1-0011 | ≥0.4 | 1 | Ø200 | ||
| UQZ-1-0012 | 1.5 | ||||
| UQZ-1-0013 | 2 | ||||
| UQZ-1-0014 | 2.5 | ||||
| UQZ-1-0101 | ≥0.7 | 1 | Full | Ø126 | |
| UQZ-1-0102 | 1.5 | ||||
| UQZ-1-0103 | 2 | ||||
| UQZ-1-0104 | 2.5 | ||||
| UQZ-1-0111 | ≥0.4 | 1 | Ø200 | ||
| UQZ-1-0112 | 1.5 | ||||
| UQZ-1-0113 | 2 | ||||
| UQZ-1-0114 | 2.5 | ||||
| UQZ-2-0001 | ≥0.45 | 1 | Full | ≤1.8 | Ø90 |
| UQZ-2-0002 | 1.5 | ||||
| UQZ-2-0003 | 2 | ||||
| UQZ-2-0011 | ≥0.7 | 1 | ≤2.5 | Ø90 | |
| UQZ-2-0012 | 1.5 | ||||
| UQZ-2-0013 | 2 | ||||
| UQZ-2-0021 | 1 | ||||
| UQZ-2-0022 | 1.5 | ||||
| UQZ-2-0023 | 2 | ||||


