The intelligent float level gauge is based on the principle of force balance. It adopts a new sensing structure on the basis of the early float level gauge, integrating the sensor and the lever mechanism into one. It can directly measure the buoyancy that the float experiences in the liquid, effectively solving the influence of static pressure. This instrument has outstanding features of high temperature resistance and high pressure resistance, providing a good method for measuring the liquid level in high-temperature and high-pressure containers. Moreover, this instrument has the advantages of high accuracy, good reliability, convenient adjustment, wide measurement range, durability, and high performance-price ratio. It is suitable for continuous measurement of liquid level, interface, and density in open or pressurized containers in industrial processes, and is widely used in industries such as petroleum, chemical engineering, power, food, water conservancy, metallurgy, thermal power, cement, and wastewater treatment. This instrument complies with the two-wire 4-20mA transmission protocol and has intrinsically safe type, flameproof type, liquid crystal indication type, battery type, Hart type, and various installation forms, providing users with a very wide range of choices. In addition, the high-quality circuit and sensing system ensure excellent performance in various application environments.
Structure and Principle of Intelligent Float Liquid (Density) Level Meter
1. Structure
The intelligent float liquid (level) gauge consists of a float bowl, a torque tube, a sensor and a lever, as shown in Figure 1:

2. The float is submerged in the liquid inside the outer float and is rigidly connected to the torque tube system. Changes in the position of the liquid inside the outer float, or variations in the interface level, cause changes in the buoyancy of the float submerged in the liquid, thereby causing the rotation angle of the torque tube to change. The higher the liquid level, the greater the buoyant force on the float, and the smaller the torque force on the torque tube, and the smaller the rotation angle; conversely, it is larger. The change in the rotation angle is transmitted to the sensor that is rigidly connected to the torque tube, causing the sensor to output a voltage change, which is then amplified and converted into a 4-20mA current output.

IV. HQFT-D Intelligent Float Level Transmitter Technical Parameters
Measurement Range: 0.3~6m (Special sizes available upon request)
Accuracy Class: 1.0, 0.5 (Special type)
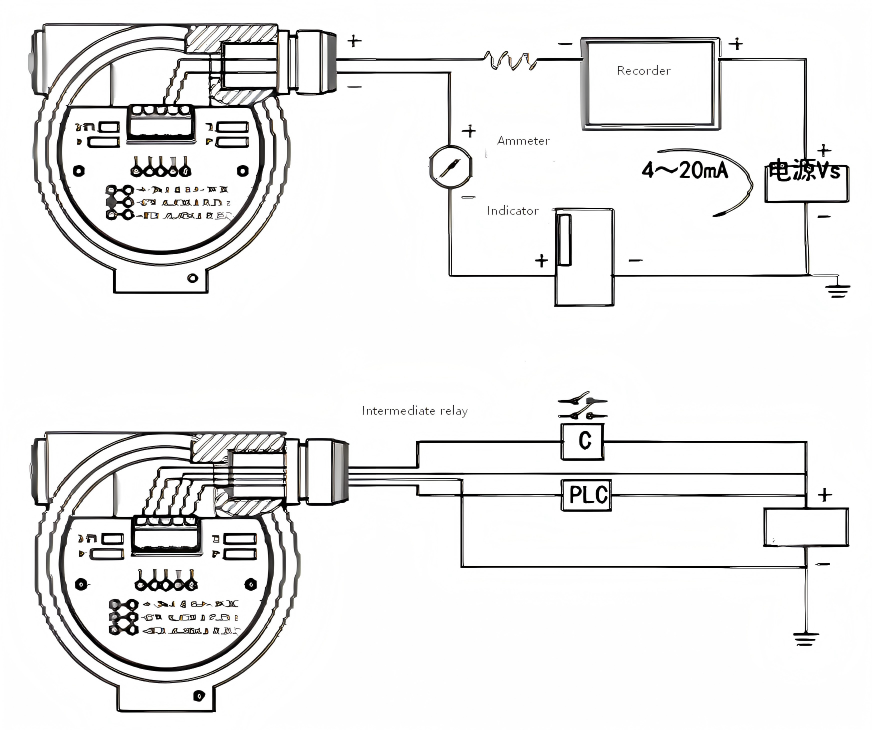
Output Signal: 4~20mA DC two-wire system, with HART protocol
Power Supply: Standard type: 24VDC two-wire 4~20mA (12VDC-32VDC)
Battery type: 3.6V@19AH lithium battery, can be used continuously for one year
Nominal Pressure: Maximum 4MPa (Special specifications available upon request)
Ambient Temperature: -40℃~+85℃ (LCD will not be damaged) LCD normal operation -30℃~+80℃
Medium Temperature: Normal temperature -40℃ ~100℃ (without heat sink)
High temperature 100℃ ~200℃ (with heat sink)
Ultra-high temperature 200 ~450℃ (with heat sink and jacket device)
Medium Density: Liquid level p≥0.4g/cm3
Interface level p1-p2≥0.1g/cm3
Wetted Parts Material: Measuring chamber is carbon steel or 1Cr18Ni9Ti, the rest is 1Cr18Ni9Ti
Housing Material: Cast aluminum
Connection Flange: Inner float DN30 PN4.0 flange standard DIN2501
Outer float side flange DN50 PN4.0 main flange DN50 PN4.0 flange standard DIN2501
Special Type: Selected by the user
Cable Interface: Explosion-proof type is 1/2NPT internal thread, others M20*1.5 internal thread
LCD Display: Main screen liquid level display numerical range: 0-50000 (with decimal point) Sub-screen percentage display retains one decimal place
Explosion-proof Mark: Intrinsically safe type ia‖CT5 Explosion-proof type d‖BT6
Protection Class: IP65
Load Characteristics: Rlmax=50*(Power supply voltage-12) Ω =600Ω @24V
| HQFT | Intelligent buoyancy liquid level gauge | |||||||||||
| Installation | C | Side-mounted | ||||||||||
| D | Top-mounted | |||||||||||
| type | D | Top-mounted floating cylinder level gauge | ||||||||||
| C | Side-mounted float level gauge | |||||||||||
| B | Wireless remote transmission float level gauge | |||||||||||
| A | Solar-powered float level gauge | |||||||||||
| Output signal | UB | 4-20MA | ||||||||||
| UI | 485 | |||||||||||
| UJ | HART | |||||||||||
| UK | Switch signal | |||||||||||
| UR | Resistance signal | |||||||||||
| Local instruction format | O | No | ||||||||||
| X | LCD | |||||||||||
| Z | Pointer | |||||||||||
| Main material | 1 | 304 | ||||||||||
| 2 | 316 | |||||||||||
| 3 | 316L | |||||||||||
| 4 | PVC | |||||||||||
| 5 | PP | |||||||||||
| 6 | PTFE | |||||||||||
| Connection | 1 | Carbon steel flange connection | ||||||||||
| 2 | Stainless steel flange connection | |||||||||||
| 3 | Fixation | |||||||||||
| Explosion-proof | O | No | ||||||||||
| D | ExdB II CT-6 | |||||||||||
| I | Exia II CT4-6 | |||||||||||
| Specification | 1 | 0-1000 | ||||||||||
| ... | ......... | |||||||||||
| 10 | 0-5000 | |||||||||||
| Dielectric density | 1 | 0.6g/cm3 | ||||||||||
| 2 | 0.8g/cm3 | |||||||||||
| 3 | 1.0g/cm3 | |||||||||||
| 4 | 1.2g/cm3 | |||||||||||
| 5 | customizable | |||||||||||
| Accuracy | A | 0.20% | ||||||||||
| B | 0.50% | |||||||||||
| C | 1.00% | |||||||||||
| Power supply | Q | 24V | ||||||||||
| R | 220V | |||||||||||
VI. Structure and Installation Diagram of Intelligent Buoyancy Liquid Level Gauge

On-site installation physical diagram
