NEMA 17 NEMA 23 NEMA34 Hollow Shaft Stepping Motor for CNC
1.Description
Hollow shaft motors allow the pump head shaft to extend through the motor shaft and connect to an integrally-mounted drive coupling. The advantage goes to hollow shaft motors: - Ease of impeller adjustment. Access at the top of the motor.
The hollow shaft constitutes an essential component of the hollow shaft motor, which is used in electrically powered vehicles, such as trains. Hollow shafts are also suitable for the construction of jigs and fixtures as well as automatic machines.
The material at the centre is removed in the hollow shaft and spread at large radius therefore, hollow shafts are stronger than solid shafts with the same weight. The stiffness of the hollow shaft is more than the same weight solid shaft. The strength of the hollow shaft is more than the same weight solid shaft.
Hollow shafts are much better to take torsional loads compared to solid shafts. As shown in the figure, shear stress in a “shaft subjected to torsion” varies linearly from zero at the center to the maximum at the boundary.
2.Genaral Specification:
| Item | Specifications |
| Name | Hollow Shaft Stepper Motor |
| Model | 42BYGH 57BYG 86BYG |
| Motor Type | bipolar stepper motor |
| Current | 1.33A/4.2A/5.5A |
| Holding Torque | 0.26Nm/1.1Nm/4.6Nm |
| Motor Size | 34MM/51MM/78MM |
| Driver | JK0220/TB6600/DM542/DM860H |
| Shaft | 10MM/12MM |
3.Electrical Specification:
| | Step Angle | Motor Length | Current/Phase | Resistance/Phase | Inductance/Phase | Holding Torque | Number of leads | Detent Torque | Rotor Inertia |
| (°) | (mm) | (A) | (Ω) | (mH) | (kg.cm) | (No.) | (g.cm) | g.cm2 |
| JK42HS25-0404 | 1.8 | 25 | 0.4 | 24 | 36 | 1.8 | 4 | 75 | 20 |
| JK42HS28-0504 | 1.8 | 28 | 0.5 | 20 | 21 | 1.5 | 4 | 85 | 24 |
| JK42HS34-1334 | 1.8 | 34 | 1.33 | 2.1 | 2.5 | 2.2 | 4 | 120 | 34 |
| JK42HS34-0406 | 1.8 | 34 | 0.4 | 24 | 15 | 1.6 | 6 | 120 | 34 |
| JK42HS34-0956 | 1.8 | 34 | 0.95 | 4.2 | 2.5 | 1.6 | 6 | 120 | 34 |
| JK42HS40-0406 | 1.8 | 40 | 0.4 | 30 | 30 | 2.6 | 6 | 150 | 54 |
| JK42HS40-1684 | 1.8 | 40 | 1.68 | 1.65 | 3.2 | 3.6 | 4 | 150 | 54 |
| JK42HS40-1206 | 1.8 | 40 | 1.2 | 3 | 2.7 | 2.9 | 6 | 150 | 54 |
| JK42HS48-0406 | 1.8 | 48 | 0.4 | 30 | 25 | 3.1 | 6 | 260 | 68 |
| JK42HS48-1684 | 1.8 | 48 | 1.68 | 1.65 | 2.8 | 4.4 | 4 | 260 | 68 |
| JK42HS48-1206 | 1.8 | 48 | 1.2 | 3.3 | 2.8 | 3.17 | 6 | 260 | 68 |
| JK42HS60-0406 | 1.8 | 60 | 0.4 | 30 | 39 | 6.5 | 6 | 280 | 102 |
| JK42HS60-1704 | 1.8 | 60 | 1.7 | 3 | 6.2 | 7.3 | 4 | 280 | 102 |
| JK42HS60-1206 | 1.8 | 60 | 1.2 | 6 | 7 | 5.6 | 6 | 280 | 102 |
| Above only for representative products, products of special request can be made according to the customer request. |
Matching Stepper motor Driver: JK0220 JK-DM542 JK-DM860H
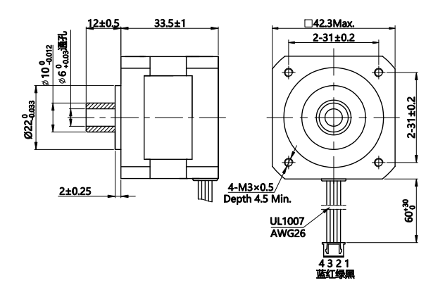
4.Drawing



5.Advantages
- Low cost for control achieved
- High torque at startup and low speeds
- Ruggedness
- Simplicity of construction
- Can operate in an open loop control system
- Low maintenance
- Less likely to stall or slip
- Will work in any environment
- Can be used in robotics in a wide scale.
- High reliability
- The rotation angle of the motor is proportional to the input pulse.
- The motor has full torque at standstill (if the windings are energized)
- Precise positioning and repeatability of movement since good stepper motors have an accuracy of 3–5% of a step and this error is non-cumulative from one step to the next.
- Excellent response to starting/stopping/reversing.
- Very reliable since there are no contact brushes in the motor. Therefore, the life of the motor is simply dependent on the life of the bearing.
- The motors response to digital input pulses provides open-loop control, making the motor simpler and less costly to control.
- It is possible to achieve very low-speed synchronous rotation with a load that is directly coupled to the shaft.
- A wide range of rotational speeds can be realized as the speed is proportional to the frequency of the input pulses.
6.FAQ
Q1: What about your warranty?
A: We guarantee is one year . for sea order . is 15months.
Q2: Do you have any certificates?
A: Yes, we have. All the motors have been approved by CE and Rohs.
Q3: Do you offer OEM AND ODM service?
A: Yes. We can supply OEM andmake customized design for any specific application.
Q4: How can be your brand distributor?
A: We will check your capacity and help you promote and expand the market.
Q5: What's the delivery time ?
A: Except special order. For samples usually 7-15 working days . for batch order . usually 20-25days.
7.Stepper Motor Applications
- As the stepper motor are digitally controlled using an input pulse, they are suitable for use with computer controlled systems.
- They are used in numeric control of machine tools.
- Used in tape drives, floppy disc drives, printers and electric watches.
- The stepper motor also use in X-Y plotter and robotics.
- It has wide application in textile industries and integrated circuit fabrications.
- The other applications of the Stepper Motor are in spacecrafts launched for scientific explorations of the planets etc.
- These motors also find a variety of commercial, medical and military applications and also used in the production of science fiction movies.
- Stepper motors of microwatts are used in the wrist watches.
- In the machine tool, the stepper motors with ratings of several tens of kilowatts is used.