E345D Pressure switch 309-5795 3095795 CAT Excavator Pressure Sensor
| Description | CAT Pressure Switch, E345D Pressure Sensor, E349D Switch Pressure |
| Application | CAT 345D Excavator |
| Model | E345C, E345D, E349D |
| Part No. | 309-5795, 3095795 |
| Quality | China made, OEM quality |
| Weight | 0.2-0.3kgs |
| Packing | Pack into carton box |
| MOQ | 1PC |
| Lead time | About 1-3 working days |
| Payment | TT, Western union, Paypal, Paysend, RMB |
| Warranty | 3 Months |
| Shipping Port | Huangpu Old Port, Shenzhen Yantian,Guangzhou |

Parts on E345D excavator:
| 28. | 297-4483 | [1] | SENSOR AS-PRESSURE (BOOM DOWN) | |
| 3J-1907 | [1] | SEAL-O-RING | ||
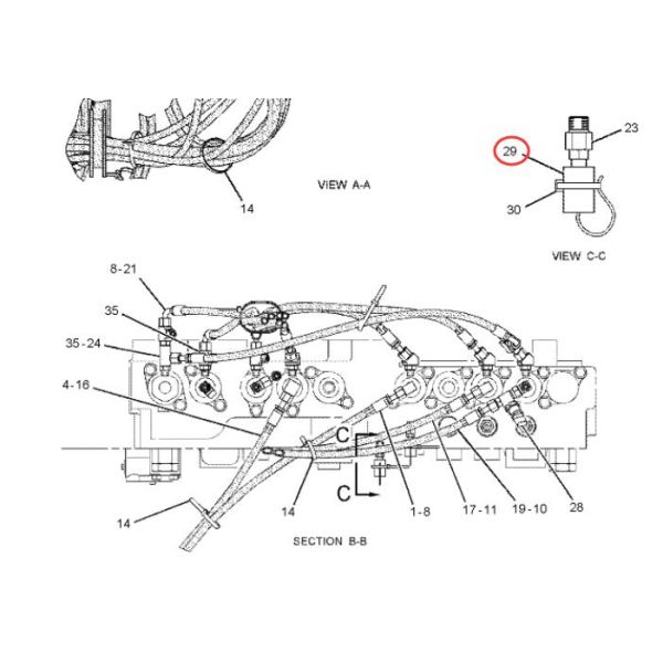
| 29. | 309-5795 | [2] | SWITCH AS-PRESSURE (PILOT OIL) | |
| (EACH INCLUDES) | ||||
| 9X-3402 | [2] | SOCKET-CONNECTOR (16-GA TO 18-GA) | ||
| -OR- | ||||
| 126-1768 | [2] | SOCKET-CONNECTOR (14-GA TO 16-GA) | ||
| 155-2270 | [1] | KIT-CONNECTING PLUG (2-PIN) | ||
| 331-4226 | [1] | KIT-CONNECTING PLUG (2-PIN) | ||
| (EACH PLUG KIT INCLUDES PLUG AS, WEDGE & INTERFACE SEAL) | ||||
| 30. | 096-0061 | [2] | STRAP-CABLE | |
| 31. | 148-8336 | [1] | CONNECTOR AS | |
| 3J-1907 | [1] | SEAL-O-RING | ||
| 6V-8397 | [1] | SEAL-O-RING | ||
| 6V-8636 | [1] | CONNECTOR | ||
| 32. | 148-8353 | [4] | ELBOW AS | |
