Small Size High-precision TDL45IMU Laser Inertial Unit Large Impact Large Vibration
This type of laser inertial unit has the advantages of small size, light weight, low power consumption, and high accuracy. It contains eight points of vibration reduction and can meet the application scenarios of large impact and large vibration. It can be used to design pure strap down and meet the needs of new unmanned platforms, water/torpedo weapons, as well as land, airborne, and missile weapon platforms for small size and high-precision inertial unit equipment. It has the dynamic measurement function of carrier angular motion and linear motion information.
♦ Performance
| Project | Contents | Index | Notes |
| Performance indicators of gyroscope | |||
| Zero bias indicator | Zero bias stability (100s) | 0.01°/h | |
| Zero bias repeatability | 0.005°/h | ||
| Scale Factor | Full temperature scale factor | ≤5ppm | |
| Other indicators | Random walk coefficient | 0.002°/h | |
| Input range | 400°/s | ||
| Performance indicators of accelerometer | |||
| Deviation index | Deviation monthly comprehensive error | 20μg | |
| Zero bias indicator | Zero bias temperature sensitivity | 20μg/℃ | |
| Scale Factor | Scale factor monthly comprehensive error | 20ppm | |
| Scale factor temperature sensitivity | 20ppm/℃ | ||
| Range indicator | Input range | ±20g | |
| Whole machine characteristics | |||
| Environmental performance indicators | Operation temperature | -40℃~60℃ | |
| Storage temperature | -45℃~70℃ | ||
| General requirements | Power supply | 18~36V(DC) | |
| Stable power consumption | ≤20W | Startup power consumption ≤ 25W | |
♦ Electrical Interfaces
| Pin | Connectivity | Signal name | Signal characteristics |
| 1,12 | External power supply | PCS power supply positive | 24V |
| 2,13 | PCS power supply ground | Power Ground | |
| 3 | 200Hz signal output | IMU_TX1+ | IMU data output positive |
| 14 | IMU_TX1- | IMU data output negative | |
| 6 | Synchronization signal | IMU_SYN+ | IMU synchronization signal positive |
| 17 | IMU_SYN- | IMU synchronization signal negative |
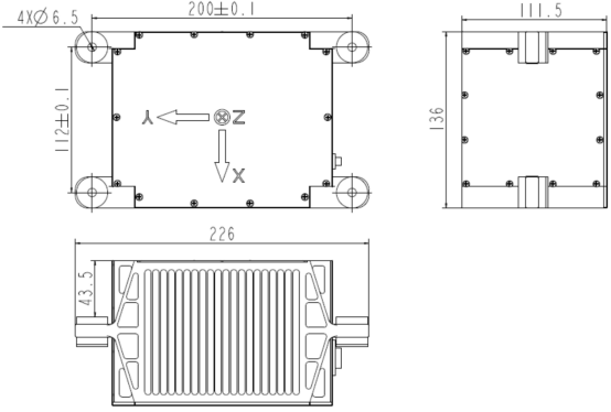
♦ Structural appearance and dimensions
