JDZW16-12 12kV Outdoor Single-Phase Epoxy Resin Type MV Voltage Transformer
Description
Epoxy resin casting and full-closed construction, is widely used for measuring voltage, electric energy and protective relaying in the single-phase or three phase power system with the frequency 50Hz or 60Hz and highest voltage for equipment 12kV.
Technical Data:
1,Installation site: Outdoor
2,Rated frequency: 50/60Hz
3,Burden power factor: cosΦ=0.8 (lagging)
4,Technical standard: IEC 60044-2(IEC 61869-1&3)
Specification:
| Type | Rated primary Voltage (kV) | Rated secondary Voltage (kV) | Accuracy classes combination | Rated output (VA) | Thermal limiting Output (VA) | Rated Insulation level (kV) |
| JDZW16-12 | 11 | 0.11 | 0.2 | 30 | 500 | 12/28/75 |
| 0.5 | 50 | |||||
| 1 | 80 | |||||
| 0.11/0.11 | 0.2/0.2 | 15/15 | 500 | |||
| 0.2/0.5 | 15/25 | |||||
| 0.11/0.22 | 0.2/6P(3P) | 30/800 | 800 | |||
| 0.5/6P(3P) | 50/800 |
Note: Upon request we are glad to offer transformers according to other technical specs.
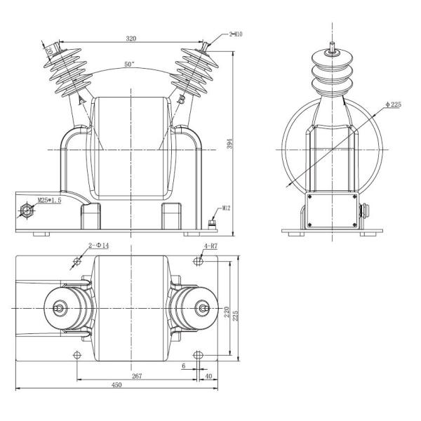
Outling Drawing
