Residential water utility billing Multi Jet Water Meter Magnetic Drive Plastic Housing For Residential
Working theory
Our residential water meters use the multi-jet principle, also single jet principle available for smaller port size, which are available with vertical and horizontal mounting. This vane wheel water meter is known for its wide range, simple operation, and accuracy in cold water or hot water totalization and flow rate metering. The impeller is centered in a ring of jets, with inlet jets on one level and outlet jets on another. A gear train drives the register totalizer dials.
Product Applications
It can record the total water volumetric flow meter in cubic, liter which pass through the closed pipe line, like water utilities, municipal water supply, etc.
Key Features
Data sheet
| Model | size | inch | Q4 m³/h | Q3 m³/h | Q2 L/h | Q1 L/h | Min L | Max m³ |
| LXSGD15 | 15mm | 1/2 | 3.125 | 2.5 | 50 | 31.3 | 0.05 | 9999 |
| LXSGD20 | 20mm | 3/4 | 5 | 4 | 80 | 50 | 0.05 | 9999 |
| LXSGD25 | 25mm | 1 | 7.875 | 6.3 | 126 | 78.8 | 0.05 | 9999 |
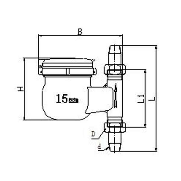
Drawing

Dimensions
| Model | L1 | L | H | B | D | d |
| mm | inch | |||||
| LXSGD15 | 96 | 191 | 107 | 142 | G3/4B | R1/2 |
| LXSGD20 | 100 | 205 | 109.5 | 157 | G1B | R3/4 |
| LXSGD25 | 110 | 230 | 120 | 174 | G1-1/4B | R1 |
Competitive Advantage:
Production line

Measurement mechanism