Stub end is a kind of steel butt welded pipe. It is usually a section inside the loose flange. Looper flange is a kind of flange loose on the flange of vessel or pipeline. It is a loose flange. The flange can be made by flanging, directly turning out or welding the ring. The advantage of loose flange is that when the flange is deformed, there is no additional torque on the vessel or pipeline, so it is convenient to manufacture. It can be made of different materials from the vessel or pipeline, which is convenient to save precious metals. The disadvantage is that the flange thickness is large. It is suitable for vessels or pipelines with brittle materials and low pressure. Flanging refers to the forming method of forming a straight wall or flange with a certain angle along the closed or unclosed curve edge on the plane part or curved surface part of the blank by using the function of the mold. Flanging is a kind of stamping technology. There are many kinds of Stub end and different classification methods. According to the deformation properties, it can be divided into elongation flanging Stub end and compression flanging Stub end.

When the Stub end flanging line is a straight line, the flanging deformation will change into bending, so it can also be said that bending is a special form of flanging. However, the deformation of the blank is only limited to the fillet part of the bending curve, while the fillet part and the edge part of the blank are deformation areas when flanging, so flanging deformation is much more complex than bending deformation. Loose flange is actually a combination of two things, that is, flange ring loose sleeve and Stub end. It is about to loose the sleeve outside the Stub end, and the flanging nipple is butt welded with the pipe. Because the flange itself does not contact with the medium, only theStub end and the pipe are required to be consistent, and the material of the flange body can be completely different from that of the pipe.

It is especially used on the corrosive medium pipe, which can save valuable materials such as stainless steel. But it is usually used in the case of low temperature and pressure and strong medium corrosion.
Slip on flange is also called loose flange, loose flange is to useStub end, steel ring, etc. to cover the flange on the pipe end, the flange can move on the pipe end. Stub end is the sealing surface, and the function of the flange is to compress them. It can be seen that the loose flange does not contact with the medium due to being blocked by the steel ring or flanging.
Material: carbon steel, alloy steel, stainless steel
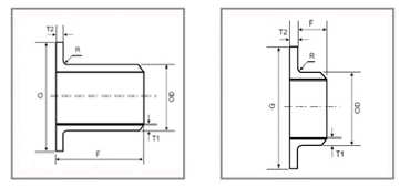
Size range: DN 15-600
Length: LP 76-305, SP 51-152
Surface treatment: anti-oil; anti-painting
| Nominal Diameter | Outside Diameter | Length(F) | Diameter of Lap Nominal&Maximum | (R) | |||
| DN | NPS | OD | LP | SP | G | A Max | B Max |
| 15 | 1/2 | 21.3 | 76 | 51 | 35 | 3 | 0.75 |
| 20 | 3/4 | 26.7 | 76 | 51 | 43 | 3 | 0.75 |
| 25 | 1 | 33.4 | 102 | 51 | 51 | 3 | 0.75 |
| 32 | 1.1/4 | 42.4 | 102 | 51 | 64 | 5 | 0.75 |
| 40 | 1.1/2 | 48.3 | 102 | 51 | 73 | 6 | 0.75 |
| 50 | 2 | 60.3 | 152 | 64 | 92 | 8 | 0.75 |
| 65 | 2.1/2 | 73.0 | 152 | 64 | 105 | 8 | 0.75 |
| 80 | 3 | 88.9 | 152 | 64 | 127 | 10 | 0.75 |
| 90 | 3.1/2 | 101.6 | 152 | 76 | 140 | 10 | 0.75 |
| 100 | 4 | 114.3 | 152 | 76 | 157 | 11 | 0.75 |
| 125 | 5 | 141.3 | 203 | 76 | 186 | 11 | 1.5 |
| 150 | 6 | 168.3 | 203 | 89 | 216 | 13 | 1.5 |
| 200 | 8 | 219.1 | 203 | 102 | 270 | 13 | 1.5 |
| 250 | 10 | 273.1 | 254 | 127 | 324 | 13 | 1.5 |
| 300 | 12 | 323.9 | 254 | 152 | 381 | 13 | 1.5 |
| 350 | 14 | 355.6 | 305 | 152 | 413 | 13 | 1.5 |
| 400 | 16 | 406.4 | 305 | 152 | 470 | 13 | 1.5 |
| 450 | 18 | 457.2 | 305 | 152 | 533 | 13 | 1.5 |
| 500 | 20 | 508 | 305 | 152 | 584 | 13 | 1.5 |
| 550 | 22 | 559 | 305 | 152 | 641 | 13 | 1.5 |
| 600 | 24 | 610 | 305 | 152 | 692 | 13 | 1.5 |
a. Plastic bubble bag package b.Wove bag package c.Pallet d. Customized
Our factory have high ability for production, the delivery time is 45days for small quantity, or if you are hurry for that, we can arrange and meet your shipping date.