The Olet is also called the pipe holder, which is a kind of high-pressure forged pipe fitting. This kind of fitting connects the main pipe and the branch pipe. Generally, the main pipe is large, but the branch pipe is small. When installing the Olet, it is necessary to open a hole on the main pipe, and then weld the branch pipe with the main pipe. The branch pipe can be connected with the main pipe through butt welding, socket welding, thread and other ways. In this way, it is not necessary to use tee pipe fittings for connecting branches in large pipes, which can reduce costs and facilitate construction. Olet is also called saddle and saddle type pipe joint. It is mainly used for reinforcing pipe fittings of branch connection instead of branch connection types such as reducing tee, reinforcing plate and reinforcing pipe section.

1, The Olet has the outstanding advantages of safety and reliability, cost reduction, simple construction, improvement of medium flow channel, series standardization, and convenient design and selection.
2, Olet is widely used in high pressure, high temperature, large diameter and thick wall pipelines, which replaces the traditional branch pipe connection method.
3, Stainless steel threaded Olet is a kind of branch pipe, which is a kind of reinforcement pipe used in branch pipe connection in recent years.
4, The threaded Olet has thread inside the pipe fitting, which is a kind of high-pressure pipe connecting fitting formed by molding and forging blank of round steel or steel ingot, and then machining and forming by lathe.

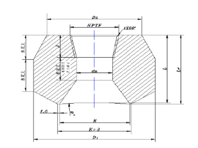
SS304 Metal T Threaded Olet Stainless Steel Pipe Fittings data sheet
| Nominal diameter of main pipe | Nominal diameter of branch pipe | Pressure rating | ||||||||||||
| L | D1/min | D2/rnin | E | d3 | J/min | |||||||||
| DN | NPS | DN | NPS | 3000 | 6000 | 3000 | 6000 | 3000 | 6000 | 3000 | 6000 | 3000 | 6000 | |
| 8^900 | 1/4~36 | 6 | 1/8 | 19 | — | 27 | 一 | 22 | — | 15.9 | — | 6.1 | 一 | 6.4 |
| 10^900 | 3/8~36 | 8 | 1/4 | 19 | 一 | 27 | 一 | 22 | 一 | 15.9 | 一 | 8.5 | 一 | 8.1 |
| 15^900 | 1/2~36 | 10 | 3/8 | 21 | — | 30 | — | 25 | — | 19.1 | — | 11.8 | — | 9.1 |
| 20^900 | 3/4~36 | 15 | 1/2 | 25 | 32 | 38 | 45 | 33 | 42 | 23.8 | 19.1 | 15 | 11 | 10.9 |
| 25^900 | 1~36 | 20 | 3/4 | 27 | 37 | 47 | 52 | 39 | 48 | 30.2 | 25.4 | 20.2 | 14.8 | 12.7 |
| 32^900 | 5/4~36 | 25 | 1 | 33 | 40 | 56 | 63 | 48 | 58 | 36.5 | 33.3 | 25.9 | 19.9 | 14.7 |
| 40^900 | 3/2~36 | 32 | 1. 1/4 | 33 | 41 | 66 | 72 | 58 | 67 | 44.5 | 38.1 | 34.3 | 28.7 | 17 |
| 50^900 | 2~36 | 40 | 1. 1/2 | 35 | 43 | 75 | 83 | 64 | 77 | 50.8 | 49.2 | 40.1 | 33.2 | 17.8 |
| 65^900 | 5/2~36 | 50 | 2 | 38 | 52 | 90 | 104 | 77 | 93 | 65.1 | 69.9 | 51.7 | 42.1 | 19 |
| 80^900 | 3~36 | 65 | 2. 1/2 | 46 | — | 105 | — | 94 | — | 76.2 | — | 61.2 | — | 23.6 |
| 100^900 | 4~36 | 80 | 3 | 51 | — | 124 | — | 114 | — | 93.7 | — | 76.4 | — | 25.9 |
| 125^900 | 5~36 | 100 | 4 | 57 | 一 | 154 | 一 | 140 | 一 | 120.7 | 一 | 100.7 | 一 | 27.7 |
1, The Olet and saddle are used for reinforcement when the main pipe is connected with the branch pipe. The main pipe is usually used to connect the pipe below 2 ".
2, Pipe hoop is the connection between pipe and pipe, which can be of the same pipe diameter or of different specifications.
3, As the pipe fitting connecting the pipe, the pipe hoop has single socket and double socket; the Olet is Dn40 and below, mainly in the form of socket welding and threaded connection.
4, The Olet also has threaded branch pipe, socket welding branch pipe and butt welding branch pipe. Both the branch pipe and the main pipe are welded, but the connection mode is different from the branch pipe.
1, There are two forms of reinforcement, the main pipe reinforcement and the branch pipe reinforcement.
2, Stainless steel threaded Olet is the branch pipe reinforcement.
3, Compared with the thickness of the original pipe, the thickness of the branch pipe has been increased, so as to achieve the reinforcement.
4, The key to the use of stainless steel threaded Olet is to see the requirements and design selection of each company, which is independent of pressure and thickness.
5, In most cases, it is used to connect reducer. Equal diameter pipes are rarely used, and the physical processing is also relatively unsightly.
6, In general, the large-diameter Olet (more than 1 / 2 of the main pipe) is connected by standard tee.
7, The diameter difference between the main pipe and the branch pipe is large. If there is no tee, the branch pipe is used.
8, The outer diameter of main pipe and branch pipe shall be provided for the procurement of threaded Olet, and the thickness of branch pipe and branch pipe shall be provided if necessary.

a. Plastic bubble bag package b.Wove bag package c.Pallet d. Customized
Our SS304 Metal T Threaded Olet Stainless Steel Pipe Fittings factory have high ability for production, the delivery time is 45days for small quantity, or if you are hurry for that, we can arrange and meet your shipping date.