Butt welding flange with neck is a kind of pipe fitting, which is a kind of flange with neck and transition of round pipe and butt welding connection with pipe. The butt welding flange is not easy to deform, well sealed, widely used, with corresponding rigid and elastic requirements and reasonable butt welding thinning transition.The distance between the welding junction and the joint surface is large, and the joint surface is free from welding temperature deformation.
The neck butt welding flange belongs to integral flange. Because of the transition structure and butt welding connection of the taper neck, the strength and rigidity of the flange are strengthened, and the sealing performance is better than that of the flat welding flange.The disadvantage is that it needs to be manufactured by forging, consumes a lot of materials and costs a lot of manufacturing.

1. It is suitable for high pressure, high temperature or high sealing requirements.
2. Butt welding flange is generally made of forging or forging process.
. When the steel plate or section steel is used for manufacturing, the following requirements must be met:
(1) the butt welding flange shall be subject to ultrasonic flaw detection without lamination defects;
(2) it shall be cut into strips along the rolling direction of the steel, bent and butt welded into a ring, and the surface of the steel shall form a cylindrical surface of the ring. The steel plate shall not be directly machined into the neck butt welding flange;
(3) the butt weld of the ring shall be full penetration weld;
(4) the butt weld of the ring shall be subject to post weld heat treatment, and shall be subject to 100% ray or ultrasonic flaw detection, and the ray detection shall meet the standards, and the ultrasonic detection shall meet the national requirements.

1. The nominal pressure is different: the nominal pressure of flat welding flange with neck is 0.6-4.0mpa, while the nominal pressure of flat welding flange with neck is 1-25mpa.
2.Obviously, the applicable pressure level of flat welding flange with neck is lower.
3.Different connection methods: the biggest difference between the neck flat welding flange and the neck butt welding flange in structure lies in the connection method between the nozzle and the flange.
4. Generally, the neck flat welding flange is the fillet connection between the nozzle and the flange, while the neck butt welding flange is the butt joint between the flange and the nozzle.
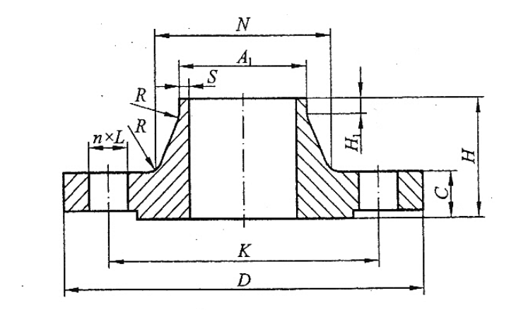
Full Size Post Weld Neck Carbon Steel Flanges data sheet
| Neck butt welded steel flange | ||||||||||||
| Nominal size | Connection dimension | Flange thickness | Flange neck | Flange height | ||||||||
| Flange diameter | Center hole diameter | Bolt hole diameter | Number of bolt holes | Bolt | N | S | H | R | ||||
| DN | A | B | ||||||||||
| 10 | 90 | 60 | 14 | 4 | M12 | 16 | 28 | 28 | 1.8 | 6 | 4 | 35 |
| 15 | 95 | 65 | 14 | 4 | M12 | 16 | 32 | 32 | 2.0 | 6 | 4 | 38 |
| 20 | ]05 | 75 | 14 | 4 | M12 | 18 | 40 | 40 | 2.3 | 6 | 4 | 40 |
| 25 | 115 | 85 | 14 | 4 | M12 | 18 | 46 | 46 | 2.6 | 6 | 4 | 40 |
| 32 | 140 | 100 | 18 | 4 | M16 | 18 | 56 | 56 | 2.6 | 6 | 6 | 42 |
| 40 | 150 | 110 | 18 | 4 | M16 | 18 | 64 | 64 | 2.6 | 7 | 6 | 45 |
| 50 | 165 | 125 | 18 | 4 | M16 | 18 | 74 | 74 | 2.9 | 8 | 5 | 45 |
| 65 | 185 | 145 | 18 | 8 | M16 | 18 | 92 | 92 | 2.9 | 10 | 6 | 45 |
1. Different weld forms: the flat weld cannot be radiographed, while the butt weld can.
2. The form of welding seam between the pipe with neck flat welding flange and the flange is fillet weld, while the form of welding seam between the flange with neck flat welding and the pipe is circumferential weld.
3. The form of flat welding is two fillet weld, and the form of butt welding is one butt circumferential weld.
4. Different materials: the material of welding flange with neck is machined from ordinary steel plate with thickness meeting the requirements, while the material of welding flange with neck is mostly machined from forged steel parts.

1, The butt welding flange is not easy to deform, well sealed and widely used.
2, It has corresponding rigid and elastic requirements and reasonable butt welding thinning transition.
3, The distance between the welding junction and the joint surface is large, and the joint surface is free from welding temperature deformation.
4, It adopts a relatively complex horn shape structure, which is suitable for pipelines with large pressure or temperature fluctuations or pipelines with high temperature, high pressure and low temperature.
5, It is generally used for pipelines with PN greater than 2.5MPa Pipeline and valve connection; also used to transport expensive, flammable and explosive media pipeline.
a. Plastic bubble bag package b.Wove bag package c.Pallet d. Customized
Our Full Size Post Weld Neck Carbon Steel Flanges factory have high ability for production, the delivery time is 45days for small quantity, or if you are hurry for that, we can arrange and meet your shipping date.