High strength bolt is the full name of high strength bolt connection pair in production, which is generally referred to as high strength bolt. It is a new form of connection developed from the 1950s.
High strength bolts are used for connection, which is convenient for construction, good stress performance, removable, anti fatigue, and not loose under dynamic load.
Color: gray
Grade: 12.9
Thread: coarse, fine
Material: carbon steel
Finished: black oxide,hdg
Used: building industry machinery
Standard: DIN, GB, ISO, JIS, ANSI
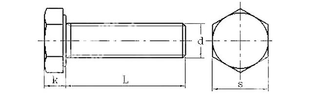
M36 M50 grade 12.9 hexagon head High strength bolt technical data sheet as below:

| D | M 4 | M 5 | M 6 | M 8 | M 10 | M 12 | M 14 | M 16 | M 20 | M 24 | M 30 | M 36 |
| P | 0.7 | 0.8 | 1 | 1.25 | 1.5 | 1.75 | 2 | 2 | 2.5 | 3 | 3.5 | 4 |
| S | 7 | 8 | 10 | 13 | 16 | 18 | 22 | 24 | 30 | 36 | 46 | 55 |
| K | 2.8 | 3.5 | 4 | 5.3 | 6.4 | 7.5 | 8.8 | 10 | 12.5 | 15 | 18.7 | 22.5 |
High strength bolt is a standard part. It has better fastening performance, and can be used for steel structure and engineering.
Generally, the steel structure bolts required by the steel structure are above grade 8.8, as well as grade 10.9 and 12.9, which are high-strength steel structure bolts.
High strength bolts are widely used in machinery industry, automobile industry, construction industry, railway, electronics industry, power plants and so on.
