Through Bore Conductive Slilp Ring with 24 circuits 10A & 3A For Industry
ECN060-06P2-18P1 is CENO new through hole slip ring with inner bore 60mm for industry system. At CENO through-hole slip ring is a general term for a series of conductive slip rings with holes in the middle, often called through bore slip ring. Mainly used to transmit precision signals, weak current, high current and high voltage, The application scope of this slip ring is mainly places where infinite continuous rotation is required to transfer power data or signals from a fixed position to a rotation position. Please contact us.
Features
Applications
Optional
Specification
ECN060-06P2-18P1 | Specification |
| Current & Circuits | 6 circuits * 10A; 18 circuits * 3A |
| Rating Voltage | 230VDC |
| Dielectric strength | ≥1000VAC@50Hz |
| Isolation resistance | ≥500MΩ@500VDC |
| Contact resistance | ≤15mΩ (50rpm) |
| Contact material | Precious Metal |
| Housing material | Aluminum alloy |
| Working temperature | -20°C~+60°C |
| Working humidity | 60 %RH |
| IP protection grade | IP51 |
| Operating speed | 0~500rpm |
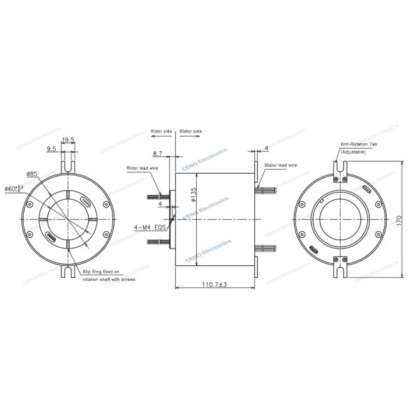
| Inner bore | Ø60mm |
| Outer diameter | Ø135mm |
| Lead wire size | AWG17# 22# Tin coated Teflon® |
| Installation | Stator side fixed on main shaft |
Outline drawing
Our Service
1. Reply inquiry in 24 hours.
2. Please kindly inform us which items you are interested & the reasonable price will be provided you upon receipt of your new inquiry ASAP.
3. Answer your question detailed.
4. Solved the problem with you during using our products.
5. Samples will be offered to you for our future cooperation.
FAQ
1. What do we do?
We focus on developing, designing, manufacturing high quality sliprings, and offer various solutions for rotating systems.
2. How long have we been in the business?
CENO established slip rings business since 2009. We have thousands of customers accepted our products or services.
3. What is a slip ring?
A slip ring is an electromechanical device that allows the transmission of power and electrical signals from a stationary to a rotating structure. A slip ring can be used in any electromechanical system that requires rotation while transmitting power or signals. It can improve mechanical performance, simplify system operation and eliminate damage-prone wires dangling from movable joints.
4. How do I choose a slip ring?
Proper selection of a slip ring solution requires details about your application’s operating parameters including total circuits, voltage and amps per circuit, operating speed, and mounting type. A good place to start your search is with our standard slip rings. If you are confident that a custom / modified solution is most likely required or need assistance in your selection, contact us to Get Started.
5. Do you offer custom slip rings?
Yes, if you are confident that a custom / modified solution is most likely required or need assistance in your selection, contact us to Get Started. Our engineers will come up with perfect solution for your needs.
Why with CENO
CENO is one technologically company in slip ring field who engages research and development,manufacturing and sales.We have advanced equipment and high precision test instruments to ensure products quality and reliable performance.Facility area covers 3000 square meters and located in Shenzhen China.
Certification
ISO9001,CE,RoHS,UL,Explosion-proof
CENO Advantage
Member in engineering team have more than 10 years experience in slip ring's field.Operators work on critical procedure are all qualified by internal training.
Service CENO provides
24 hours,7days consultant service.
Mass and customized production.
Solution offerring for 360° rotation system.
Welcome to consult us with your requests for any 360° rotation system.We will provide one stop service to you timely respond your inquiries.