Automation equipment slip ring with inner bore size 25.4mm,voltage 0~480VAC/VDC,300rpm working speed,longer lifetime,can be customized with different solutions.
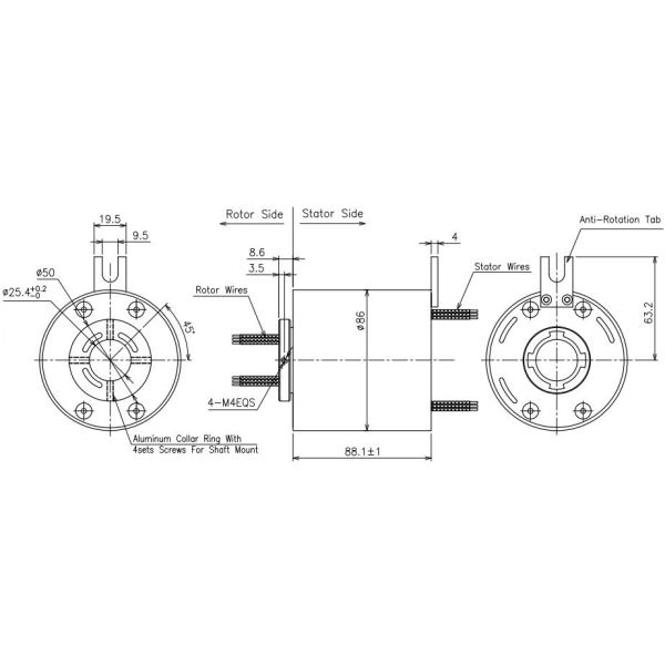
Through hole slip ring also called through bore slip ring,hollow shaft slip ring.This type slip ring with inner diameter 25.4mm through hole slip ring with 8*6A,12*2A,Rating voltage 0~480VAC/VDC,Contact materials is precious metal.CENO slip rings can be used in any electromechanical system that requires unrestrained, continuous rotation while transferring power or data from a stationary to a rotating structure.It’s widely used in radar system,packaging machine,medical equipment.Through hole size can be customized from 3mm to 980mm,current rating and other parameters also can be optional.CENO can provide different customized solution according to customer’s requirements,Please feel free to contact us anytime.
Specification
| ECN025-08P-12S Specification | |
| Rings | 8*6A,12*2A |
| Voltage | 0~480VAC/VDC |
| Electrical noise | ≤30mΩ(50rpm) |
| Dielectric strength | ≥1000V@50Hz |
| Insulation resistance | ≥500MΩ@500VDC |
| Operating speed | 0-300 rpm |
| Contact material | Precious metal |
| Housing material | Aluminium alloy |
| Working temperature | -20℃~+80℃ |
| IP protection grade | IP51 |
| Through hole size | 25.4mm |
Features
Applications
Optional
Outline drawing:

Why with CENO
CENO is one technologically company in slip ring field who engages research and development,manufacturing and sales.We have advanced equipment and high precision test instruments to ensure products quality and reliable performance.Facility area covers 3000 square meters and located in Shenzhen China.

Certification
ISO9001,CE,RoHS,UL,Explosion-proof

CENO Advantage
Member in engineering team have more than 10 years experience in slip ring's field.Operators work on critical procedure are all qualified by internal training.
Service CENO provides
24 hours,7days consultant service.
Mass and customized production.
Solution offerring for 360° rotation system.
Welcome to consult us with your requests for any 360° rotation system.We will provide one stop service to you timely respond your inquiries.