Gimbal Pedestal Hollow Shaft Slip Ring with 60mm Hole USB Gigabit Ethernet
Through bore slip rings is ideally suited for applications where signals and power need to be transferred in a compact space and a through hole is required to pass a shaft or other feed through. ECN series uses a modular design that allows for unprecedented flexibility with respect to package size, circuit count, and mix of power and signal circuits. Standard units can be supplied with bore diameters from 2 mm to 1500 mm, with larger diameters available as custom solutions. ECN series uses CENO's advanced bundle brush technology to greatly increase service life and optimize transmission stability.
However,life of slip ring depends on the working environment and condition,such as operation speed and continual working time.Welcome to contact us with your special demands.
Typical application
Feature
Parameter
| | Picture | |
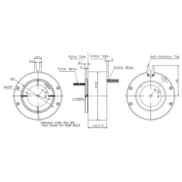
| Through bore size | 60mm |
|
| Number of circuits | 6,12,18,24 or more | |
| Operating speed | 300rpm or higher | |
| Current Rating | 5A,10A,15A/circuit | |
| Voltage | 380VAC | |
| Dielectric strength | ≥1000V@50Hz | |
| Insulation Resistance | 1000MΩ@ 500VDC | |
| Electrical noise | 100 milliohms max. | |
| Operating temperature | -20~+60℃ | |
| Protection Grade | IP54 | |
| Lead wire size | 5A- 22AWG | |
| Option | • Lead wire length | |
Outline drawing

Q: Do you offer hybrid design with electrical channel and fluid or air channel combination?
Yes,CENO air/fluid rotary union and electrical slip ring can be integrated together into one complete solution.The solution can for fluid, power, signal, and data transfer. We offer both standard assemblies and custom solutions to meet your exact requirements. Welcome to consult us with your demands.
Q: How do we mount the hollow shaft slip ring on our machinery?
Hollow shaft mounting way
1) Position the slip ring in the desired location and equally tighten both set screws to the shaft on each end of the union. Torque to 25 lb-in.
2) Route the wiring and make the necessary connections. Do not allow the wiring to restrict free rotation of the slip ring.
3) Position a screw or dowel (not supplied) in the anti-rotation tab.
Flange mounting way
1) Align the mounting holes in the flange to mounting base and install flat washers and thread forming screws (NOT SUPPLIED) for plastic. Securely tighten screws.
2) Route the wiring and make the necessary connections. Do not allow the wiring to restrict free rotation of the slip ring.
3) Position a screw or dowel (not supplied) in the anti-rotation tab.
CENO Advantage
Member in engineering team have more than 10 years experience in slip ring's field.Operators work on critical procedure are all qualified by internal training.
Why choose CENO
CENO is one technologically company in slip ring field who engages research and development,manufacturing and sales.We have advanced equipment and high precision test instruments to ensure products quality and reliable performance.Facility area covers 3000 square meters and located in China.
Honor
ISO9001,CE,RoHS,UL,Explosion-proof
Service CENO provides
Solution offerring for 360° rotation system.
Mass and customized production.
24 hours,7days consultant service.
Consult us with your requests for any 360° rotation system.We will provide one stop service to you timely respond your inquiries.