Military Project IP54 300 Rpm Ethernet Rotary Joint
CENO Ethernet slip ring with precious metal contacts for military project ,working speed 0-300 rpm, stable performance
CENO’s Ethernet slip ring solutions have been developed to provide reliable products to allow transfer of the Ethernet protocol through a rotating interface. The innovative designs meet the challenge of matching impedance, controlling crosstalk and managing losses. A wide range of product solutions are offered with combinations of data and power in multiple mechanical configurations. Product specifications available at www.ceno360.com.
Specification
| ECN000-10P-09S-01EG | Specification |
| Circuits | 8*10A, 2*5A,1*Gigabit Ethernet,9*signals,1*PE |
| Voltage | 0~380VAC/VDC |
| Electrical noise | ≤30mΩ(50rpm) |
| Dielectric strength | ≥1500V@50Hz(power) ≥300V@50Hz(signal) |
| Insulation resistance | ≥500MΩ@500VDC(power) ≥100MΩ@100VDC(signal) |
| Operating speed | 0-300 rpm |
| Contact material | Precious metal |
| Housing material | Aluminium alloy |
| IP protection grade | IP54 |
| Through hole size | None |
Advantages
1000M Ethernet signals
Signal and power integrated
Working speed 0~300 rpm
Low torque
Stable performance
Applications
Rotary tables
Motion simulator
Lithium battery equipment
Simulation test equipment
Turntable equipment
High-speed railway equipment
Amusement equipment
Optional
Through hole size
Current rating & circuits number
Signal type
IP protection grade
Cable length
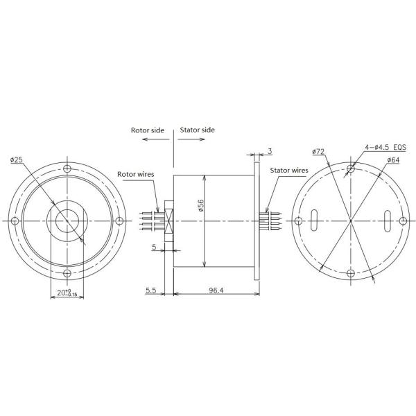
Outline drawing

Our Service
1. Reply inquiry in 24 hours.
2. Please kindly inform us which items you are interested & the reasonable price will be provided you upon receipt of your new inquiry ASAP.
3. Answer your question detailed.
4. Solved the problem with you during using our products.
5. Samples will be offered to you for our future cooperation.
FAQ
1. What do we do?
We focus on developing, designing, manufacturing high quality sliprings, and offer various solutions for rotating systems.
2. How long have we been in the business?
CENO established slip rings business since 2009. We have thousands of customers accepted our products or services.
3. What is a slip ring?
A slip ring is an electromechanical device that allows the transmission of power and electrical signals from a stationary to a rotating structure. A slip ring can be used in any electromechanical system that requires rotation while transmitting power or signals. It can improve mechanical performance, simplify system operation and eliminate damage-prone wires dangling from movable joints.
4. How do I choose a slip ring?
Proper selection of a slip ring solution requires details about your application’s operating parameters including total circuits, voltage and amps per circuit, operating speed, and mounting type. A good place to start your search is with our standard slip rings. If you are confident that a custom / modified solution is most likely required or need assistance in your selection, contact us to Get Started.
5. Do you offer custom slip rings?
Yes, if you are confident that a custom / modified solution is most likely required or need assistance in your selection, contact us to Get Started. Our engineers will come up with perfect solution for your needs.
Why with CENO
CENO is one technologically company in slip ring field who engages research and development,manufacturing and sales.We have advanced equipment and high precision test instruments to ensure products quality and reliable performance.Facility area covers 3000 square meters and located in Shenzhen China.

Certification
ISO9001,CE,RoHS,UL,Explosion-proof

CENO Advantage
Member in engineering team have more than 10 years experience in slip ring's field.Operators work on critical procedure are all qualified by internal training.
Service CENO provides
24 hours,7days consultant service.
Mass and customized production.
Solution offerring for 360° rotation system.
Welcome to consult us with your requests for any 360° rotation system.We will provide one stop service to you timely respond your inquiries.