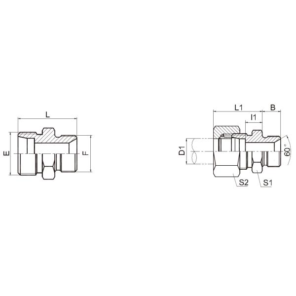
1CB / 1DB Conpression fitting (DIN2353)

| PART NO. | THREAD | TUBE O.D. | DIMENSIONS | MPa | ||||||
| E | F | D1 | B | l1 | L1 | L | S1 | S2 | ||
| 1CB-12-02 | M12X1.5 | G1/8"X28 | 6 | 10 | 8 | 23 | 24 | 14 | 14 | 31.5 L |
| 1CB-12-04 | M12X1.5 | G1/4"X19 | 6 | 12 | 9 | 24 | 28 | 19 | 14 | |
| 1CB-14-02 | M14X1.5 | G1/8"X28 | 8 | 10 | 8 | 23 | 25 | 14 | 17 | |
| 1CB-14-04 | M14X1.5 | G1/4"X19 | 8 | 12 | 9 | 25 | 28 | 19 | 17 | |
| 1CB-14-06 | M14X1.5 | G3/8"X19 | 8 | 13.5 | 9 | 24 | 28.5 | 22 | 17 | |
| 1CB-16-04 | M16X1.5 | G1/4"X19 | 10 | 12 | 10 | 25 | 28 | 19 | 19 | |
| 1CB-16-06 | M16X1.5 | G3/8"X19 | 10 | 13.5 | 12.5 | 25 | 33 | 22 | 19 | |
| 1CB-16-08 | M16X1.5 | G1/2"X14 | 10 | 16 | 11 | 26 | 32 | 27 | 19 | |
| 1CB-18-04 | M18X1.5 | G1/4"X19 | 12 | 12 | 10 | 25 | 29 | 19 | 22 | |
| 1CB-18-06 | M18X1.5 | G3/8"X19 | 12 | 13.5 | 10 | 25 | 30.5 | 22 | 22 | |
| 1CB-18-08 | M18X1.5 | G1/2"X14 | 12 | 16 | 11 | 26 | 33 | 27 | 22 | |
| 1CB-18-12 | M18X1.5 | G3/4"X14 | 12 | 18.5 | 11 | 26 | 36.5 | 32 | 22 | |
| 1CB-22-06 | M22X1.5 | G3/8"X19 | 15 | 13.5 | 11 | 26 | 31.5 | 24 | 27 | |
| 1CB-22-08 | M22X1.5 | G1/2"X14 | 15 | 16 | 12 | 27 | 34 | 27 | 27 | |
| 1CB-26-08 | M26X1.5 | G1/2"X14 | 18 | 16 | 11.5 | 28 | 35 | 27 | 32 | 16 L |
| 1CB-26-12 | M26X1.5 | G3/4"X14 | 18 | 18.5 | 11.5 | 28 | 35.5 | 32 | 32 | |
| 1CB-30-12 | M30X2 | G3/4"X14 | 22 | 18.5 | 13.5 | 30 | 39.5 | 32 | 36 | |
| 1CB-36-16 | M36X2 | G1"X11 | 28 | 20.5 | 14.5 | 31 | 42.5 | 41 | 41 | |
| 1CB-45-20 | M45X2 | G1.1/4"X11 | 35 | 20.5 | 15.5 | 37 | 45.5 | 50 | 50 | |
| 1CB-52-24 | M52X2 | G1.1/2"X11 | 42 | 23 | 16 | 39 | 50 | 55 | 60 | |
| 1DB-14-04 | M14X1.5 | G1/4"X19 | 6 | 12 | 13 | 28 | 30 | 19 | 17 | 63 S |
| 1DB-16-04 | M16X1.5 | G1/4"X19 | 8 | 12 | 13 | 28 | 32 | 19 | 19 | |
| 1DB-16-06 | M16X1.5 | G3/8"X19 | 8 | 13.5 | 15 | 32 | 35.5 | 22 | 19 | |
| 1DB-18-04 | M18X1.5 | G1/4"X19 | 10 | 12 | 12.5 | 29 | 32 | 19 | 22 | |
| 1DB-18-06 | M18X1.5 | G3/8"X19 | 10 | 13.5 | 14.5 | 31 | 33.5 | 22 | 22 | |
| 1DB-18-08 | M18X1.5 | G1/2"X14 | 10 | 16 | 14.5 | 31 | 36 | 27 | 22 | |
| 1DB-20-04 | M20X1.5 | G1/4"X19 | 12 | 12 | 14.5 | 31 | 34 | 22 | 24 | |
| 1DB-20-06 | M20X1.5 | G3/8"X19 | 12 | 13.5 | 14.5 | 31 | 35.5 | 22 | 24 | |
| 1DB-20-08 | M20X1.5 | G1/2"X14 | 12 | 16 | 14.5 | 31 | 38 | 27 | 24 | |
| 1DB-22-08 | M22X1.5 | G1/2"X14 | 14 | 16 | 16 | 34 | 40 | 27 | 27 | |
| 1DB-24-06 | M24X1.5 | G3/8"X19 | 16 | 13.5 | 15.5 | 34 | 37.5 | 27 | 30 | 40 S |
| 1DB-24-08 | M24X1.5 | G1/2"X14 | 16 | 16 | 15.5 | 34 | 40 | 27 | 30 | |
| 1DB-24-12 | M24X1.5 | G3/4"X14 | 16 | 18.5 | 17.5 | 36 | 44.5 | 32 | 30 | |
| 1DB-30-12 | M30X2 | G3/4"X14 | 20 | 18.5 | 17.5 | 39 | 48.5 | 32 | 36 | |
| 1DB-36-08 | M36X2 | G1/2"X14 | 25 | 16 | 19 | 43 | 48 | 38 | 46 | |
| 1DB-36-12 | M36X2 | G3/4"X14 | 25 | 18.5 | 19 | 43 | 50.5 | 38 | 46 | |
| 1DB-36-16 | M36X2 | G1"X11 | 25 | 20.5 | 20 | 44 | 52.5 | 41 | 46 | |
| 1DB-42-20 | M42X2 | G1.1/4"X11 | 30 | 20.5 | 21.5 | 48 | 54.5 | 50 | 50 | |
| 1DB-52-24 | M52X2 | G1.1/2"X11 | 38 | 23 | 23 | 54 | 62 | 55 | 60 | 31.5 S |
Note:In case if you are interested to order the adapter in complete set with cutting ring and nut ,it is necessary to insertsuffix "RN" after our part no.,for example 1CB-22-08/RN.
BITE TYPE TUBE FITTINGS INSTRUCTIONS:
Bite type fitting consists of three parts: body, cutting ring and nut. When tightening nut, cutting ring is driven forward on the tube then bites the tube with the edge of cutting ring, this is how sealing is achieved and results in internal ridge inside the tube.
We are specialized in all kinds of hydraulic hose fittings, adapters, ferrules, flanges.
We can provide OEM service and develop new products according to customer's drawings and samples.